SES Light Code





Thanks in advance!
Code #12: Normal No Codes.
Code #13: Open Oxygen Sensor Circuit.
Code #14: Coolant Sensor Circuit Low.
Code #15: Coolant Sensor Circuit High.
Code #21: Throttle Position Sensor High.
Code #22: Throttle Position Sensor Low.
Code #23: Manifold Air Temperature Circuit High.
Code #24: Vehicle Speed Sensor.
Code #25: Manifold Air Temperature Circuit Low.
Code #32: EGR System Failure.
Code #33: Mass Air Flow Sensor High.
Code #34: Mass Air Flow Sensor Low.
Code #36: Mass Air Flow Sensor Burn-Off Function Fault.
Code #41: Cylinder Select Error.
Code #42: Electronic Spark Timing.
Code #43: Electronic Spark Control.
Code #44: Lean Exhaust indication.
Code #45: Rich Exhaust Indication.
Code #46: Vehicle Anti Theft Fault.
Code #51: Faulty Mem-Cal.
Code #52: Fuel Calpak Missing.
Code #52: (1990-91 Corvette Only): Engine Oil Temperature Sensor Low.
Code #53: System Over Voltage.
Code #54: Fuel Pump Circuit Low Voltage.
Code #55: Defective ECM.
Code #62: Engine Oil Temperature Sensor Circuit High.












The Best of Corvette for Corvette Enthusiasts





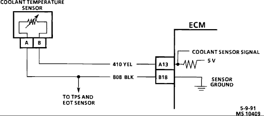
CIRCUIT DESCRIPTION:
The coolant temperature sensor is a thermistor used to vary voltage in the reference circuit from the Electronic Control Module (ECM) to the sensor. The ECM applies a 5.0 volt reference voltage at circuit 410 to the sensor. When the engine is cold, the sensor (thermistor) resistance is high, and the ECM will measure high voltage (near reference voltage). As the engine warms, the sensor resistance decreases, current through the sensor increases and the circuit voltage drops. Each voltage value in the reference circuit corresponds to a specific temperature. At normal engine operating temperature (85°C - 95°C/185°F - 203°F) the voltage will measure about 1.5 to 2.0 volts.
Code 15 will set if signal voltage indicates a coolant temperature below -49°C (-56°F).
TEST DESCRIPTION
Numbers below refer to circled numbers on the diagnostic chart.
Determines if the ECM is reading conditions necessary for this coed to set.
This test simulates conditions for a code 14. If the ECM recognizes the sow signal voltage (indicating high temperature), and the "Scan" tool displays temperature 130°C (266°F) or more, then the ECM and wiring are OK.
This est will determine if circuit 410 is open. There should be 5 volts present at the sensor connector when measured with a high impedance digital volt/ohm meter (DVOM).
DIAGNOSTIC AIDS:
A "Scan" tool displays engine temperature in degrees centigrade and fahrenheit. After engine is started, the temperature should rise steadily to about 90°C/ 195°F then stabilize when thermostat opens. A faulty connection or open in circuits 410 or 808 will cause a Code 15. If Code 21 or 52 is also present, check circuit 808 for faulty wiring or connections. Also check connections at sensor and ECM ground connections. If no problems can be found
Last edited by Epimax; Apr 1, 2009 at 10:01 AM.










http://forums.corvetteforum.com/c4-t...e-readers.html
Last edited by floridamale; Apr 1, 2009 at 03:57 PM.





Did you get your new sensor yet? What did the part store call it and what does it look like? The only sensor I can find has a two prong connector on it and I need one with a clip like connector. Do I have to convert? Or am I looking at the wrong coolant sensor?

(It's called a coolant temperature sensor)
I bought the 1'st at Autozone, and the new one (which arrived today) from ecklers. $14.99. This one is on the water pump...
Also hear it's available at Napa, etc...
(This catalog says its for 85-96 models)









