C5 Tech Corvette Tech/Performance: LS1 Corvette Technical Info, Internal Engine, External Engine, Tech Topics, Basic Tech, Maintenance, How to Remove & Replace
Sponsored by:
Sponsored by:

AC trouble

Thread Tools
 
Search this Thread
 
Old Apr 23, 2009 | 11:01 PM
  #1  
hgm's Avatar
hgm
Thread Starter
Instructor
10 Year Member
 
Joined: Dec 2005
Posts: 121
Likes: 2
From: Middletown Delaware
Default AC trouble

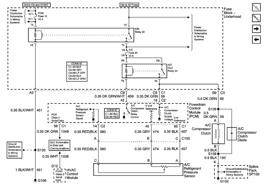
The AC on my 01 is not working. When I turn it on it appears that the clutch is not engaging. Is the clutch the front portion of the compressor? Shouldn't I be able to see it spin when I turn the compressor on?

Thanks
Reply
Old Apr 23, 2009 | 11:10 PM
  #2  
byronhunter's Avatar
byronhunter
Melting Slicks
15 Year Member
All Eyes On Me
 
Joined: Oct 2007
Posts: 2,383
Likes: 13
From: Kinston North Carolina
Default

Yes.

Manual or Dualzone?

Last edited by byronhunter; Apr 23, 2009 at 11:12 PM.
Reply
Old Apr 23, 2009 | 11:12 PM
  #3  
hgm's Avatar
hgm
Thread Starter
Instructor
10 Year Member
 
Joined: Dec 2005
Posts: 121
Likes: 2
From: Middletown Delaware
Default

Thats what I thought. Is there a fuse or relay that I can check?
Reply
Old Apr 23, 2009 | 11:17 PM
  #4  
byronhunter's Avatar
byronhunter
Melting Slicks
15 Year Member
All Eyes On Me
 
Joined: Oct 2007
Posts: 2,383
Likes: 13
From: Kinston North Carolina
Default

Need to know if it is Manual or Dualzone.
Reply
Old Apr 23, 2009 | 11:46 PM
  #5  
byronhunter's Avatar
byronhunter
Melting Slicks
15 Year Member
All Eyes On Me
 
Joined: Oct 2007
Posts: 2,383
Likes: 13
From: Kinston North Carolina
Default

Reply
Old Apr 28, 2009 | 10:53 AM
  #6  
buyyourvette's Avatar
buyyourvette
Instructor
 
Joined: Jun 2008
Posts: 112
Likes: 0
From: Dallas Texas
Default

The clutch portion of the compressor does not spin....At least on my 99.
Reply

Get notified of new replies

To AC trouble





All times are GMT -4. The time now is 02:58 PM.

story-0
150 hp to 1,250 hp: Every Corvette Generation Compared by the Specs That Matter

Slideshow: From C1 to C8 we compare every Corvette generation by the numbers.

By Joe Kucinski | 2026-05-12 16:54:12


VIEW MORE
story-1
8 Coolest Corvette Pace Cars (and Replicas) of All Time

Slideshow: Some Corvette pace cars became collectible legends, while others perfectly captured the look and attitude of their era.

By Verdad Gallardo | 2026-05-11 09:50:51


VIEW MORE
story-2
Top 10 Corvette Engines RANKED by Peak Torque (70+ Years of Muscle!)

Slideshow: Ranking the top 10 Corvette engines by torque output.

By Joe Kucinski | 2026-05-05 11:58:09


VIEW MORE
story-3
Corvette ZR1X Will Be Pacing the Indy 500, And Could Probably Race, Too!

Slideshow: A Corvette pace car nearly matching IndyCar speeds sounds exaggerated, until you look at the numbers.

By Verdad Gallardo | 2026-05-04 20:03:36


VIEW MORE
story-4
Top 10 Corvettes Coming to Mecum Indy 2026!

Among a rather large group of them.

By Brett Foote | 2026-05-04 13:56:44


VIEW MORE
story-5
Top 10 C9 Corvette MUST-HAVES to Fix These C8 Generation Flaws!

Slideshow: the top 10 things Corvette owners want in the C9 Corvette

By Michael S. Palmer | 2026-04-30 12:41:15


VIEW MORE
story-6
10 Revolutionary 'Corvette Firsts' Most People Don't Know

Slideshow: 10 Important Corvette 'firsts' that every fan should know.

By Joe Kucinski | 2026-04-29 17:02:16


VIEW MORE
story-7
5 Reasons to Upgrade to an LS6-Powered Corvette; 5 Reasons to Stay LT2

Slideshow: Should you buy a 2020-2026 Corvette or wait for 2027?

By Michael S. Palmer | 2026-04-22 10:08:58


VIEW MORE
story-8
2027 Corvette vs The World: Every C8 vs Its Closest Competitor

Slideshow: 2027 Corvette lineup vs the world.

By Joe Kucinski | 2026-04-24 16:12:42


VIEW MORE
story-9
10 Most Common Corvette Problems of the Last 20 Years!

Slideshow: 10 major Corvette problems from the last 20 years.

By Joe Kucinski | 2026-04-14 16:37:05


VIEW MORE