C5 Tech Corvette Tech/Performance: LS1 Corvette Technical Info, Internal Engine, External Engine, Tech Topics, Basic Tech, Maintenance, How to Remove & Replace
Sponsored by:
Sponsored by:

Trunk Release

Thread Tools
 
Search this Thread
 
Old Dec 11, 2011 | 05:30 PM
  #1  
zr1fred's Avatar
zr1fred
Thread Starter
Race Director
15 Year Member
Veteran: Marine Corps
All Eyes On Me
Top Answer: 1
 
Joined: May 2006
Posts: 10,691
Likes: 71
From: Phoenix Arizona
Default Trunk Release

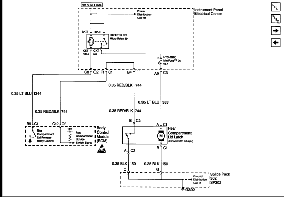
I recently purchased a 2000 vert. It has a couple of problems that if I had the book would be easier to fix. For this thread, the problem is the trunk release won't work electronically. The swith is a known good one, I swaped the relay out, and the fuse is good. If I put 12v to the fuse (it has no voltage either side) the solinoid works as soon as I put the 12v to the fuse. This leads me to believe there is another fuse in the circuit supplying voltage to the relay. Does anyone have a print to this circuit?
Reply
Old Dec 12, 2011 | 12:28 PM
  #2  
cliff_ford's Avatar
cliff_ford
Racer
15 Year Member
 
Joined: Aug 2005
Posts: 388
Likes: 6
Default

Originally Posted by zr1fred
I recently purchased a 2000 vert. It has a couple of problems that if I had the book would be easier to fix. For this thread, the problem is the trunk release won't work electronically. The swith is a known good one, I swaped the relay out, and the fuse is good. If I put 12v to the fuse (it has no voltage either side) the solinoid works as soon as I put the 12v to the fuse. This leads me to believe there is another fuse in the circuit supplying voltage to the relay. Does anyone have a print to this circuit?
Reply
Old Dec 12, 2011 | 12:44 PM
  #3  
zr1fred's Avatar
zr1fred
Thread Starter
Race Director
15 Year Member
Veteran: Marine Corps
All Eyes On Me
Top Answer: 1
 
Joined: May 2006
Posts: 10,691
Likes: 71
From: Phoenix Arizona
Default

Great, thanks. So does the hatch release button then go through the BCM? I'm assuming it must because the hatch won't release when you turn the door key three times (the passenger door unlocks at two).
Reply
Old Dec 12, 2011 | 01:35 PM
  #4  
cliff_ford's Avatar
cliff_ford
Racer
15 Year Member
 
Joined: Aug 2005
Posts: 388
Likes: 6
Default

Originally Posted by zr1fred
Great, thanks. So does the hatch release button then go through the BCM? I'm assuming it must because the hatch won't release when you turn the door key three times (the passenger door unlocks at two).
Yes it does.

Reply

Get notified of new replies

To Trunk Release





All times are GMT -4. The time now is 04:22 AM.

story-0
150 hp to 1,250 hp: Every Corvette Generation Compared by the Specs That Matter

Slideshow: From C1 to C8 we compare every Corvette generation by the numbers.

By Joe Kucinski | 2026-05-12 16:54:12


VIEW MORE
story-1
8 Coolest Corvette Pace Cars (and Replicas) of All Time

Slideshow: Some Corvette pace cars became collectible legends, while others perfectly captured the look and attitude of their era.

By Verdad Gallardo | 2026-05-11 09:50:51


VIEW MORE
story-2
Top 10 Corvette Engines RANKED by Peak Torque (70+ Years of Muscle!)

Slideshow: Ranking the top 10 Corvette engines by torque output.

By Joe Kucinski | 2026-05-05 11:58:09


VIEW MORE
story-3
Corvette ZR1X Will Be Pacing the Indy 500, And Could Probably Race, Too!

Slideshow: A Corvette pace car nearly matching IndyCar speeds sounds exaggerated, until you look at the numbers.

By Verdad Gallardo | 2026-05-04 20:03:36


VIEW MORE
story-4
Top 10 Corvettes Coming to Mecum Indy 2026!

Among a rather large group of them.

By Brett Foote | 2026-05-04 13:56:44


VIEW MORE
story-5
Top 10 C9 Corvette MUST-HAVES to Fix These C8 Generation Flaws!

Slideshow: the top 10 things Corvette owners want in the C9 Corvette

By Michael S. Palmer | 2026-04-30 12:41:15


VIEW MORE
story-6
10 Revolutionary 'Corvette Firsts' Most People Don't Know

Slideshow: 10 Important Corvette 'firsts' that every fan should know.

By Joe Kucinski | 2026-04-29 17:02:16


VIEW MORE
story-7
5 Reasons to Upgrade to an LS6-Powered Corvette; 5 Reasons to Stay LT2

Slideshow: Should you buy a 2020-2026 Corvette or wait for 2027?

By Michael S. Palmer | 2026-04-22 10:08:58


VIEW MORE
story-8
2027 Corvette vs The World: Every C8 vs Its Closest Competitor

Slideshow: 2027 Corvette lineup vs the world.

By Joe Kucinski | 2026-04-24 16:12:42


VIEW MORE
story-9
10 Most Common Corvette Problems of the Last 20 Years!

Slideshow: 10 major Corvette problems from the last 20 years.

By Joe Kucinski | 2026-04-14 16:37:05


VIEW MORE