C5 Tech Corvette Tech/Performance: LS1 Corvette Technical Info, Internal Engine, External Engine, Tech Topics, Basic Tech, Maintenance, How to Remove & Replace
Sponsored by:
Sponsored by:

Power Seat Fix

Thread Tools
 
Search this Thread
 
Old Oct 6, 2016 | 02:14 PM
  #1  
Geboe's Avatar
Geboe
Thread Starter
Instructor
 
Joined: Oct 2016
Posts: 121
Likes: 1
From: Chicago area Illinois
Default Power Seat Fix

I have a 2003 coupe with sport seats with memory function. Is there any reason why I couldn't bypass all current seat electrical connectivity and wire the seat switch and motors directly with it's own power source? Run a power line and wire switch to motors each controls?
Reply
Old Oct 7, 2016 | 02:37 PM
  #2  
Geboe's Avatar
Geboe
Thread Starter
Instructor
 
Joined: Oct 2016
Posts: 121
Likes: 1
From: Chicago area Illinois
Default Seat Wiring Diagram

Originally Posted by 8VETTE7
I strongly suggest that you obtain a copy of the wiring diagrams for the seats and I'm certain you will answer your own question.
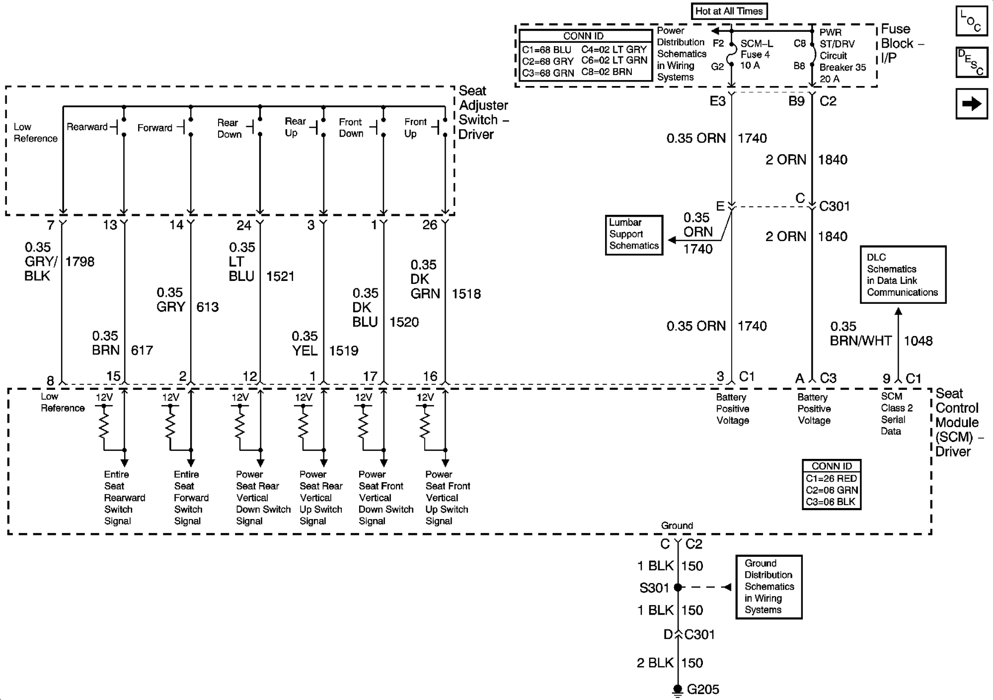
Who has a copy of a C5 seat wiring diagram?
Reply
Old Oct 7, 2016 | 07:58 PM
  #3  
jackthelad's Avatar
jackthelad
Melting Slicks
10 Year Member
 
Joined: Jun 2013
Posts: 3,473
Likes: 691
From: West Virginia
Default

Originally Posted by Geboe
Who has a copy of a C5 seat wiring diagram?
Buy a set of the Service Manuals - that's where you will find all the wiring diagrams. First "add on" I ever bought for my C5 - an absolutely essential to do any real work on a very tech intensive vehicle.
Reply
Old Oct 12, 2016 | 11:53 PM
  #4  
shadowman1's Avatar
shadowman1
Burning Brakes
15 Year Member
Liked
Loved
 
Joined: Aug 2007
Posts: 792
Likes: 16
From: Austin Tx
Default

Reply
Old Oct 12, 2016 | 11:55 PM
  #5  
shadowman1's Avatar
shadowman1
Burning Brakes
15 Year Member
Liked
Loved
 
Joined: Aug 2007
Posts: 792
Likes: 16
From: Austin Tx
Default



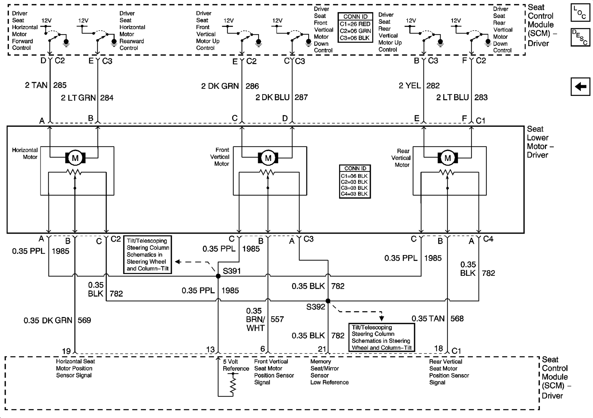
With telescoping wheel

Last edited by shadowman1; Oct 12, 2016 at 11:55 PM.
Reply
Old Oct 12, 2016 | 11:57 PM
  #6  
shadowman1's Avatar
shadowman1
Burning Brakes
15 Year Member
Liked
Loved
 
Joined: Aug 2007
Posts: 792
Likes: 16
From: Austin Tx
Default


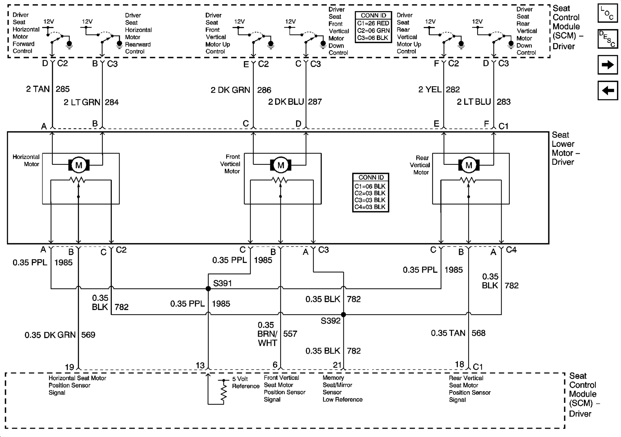
W/o telescoping wheel

Last edited by shadowman1; Oct 13, 2016 at 08:37 AM.
Reply

Get notified of new replies

To Power Seat Fix





All times are GMT -4. The time now is 10:37 AM.

story-0
2027 Corvette vs The World: Every Model vs Closest Competitor

Slideshow: 2027 Corvette lineup vs the world.

By Joe Kucinski | 2026-04-20 17:58:41


VIEW MORE
story-1
10 Most Common Corvette Problems of the Last 20 Years!

Slideshow: 10 major Corvette problems from the last 20 years.

By Joe Kucinski | 2026-04-14 16:37:05


VIEW MORE
story-2
5 MOST and 5 LEAST Popular Corvette Model Years in History!

Slideshow: 5 most and least popular Corvette model years.

By Joe Kucinski | 2026-04-08 13:25:01


VIEW MORE
story-3
2027 Corvette Buyer's Guide: Everything You Need to Know!

Slideshow: 2027 Corvette buyer's guide

By Joe Kucinski | 2026-04-17 16:41:08


VIEW MORE
story-4
10 Things C8 Corvette Owners Hate (But Won't Tell You)

Slideshow: 10 things C8 Corvette owners hate, but won't tell you.

By Joe Kucinski | 2026-04-01 18:36:07


VIEW MORE
story-5
10 Best Corvettes Coming to Barrett-Jackson Palm Beach 2026!

Slideshow: Should you add one of these incredible Corvettes to your garage?

By Brett Foote | 2026-04-01 18:14:05


VIEW MORE
story-6
Every Corvette Grand Sport Explained! (C2, C4, C6, C7, & C8)

Slideshow: Every Corvette Grand Sport explained

By Joe Kucinski | 2026-03-26 07:13:44


VIEW MORE
story-7
Grand Sport & Grand Sport X Launch Alongside All-New 535hp LS6 V8!

Slideshow: Breaking down the 2027 Grand Sport, Grand Sport X, Stingray, and LS6 V8.

By Michael S. Palmer | 2026-03-26 13:48:45


VIEW MORE
story-8
5 Reasons Bad Drivers Crash & 5 Ways to Avoid a Costly Mistake!

Slideshow: 5 reasons bad drivers crash sports cars & 5 ways to avoid a costly shame!

By Joe Kucinski | 2026-03-25 16:32:55


VIEW MORE
story-9
7 Bolt-On Upgrades From Extreme Online Store to Level Up Your C6 Corvette

Slideshow: Check out these easy-to-install upgrades from Extreme Online Store that reshape the look and feel of the C6 Corvette.

By Pouria Savadkouei | 2026-03-23 17:00:27


VIEW MORE