C5 Tech Corvette Tech/Performance: LS1 Corvette Technical Info, Internal Engine, External Engine, Tech Topics, Basic Tech, Maintenance, How to Remove & Replace
Sponsored by:
Sponsored by:

C5 Instrument issues

Thread Tools
 
Search this Thread
 
Old Dec 26, 2019 | 03:32 AM
  #1  
HaraldV's Avatar
HaraldV
Thread Starter
7th Gear
 
Joined: Dec 2019
Posts: 7
Likes: 1
From: Norway
Default C5 Instrument issues

Question from Norway
I have a Corvette c5 2000 with some instrument issues.
The fuel gauge sometimes droppes from around half tank to zero.. (Moves when I fill it up)
At the same time the oilpressure-gauge goes to full - and stays there.

A local GM dealer have measured the tank-/pump system and everything seem fine. So they believe its the instrument cluster that is the problem but can not solve it.
Anyone?



Reply
Old Dec 26, 2019 | 03:41 AM
  #2  
golfnutts's Avatar
golfnutts
Instructor
Veteran: Air Force
 
Joined: Apr 2017
Posts: 159
Likes: 72
From: Kansas
Default

Try running Techron or other fuel additive in tank for your fuel gauge issue. It sounds like your oil pressure sending unit is bad. It's in back of your engine by the firewall.
Reply
Old Dec 26, 2019 | 03:45 AM
  #3  
HaraldV's Avatar
HaraldV
Thread Starter
7th Gear
 
Joined: Dec 2019
Posts: 7
Likes: 1
From: Norway
Default

Thanks for answering. I have used Techron for a short time already and will continue that.
Reply
Old Dec 26, 2019 | 06:56 AM
  #4  
feeder82's Avatar
feeder82
Safety Car
20 Year Member
Liked
Loved
Top Answer: 1
 
Joined: Mar 2005
Posts: 3,753
Likes: 1,212
From: Wisconsin
Default

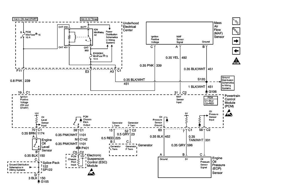
2 very common problems, the fuel gauge gets contaminated and hangs up, techron takes csre of that in most cases. The oil pressure sensors are a common failure also. Replacement isn't difficult. Remove the intake manifold and it's right there. At the top of this forum in the stickies, the DIY page has a thread for oil pressure sensor repair

Last edited by feeder82; Dec 26, 2019 at 06:59 AM.
Reply
Old Dec 26, 2019 | 07:18 AM
  #5  
HaraldV's Avatar
HaraldV
Thread Starter
7th Gear
 
Joined: Dec 2019
Posts: 7
Likes: 1
From: Norway
Default

Thanks for answering :-)
Reply
Old Dec 26, 2019 | 08:19 AM
  #6  
C5 Diag's Avatar
C5 Diag
Moderator, Tech Contributor
Supporting Lifetime Gold
10 Year Member
Veteran: Air Force
Liked
Community Favorite
 
Joined: Sep 2013
Posts: 15,498
Likes: 3,999
From: Cape Coral, Florida
Default

Sometimes with serial data bus issues with key on you'll see the fuel gauge go to zero and the WATER TEMP gauge max out...does the car run normally ??...they should hooked up a scan tool and saw that they couldn't communicate with any module or just the IPC module and that would tell you that there are issues with the serial data bus....when you turn the key on and the gauges go crazy like that and do you get a bunch of DIC messages...low fuel, reduced engine power, service vehicle soon...etc ??...also do your power windows not work ??...without a scope, scan tool, or even a volt meter it's a little difficult to diagnose properly !!...now I'm not saying it is a data bus issue but if you can access the 2 splice packs or star connectors as we call them that are left of the BCM (passengers footwell and pictured) pop off the bus bar or "comb" as we call them and take some sandpaper to the comb teeth and reinstall...see if that helps !!


Last edited by C5 Diag; Dec 26, 2019 at 08:21 AM.
Reply
Old Dec 26, 2019 | 08:54 AM
  #7  
oelarse's Avatar
oelarse
Burning Brakes
Supporting Lifetime
10 Year Member
Liked
Loved
Community Favorite
 
Joined: Jul 2011
Posts: 991
Likes: 306
From: Southern Norway , Europe
Default

Hello Harald , where do you live in Norway ?

I also live in this tiny country up north and also have a 2000 mod auto

Do you have any codes on your DIC ?

Last edited by oelarse; Dec 26, 2019 at 08:57 AM.
Reply
Old Dec 26, 2019 | 09:01 AM
  #8  
C5 Diag's Avatar
C5 Diag
Moderator, Tech Contributor
Supporting Lifetime Gold
10 Year Member
Veteran: Air Force
Liked
Community Favorite
 
Joined: Sep 2013
Posts: 15,498
Likes: 3,999
From: Cape Coral, Florida
Default

oelarse is a good friend and has a lot of diagnostic equipment...hope you live close to him...he can help you out !!
Reply
Corvette Stories

The Best of Corvette for Corvette Enthusiasts

story-0

Top 10 Most Explosive Corvettes Ever Made: Power-to-Weight Ratio Ranked!

 Joe Kucinski
story-1

150 hp to 1,250 hp: Every Corvette Generation Compared by the Specs That Matter

 Joe Kucinski
story-2

8 Coolest Corvette Pace Cars (and Replicas) of All Time

 Verdad Gallardo
story-3

Top 10 Corvette Engines RANKED by Peak Torque (70+ Years of Muscle!)

 Joe Kucinski
story-4

Corvette ZR1X Will Be Pacing the Indy 500, And Could Probably Race, Too!

 Verdad Gallardo
story-5

Top 10 Corvettes Coming to Mecum Indy 2026!

 Brett Foote
story-6

Top 10 C9 Corvette MUST-HAVES to Fix These C8 Generation Flaws!

 Michael S. Palmer
story-7

10 Revolutionary 'Corvette Firsts' Most People Don't Know

 Joe Kucinski
story-8

5 Reasons to Upgrade to an LS6-Powered Corvette; 5 Reasons to Stay LT2

 Michael S. Palmer
story-9

2027 Corvette vs The World: Every C8 vs Its Closest Competitor

 Joe Kucinski
Old Dec 26, 2019 | 09:35 AM
  #9  
HaraldV's Avatar
HaraldV
Thread Starter
7th Gear
 
Joined: Dec 2019
Posts: 7
Likes: 1
From: Norway
Default

Hello, I live in Aalesund. The car was at a GM dealer and they did all kinds of checking but problem not solved. They will try to check through their network, but looks like the People here knows more about this than most dealers.
Haven`t chcked codes after that.

H
Reply
Old Dec 26, 2019 | 09:55 AM
  #10  
C5 Diag's Avatar
C5 Diag
Moderator, Tech Contributor
Supporting Lifetime Gold
10 Year Member
Veteran: Air Force
Liked
Community Favorite
 
Joined: Sep 2013
Posts: 15,498
Likes: 3,999
From: Cape Coral, Florida
Default

YES !!...way more knowledge here than at any GM dealership !!...a few weeks ago I asked a very well known Corvette "expert" here on the East Coast who works at a GM dealership if they do scope and "in cylinder pressure analysis" at their dealership...well, NO ANSWER...chirp...chirp !!...LOL !!
Reply
Old Dec 26, 2019 | 10:07 AM
  #11  
HaraldV's Avatar
HaraldV
Thread Starter
7th Gear
 
Joined: Dec 2019
Posts: 7
Likes: 1
From: Norway
Default

Thanks for asnwering. The car runs just fine. When I start I do not get those Messages you mention. Windows work fine also.
Will check the Connectors. And change the oil pressure sensor. And continue With Techron to see if the fuel-gauge starts to behave more normal With the time.

H
Reply
Old Dec 26, 2019 | 10:18 AM
  #12  
C5 Diag's Avatar
C5 Diag
Moderator, Tech Contributor
Supporting Lifetime Gold
10 Year Member
Veteran: Air Force
Liked
Community Favorite
 
Joined: Sep 2013
Posts: 15,498
Likes: 3,999
From: Cape Coral, Florida
Default

With the fuel gauge AND the oil temp gauge issues happening at the same time I don't think these are 2 separate problems...just my 2 krones !!
Reply
Old Dec 26, 2019 | 10:22 AM
  #13  
HaraldV's Avatar
HaraldV
Thread Starter
7th Gear
 
Joined: Dec 2019
Posts: 7
Likes: 1
From: Norway
Default

I have been asking me the same question. Actually the problem With the fuel-gauge came first. About one month later, the oil-pressure gauge went crazy.
Reply
Old Dec 26, 2019 | 12:16 PM
  #14  
oelarse's Avatar
oelarse
Burning Brakes
Supporting Lifetime
10 Year Member
Liked
Loved
Community Favorite
 
Joined: Jul 2011
Posts: 991
Likes: 306
From: Southern Norway , Europe
Default

You can verify your EOP sensor by checking it's resistance prior to buying a new sensor .Low oil pressure produce a high resistance 100.000 ohm (-38C/-39F) while high pressure causes low resistance (70 ohm 130 C/266F)
This can establish if the sensor or the wiring/Cluster is the problem .


DTC P0522 Engine Oil Pressure Sensor Circuit Low Voltage or DTC P0523 Engine Oil Pressure Sensor Circuit High Voltage


Last edited by oelarse; Dec 26, 2019 at 04:57 PM.
Reply
Old Jan 4, 2020 | 11:12 PM
  #15  
TGstring's Avatar
TGstring
Drifting
15 Year Member
Liked
Loved
Community Favorite
 
Joined: Jun 2008
Posts: 1,333
Likes: 32
From: cruising between USA and Canada... SAVE THE WAVE!
Default

Originally Posted by HaraldV
Question from Norway
I have a Corvette c5 2000 with some instrument issues.
The fuel gauge sometimes droppes from around half tank to zero.. (Moves when I fill it up)
At the same time the oilpressure-gauge goes to full - and stays there.

A local GM dealer have measured the tank-/pump system and everything seem fine. So they believe its the instrument cluster that is the problem but can not solve it.
Anyone?

if it happens to be your guage cluster (and i doubt that it is), I have a metric one for sale, just in case it comes to it.

hope you find a solution to your problem!
Reply

Get notified of new replies

To C5 Instrument issues





All times are GMT -4. The time now is 04:04 PM.

story-0
Top 10 Most Explosive Corvettes Ever Made: Power-to-Weight Ratio Ranked!

Slideshow: The 10 most explosive Corvettes ever built based on power-to-weight ratio.

By Joe Kucinski | 2026-05-20 07:23:03


VIEW MORE
story-1
150 hp to 1,250 hp: Every Corvette Generation Compared by the Specs That Matter

Slideshow: From C1 to C8 we compare every Corvette generation by the numbers.

By Joe Kucinski | 2026-05-12 16:54:12


VIEW MORE
story-2
8 Coolest Corvette Pace Cars (and Replicas) of All Time

Slideshow: Some Corvette pace cars became collectible legends, while others perfectly captured the look and attitude of their era.

By Verdad Gallardo | 2026-05-11 09:50:51


VIEW MORE
story-3
Top 10 Corvette Engines RANKED by Peak Torque (70+ Years of Muscle!)

Slideshow: Ranking the top 10 Corvette engines by torque output.

By Joe Kucinski | 2026-05-05 11:58:09


VIEW MORE
story-4
Corvette ZR1X Will Be Pacing the Indy 500, And Could Probably Race, Too!

Slideshow: A Corvette pace car nearly matching IndyCar speeds sounds exaggerated, until you look at the numbers.

By Verdad Gallardo | 2026-05-04 20:03:36


VIEW MORE
story-5
Top 10 Corvettes Coming to Mecum Indy 2026!

Among a rather large group of them.

By Brett Foote | 2026-05-04 13:56:44


VIEW MORE
story-6
Top 10 C9 Corvette MUST-HAVES to Fix These C8 Generation Flaws!

Slideshow: the top 10 things Corvette owners want in the C9 Corvette

By Michael S. Palmer | 2026-04-30 12:41:15


VIEW MORE
story-7
10 Revolutionary 'Corvette Firsts' Most People Don't Know

Slideshow: 10 Important Corvette 'firsts' that every fan should know.

By Joe Kucinski | 2026-04-29 17:02:16


VIEW MORE
story-8
5 Reasons to Upgrade to an LS6-Powered Corvette; 5 Reasons to Stay LT2

Slideshow: Should you buy a 2020-2026 Corvette or wait for 2027?

By Michael S. Palmer | 2026-04-22 10:08:58


VIEW MORE
story-9
2027 Corvette vs The World: Every C8 vs Its Closest Competitor

Slideshow: 2027 Corvette lineup vs the world.

By Joe Kucinski | 2026-04-24 16:12:42


VIEW MORE