C5 Tech Corvette Tech/Performance: LS1 Corvette Technical Info, Internal Engine, External Engine, Tech Topics, Basic Tech, Maintenance, How to Remove & Replace
Sponsored by:
Sponsored by:

Tachometer gremlins

Thread Tools
 
Search this Thread
 
Old Feb 27, 2021 | 07:54 PM
  #1  
Poobahh's Avatar
Poobahh
Thread Starter
Navigator
 
Joined: Dec 2020
Posts: 9
Likes: 0
Default Tachometer gremlins

I have a tachometer gremlin that is being a PIA. At key on the calibrate mode is normal but the car never registers RPM once started. Previous owner said swapping the pcm did not fix the issue. I do have 5 to 6v on the white IPC wire at key on and 14v when the car is running. I know the signal is being sent because I can read the RPMs with my Bluetooth OBD2 in real time but I CAN NOT find where I am losing the signal.

thanks in advance for any help!

Reply
Old Feb 27, 2021 | 10:19 PM
  #2  
USAZR1's Avatar
USAZR1
Race Director
25 Year Member
Community Builder
Liked
Loved
 
Joined: Jan 2000
Posts: 10,322
Likes: 3,358
From: Central TX
C5 of Year Finalist (appearance mods) 2019
Default

Please post this in C5 Tech, where it belongs.
Reply
Old Feb 27, 2021 | 10:21 PM
  #3  
Vetteman Jack's Avatar
Vetteman Jack
Administrator
Supporting Lifetime
Veteran: Navy
St. Jude 20 Year Donor
25 Year Member
Veteran: Reserves
 
Joined: Mar 2001
Posts: 367,761
Likes: 24,681
From: In a parallel universe. Currently own 2014 Stingray Coupe.
C7 of the Year - Modified Finalist 2021
MO Events Coordinator
St. Jude Co-Organizer
St. Jude Donor '03 thru '25
NCM Sinkhole Donor
CI 5, 8 & 11 Veteran
Default

Moved to C5 Tech.
Reply
Old Feb 28, 2021 | 04:23 PM
  #4  
Poobahh's Avatar
Poobahh
Thread Starter
Navigator
 
Joined: Dec 2020
Posts: 9
Likes: 0
Default

Originally Posted by USAZR1
Please post this in C5 Tech, where it belongs.
sorry I could not figure out how to send it there. Used to using Facebook as a forum but no one there has been able to share experience
Reply
Old Mar 1, 2021 | 12:15 PM
  #5  
grinder11's Avatar
grinder11
Race Director
Liked
Loved
Community Favorite
Top Answer: 1
 
Joined: Oct 2004
Posts: 12,859
Likes: 4,658
Default

Originally Posted by Poobahh
sorry I could not figure out how to send it there. Used to using Facebook as a forum but no one there has been able to share experience
Good you started a new thread. I can't help you, but I'm sure someone can, and will......
Reply
Old Mar 2, 2021 | 12:42 AM
  #6  
Poobahh's Avatar
Poobahh
Thread Starter
Navigator
 
Joined: Dec 2020
Posts: 9
Likes: 0
Default

Originally Posted by grinder11
good you started a new thread. I can't help you, but i'm sure someone can, and will......
👍🏻
Reply
Old Mar 2, 2021 | 09:29 AM
  #7  
robmiz's Avatar
robmiz
Racer
20 Year Member
Active Streak: 30 Days
Active Streak: 60 Days
Liked
 
Joined: Jun 2004
Posts: 270
Likes: 67
From: Montana
Default

What year is your vette?

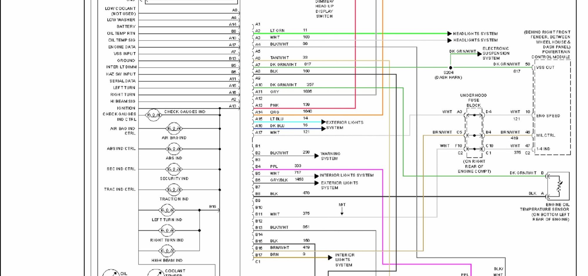
Do you have a HUD? Are you seeing it there? If you do and your seeing there... probably a bad air coil motor or connection issue... not sure...usually when you see a calibration sweep on power up the air coil motor is good and your not getting a signal from PCM.

The white wire on IPC is pin A17 (#121) that the one you are verifying? Looks like there’s a connector under the fuse box you might to look at...

I’m just reaching here but other things you might to look at if everything else checks out: IPC main board there’s center ribbon wire cable that slide into connector and held down by lock, see if that’s secured. On the main board check for any cold solder or corrosion... there are four screw that make the connection and secure the air coil motor to the board are tight...



Here’s the drawing...this is for 2002...



Hope this helps...Good luck.

Last edited by robmiz; Mar 2, 2021 at 09:38 AM.
Reply

Get notified of new replies

To Tachometer gremlins





All times are GMT -4. The time now is 11:40 AM.

story-0
150 hp to 1,250 hp: Every Corvette Generation Compared by the Specs That Matter

Slideshow: From C1 to C8 we compare every Corvette generation by the numbers.

By Joe Kucinski | 2026-05-12 16:54:12


VIEW MORE
story-1
8 Coolest Corvette Pace Cars (and Replicas) of All Time

Slideshow: Some Corvette pace cars became collectible legends, while others perfectly captured the look and attitude of their era.

By Verdad Gallardo | 2026-05-11 09:50:51


VIEW MORE
story-2
Top 10 Corvette Engines RANKED by Peak Torque (70+ Years of Muscle!)

Slideshow: Ranking the top 10 Corvette engines by torque output.

By Joe Kucinski | 2026-05-05 11:58:09


VIEW MORE
story-3
Corvette ZR1X Will Be Pacing the Indy 500, And Could Probably Race, Too!

Slideshow: A Corvette pace car nearly matching IndyCar speeds sounds exaggerated, until you look at the numbers.

By Verdad Gallardo | 2026-05-04 20:03:36


VIEW MORE
story-4
Top 10 Corvettes Coming to Mecum Indy 2026!

Among a rather large group of them.

By Brett Foote | 2026-05-04 13:56:44


VIEW MORE
story-5
Top 10 C9 Corvette MUST-HAVES to Fix These C8 Generation Flaws!

Slideshow: the top 10 things Corvette owners want in the C9 Corvette

By Michael S. Palmer | 2026-04-30 12:41:15


VIEW MORE
story-6
10 Revolutionary 'Corvette Firsts' Most People Don't Know

Slideshow: 10 Important Corvette 'firsts' that every fan should know.

By Joe Kucinski | 2026-04-29 17:02:16


VIEW MORE
story-7
5 Reasons to Upgrade to an LS6-Powered Corvette; 5 Reasons to Stay LT2

Slideshow: Should you buy a 2020-2026 Corvette or wait for 2027?

By Michael S. Palmer | 2026-04-22 10:08:58


VIEW MORE
story-8
2027 Corvette vs The World: Every C8 vs Its Closest Competitor

Slideshow: 2027 Corvette lineup vs the world.

By Joe Kucinski | 2026-04-24 16:12:42


VIEW MORE
story-9
10 Most Common Corvette Problems of the Last 20 Years!

Slideshow: 10 major Corvette problems from the last 20 years.

By Joe Kucinski | 2026-04-14 16:37:05


VIEW MORE