C5 Tech Corvette Tech/Performance: LS1 Corvette Technical Info, Internal Engine, External Engine, Tech Topics, Basic Tech, Maintenance, How to Remove & Replace
Sponsored by:
Sponsored by:

Starting issues

Thread Tools
 
Search this Thread
 
Old May 16, 2021 | 03:13 PM
  #1  
tkw's Avatar
tkw
Thread Starter
Cruising
 
Joined: May 2021
Posts: 14
Likes: 2
Default Starting issues

I have a 2000 Corvette automatic that will not start from the key. I have replaced the starter and ignition switch. When you turn the key to start all lights go off and will not crank. I can jump power over to the #14 fuse in the kick panel floorboard and it will start. Any ideas or help would be great
Reply
Old May 16, 2021 | 03:24 PM
  #2  
C5 Diag's Avatar
C5 Diag
Moderator, Tech Contributor
Supporting Lifetime Gold
10 Year Member
Veteran: Air Force
Liked
Community Favorite
 
Joined: Sep 2013
Posts: 15,435
Likes: 3,981
From: Cape Coral, Florida
Default

Did you check fuse 50 ??...that supplies power to the switch !!
Reply
Old May 16, 2021 | 03:42 PM
  #3  
tkw's Avatar
tkw
Thread Starter
Cruising
 
Joined: May 2021
Posts: 14
Likes: 2
Default

Is fuse 50 in the fuse box in the passenger floor board or the fuse box under the hood? I am pretty sure I checked it with a test light but I will check it again to make certain.
thanks
Reply
Old May 16, 2021 | 03:46 PM
  #4  
C5 Diag's Avatar
C5 Diag
Moderator, Tech Contributor
Supporting Lifetime Gold
10 Year Member
Veteran: Air Force
Liked
Community Favorite
 
Joined: Sep 2013
Posts: 15,435
Likes: 3,981
From: Cape Coral, Florida
Default

Yes, it’s in the IP fusebox !!...let us know what you find !!
Reply
Old May 16, 2021 | 04:06 PM
  #5  
tkw's Avatar
tkw
Thread Starter
Cruising
 
Joined: May 2021
Posts: 14
Likes: 2
Default

Yes I have power to fuse 50, 12.25 volts on both sides of the fuse
Reply
Old May 16, 2021 | 04:22 PM
  #6  
C5 Diag's Avatar
C5 Diag
Moderator, Tech Contributor
Supporting Lifetime Gold
10 Year Member
Veteran: Air Force
Liked
Community Favorite
 
Joined: Sep 2013
Posts: 15,435
Likes: 3,981
From: Cape Coral, Florida
Default

If you remove fuse 14 and turn ignition switch to start do you see 12 volts on one of the fuse terminals in the fusebox ??...just want to make sure 12 volts is getting down to the fuse...did you install an OEM switch and made sure the ignition switch connector is fully seated ??
Reply
Old May 16, 2021 | 04:28 PM
  #7  
tkw's Avatar
tkw
Thread Starter
Cruising
 
Joined: May 2021
Posts: 14
Likes: 2
Default

I am not getting 12 volts to fuse 14, I can take a jumper wire and put voltage on it and the car will crank/start. I replaced with an AC Delco ignition switch.
The original problem was sometimes the car would start from the switch and sometimes it would not intermittently
Reply
Old May 16, 2021 | 04:38 PM
  #8  
C5 Diag's Avatar
C5 Diag
Moderator, Tech Contributor
Supporting Lifetime Gold
10 Year Member
Veteran: Air Force
Liked
Community Favorite
 
Joined: Sep 2013
Posts: 15,435
Likes: 3,981
From: Cape Coral, Florida
Default

Looks like you’ll have to work upstream from fuse 14 to fuse 50 !!...you may have to remove the ignition switch and see what you have coming into it and going out !!

Last edited by C5 Diag; May 16, 2021 at 04:39 PM.
Reply
Corvette Stories

The Best of Corvette for Corvette Enthusiasts

story-0

150 hp to 1,250 hp: Every Corvette Generation Compared by the Specs That Matter

 Joe Kucinski
story-1

8 Coolest Corvette Pace Cars (and Replicas) of All Time

 Verdad Gallardo
story-2

Top 10 Corvette Engines RANKED by Peak Torque (70+ Years of Muscle!)

 Joe Kucinski
story-3

Corvette ZR1X Will Be Pacing the Indy 500, And Could Probably Race, Too!

 Verdad Gallardo
story-4

Top 10 Corvettes Coming to Mecum Indy 2026!

 Brett Foote
story-5

Top 10 C9 Corvette MUST-HAVES to Fix These C8 Generation Flaws!

 Michael S. Palmer
story-6

10 Revolutionary 'Corvette Firsts' Most People Don't Know

 Joe Kucinski
story-7

5 Reasons to Upgrade to an LS6-Powered Corvette; 5 Reasons to Stay LT2

 Michael S. Palmer
story-8

2027 Corvette vs The World: Every C8 vs Its Closest Competitor

 Joe Kucinski
story-9

10 Most Common Corvette Problems of the Last 20 Years!

 Joe Kucinski
Old May 16, 2021 | 04:48 PM
  #9  
tkw's Avatar
tkw
Thread Starter
Cruising
 
Joined: May 2021
Posts: 14
Likes: 2
Default

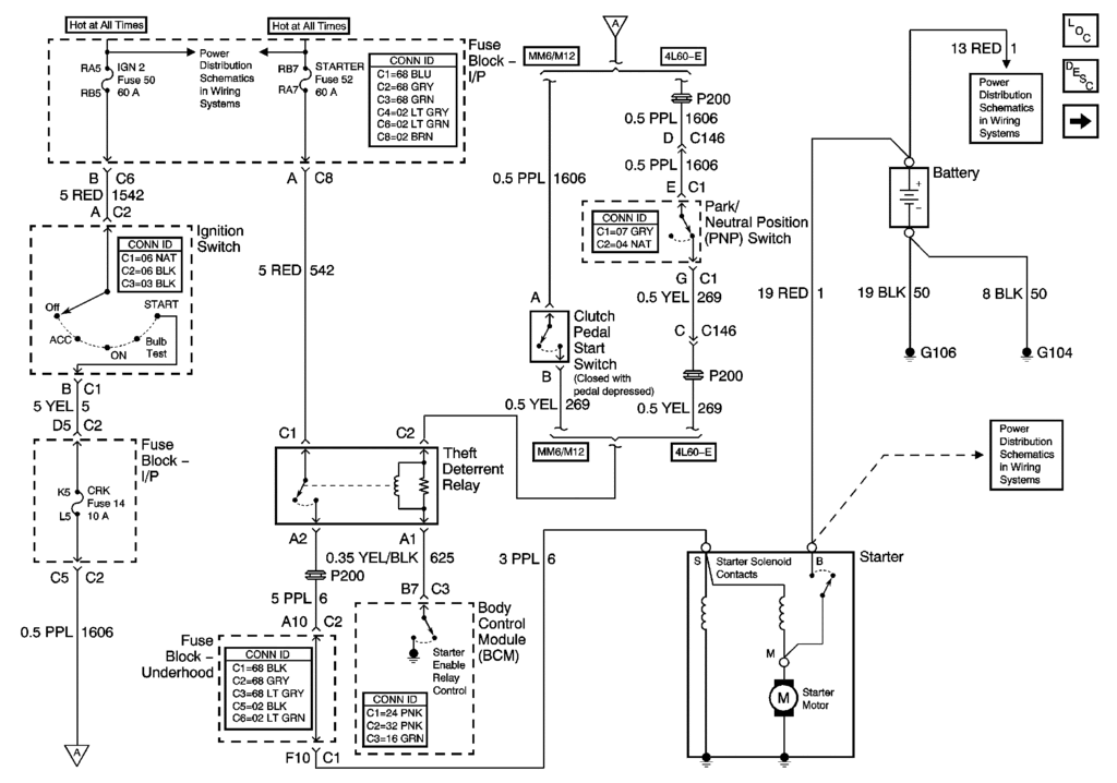
Okay. Thanks for your help/time and the wiring schematic
Reply
Old May 16, 2021 | 06:12 PM
  #10  
C5 Diag's Avatar
C5 Diag
Moderator, Tech Contributor
Supporting Lifetime Gold
10 Year Member
Veteran: Air Force
Liked
Community Favorite
 
Joined: Sep 2013
Posts: 15,435
Likes: 3,981
From: Cape Coral, Florida
Default

Let us know what you find !!
Reply
Old May 17, 2021 | 09:02 PM
  #11  
tkw's Avatar
tkw
Thread Starter
Cruising
 
Joined: May 2021
Posts: 14
Likes: 2
Default

Originally Posted by C5 Diag
Let us know what you find !!
I am getting voltage at fuse 14 with the ignition in start position but starter still will not crank. Security light flashing on/off
Reply
Old May 17, 2021 | 09:42 PM
  #12  
C5 Diag's Avatar
C5 Diag
Moderator, Tech Contributor
Supporting Lifetime Gold
10 Year Member
Veteran: Air Force
Liked
Community Favorite
 
Joined: Sep 2013
Posts: 15,435
Likes: 3,981
From: Cape Coral, Florida
Default

You're not able to jump the # 14 fuse as you had done previously to get it to start ??...after putting the key into the ignition and turning it to on the security light should go out in about 3 seconds...can you try another key or maybe clean the key you've been using with some alcohol ??
Reply
Old May 17, 2021 | 09:59 PM
  #13  
tkw's Avatar
tkw
Thread Starter
Cruising
 
Joined: May 2021
Posts: 14
Likes: 2
Default

I will try that next. I do recall after replacing the starter it did give me a message about reinsert the key after I put the battery cable back on.
Reply

Get notified of new replies

To Starting issues





All times are GMT -4. The time now is 08:33 AM.

story-0
150 hp to 1,250 hp: Every Corvette Generation Compared by the Specs That Matter

Slideshow: From C1 to C8 we compare every Corvette generation by the numbers.

By Joe Kucinski | 2026-05-12 16:54:12


VIEW MORE
story-1
8 Coolest Corvette Pace Cars (and Replicas) of All Time

Slideshow: Some Corvette pace cars became collectible legends, while others perfectly captured the look and attitude of their era.

By Verdad Gallardo | 2026-05-11 09:50:51


VIEW MORE
story-2
Top 10 Corvette Engines RANKED by Peak Torque (70+ Years of Muscle!)

Slideshow: Ranking the top 10 Corvette engines by torque output.

By Joe Kucinski | 2026-05-05 11:58:09


VIEW MORE
story-3
Corvette ZR1X Will Be Pacing the Indy 500, And Could Probably Race, Too!

Slideshow: A Corvette pace car nearly matching IndyCar speeds sounds exaggerated, until you look at the numbers.

By Verdad Gallardo | 2026-05-04 20:03:36


VIEW MORE
story-4
Top 10 Corvettes Coming to Mecum Indy 2026!

Among a rather large group of them.

By Brett Foote | 2026-05-04 13:56:44


VIEW MORE
story-5
Top 10 C9 Corvette MUST-HAVES to Fix These C8 Generation Flaws!

Slideshow: the top 10 things Corvette owners want in the C9 Corvette

By Michael S. Palmer | 2026-04-30 12:41:15


VIEW MORE
story-6
10 Revolutionary 'Corvette Firsts' Most People Don't Know

Slideshow: 10 Important Corvette 'firsts' that every fan should know.

By Joe Kucinski | 2026-04-29 17:02:16


VIEW MORE
story-7
5 Reasons to Upgrade to an LS6-Powered Corvette; 5 Reasons to Stay LT2

Slideshow: Should you buy a 2020-2026 Corvette or wait for 2027?

By Michael S. Palmer | 2026-04-22 10:08:58


VIEW MORE
story-8
2027 Corvette vs The World: Every C8 vs Its Closest Competitor

Slideshow: 2027 Corvette lineup vs the world.

By Joe Kucinski | 2026-04-24 16:12:42


VIEW MORE
story-9
10 Most Common Corvette Problems of the Last 20 Years!

Slideshow: 10 major Corvette problems from the last 20 years.

By Joe Kucinski | 2026-04-14 16:37:05


VIEW MORE