C5 Tech Corvette Tech/Performance: LS1 Corvette Technical Info, Internal Engine, External Engine, Tech Topics, Basic Tech, Maintenance, How to Remove & Replace
Sponsored by:
Sponsored by:

2004 ebcm question

Thread Tools
 
Search this Thread
 
Old Aug 1, 2023 | 08:01 PM
  #1  
vinco's Avatar
vinco
Thread Starter
Pro
Liked
Loved
Community Favorite
Top Answer: 1
 
Joined: Dec 2021
Posts: 547
Likes: 230
Default 2004 ebcm question

I have removed my ebcm and redone the solder on several points that looked bad. I would like to put it back on the car and test it quickly before I silicone it back up and put it all back together permanently. My question is do I actually have to start the engine to make the ebcm initialize and go through its cycle and turn off the dash lights? The driver's side front accessories are not currently installed, and the intake manifold is not on there either. So can I just hook up the battery, pull the fuel pump relay, and turn on the key? And then if the abs and tc lights don't come on, then I'm GTG?
Reply
Old Aug 5, 2023 | 12:34 PM
  #2  
vinco's Avatar
vinco
Thread Starter
Pro
Liked
Loved
Community Favorite
Top Answer: 1
 
Joined: Dec 2021
Posts: 547
Likes: 230
Default

I guess I'll answer my own question for the record. Yes, it works.

I finished up the soldering job last night and put the module back in the aluminum case without sealing it. I then took it out to the car and installed it with 3 screws. I removed the fuel pump relay, and I made sure the alternator wires were well protected. Then I hooked up the battery and went and turned the key to on. Frustratingly, the ABS and TC lights were still shining brightly. So I unhooked the battery and walked away from it.

When I woke up this morning, drinking coffee, I remembered that I hadn't actually plugged the wires back into the EBCM. DOH!!! So I went back out, plugged them in, hooked up the battery, and turned on the key. Voila!!! No ABS/TC lights!!! It's fixed!!!
Reply
Old Aug 6, 2023 | 11:38 AM
  #3  
wgm1993's Avatar
wgm1993
Advanced
 
Joined: Aug 2019
Posts: 71
Likes: 8
Default

what codes were you getting?? i did the resolder job as well and i’m still getting no comms to TCS
Reply
Old Aug 6, 2023 | 11:55 AM
  #4  
C5 Diag's Avatar
C5 Diag
Moderator, Tech Contributor
Supporting Lifetime Gold
10 Year Member
Veteran: Air Force
Liked
Community Favorite
 
Joined: Sep 2013
Posts: 15,319
Likes: 3,927
From: Cape Coral, Florida
Default

Originally Posted by wgm1993
what codes were you getting?? i did the resolder job as well and i’m still getting no comms to TCS
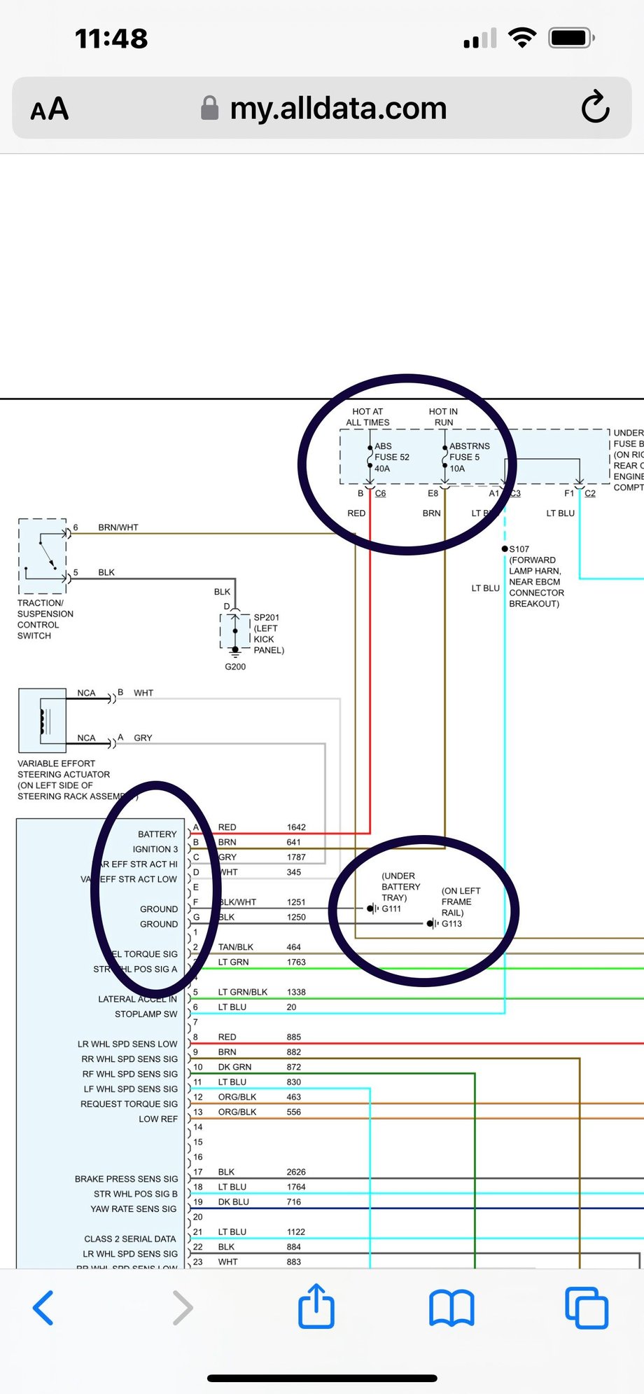
If you are getting a “no comm” to the EBCM the FIRST thing you want to check is power and grounds to the EBCM…there is a “battery” feed and an “ignition” feed…if you have a 12 volt test light you can check both power and grounds !!…pins A,B,F, and G…to check the 2 grounds connect test light to B+ and if test light is bright probing both ground wires the grounds are good.




Reply
Old Aug 6, 2023 | 03:36 PM
  #5  
wgm1993's Avatar
wgm1993
Advanced
 
Joined: Aug 2019
Posts: 71
Likes: 8
Default

Originally Posted by C5 Diag
If you are getting a “no comm” to the EBCM the FIRST thing you want to check is power and grounds to the EBCM…there is a “battery” feed and an “ignition” feed…if you have a 12 volt test light you can check both power and grounds !!…pins A,B,F, and G…to check the 2 grounds connect test light to B+ and if test light is bright probing both ground wires the grounds are good.



I’ve confirmed both power and ground with a test probe. Still getting no comms
Reply
Old Aug 6, 2023 | 03:48 PM
  #6  
C5 Diag's Avatar
C5 Diag
Moderator, Tech Contributor
Supporting Lifetime Gold
10 Year Member
Veteran: Air Force
Liked
Community Favorite
 
Joined: Sep 2013
Posts: 15,319
Likes: 3,927
From: Cape Coral, Florida
Default

Do you know where the 2 splice packs that are near the BCM ??…remove the “comb” from the splice pack and clean the comb with some emery cloth…pin E is a light blue wire and if there is oxyidation on that comb for pin E the scan tool will not be able to communicate with the EBCM !!




Reply
Old Aug 6, 2023 | 04:50 PM
  #7  
wgm1993's Avatar
wgm1993
Advanced
 
Joined: Aug 2019
Posts: 71
Likes: 8
Default

Originally Posted by C5 Diag
Do you know where the 2 splice packs that are near the BCM ??…remove the “comb” from the splice pack and clean the comb with some emery cloth…pin E is a light blue wire and if there is oxyidation on that comb for pin E the scan tool will not be able to communicate with the EBCM !!



Just tried it, no change
Reply
Old Aug 6, 2023 | 04:51 PM
  #8  
C5 Diag's Avatar
C5 Diag
Moderator, Tech Contributor
Supporting Lifetime Gold
10 Year Member
Veteran: Air Force
Liked
Community Favorite
 
Joined: Sep 2013
Posts: 15,319
Likes: 3,927
From: Cape Coral, Florida
Default

Originally Posted by wgm1993
Just tried it, no change
If you checked everything properly it’s probably just a bad EBCM.
Reply

Get notified of new replies

To 2004 ebcm question

Corvette Stories

The Best of Corvette for Corvette Enthusiasts

story-0

5 Reasons to Upgrade to an LS6-Powered Corvette; 5 Reasons to Stay LT2

 Michael S. Palmer
story-1

2027 Corvette vs The World: Every Model vs Closest Competitor

 Joe Kucinski
story-2

10 Most Common Corvette Problems of the Last 20 Years!

 Joe Kucinski
story-3

5 MOST and 5 LEAST Popular Corvette Model Years in History!

 Joe Kucinski
story-4

2027 Corvette Buyer's Guide: Everything You Need to Know!

 Joe Kucinski
story-5

10 Things C8 Corvette Owners Hate (But Won't Tell You)

 Joe Kucinski
story-6

10 Best Corvettes Coming to Barrett-Jackson Palm Beach 2026!

 Brett Foote
story-7

Every Corvette Grand Sport Explained! (C2, C4, C6, C7, & C8)

 Joe Kucinski
story-8

Grand Sport & Grand Sport X Launch Alongside All-New 535hp LS6 V8!

 Michael S. Palmer
story-9

5 Reasons Bad Drivers Crash & 5 Ways to Avoid a Costly Mistake!

 Joe Kucinski




All times are GMT -4. The time now is 05:55 AM.

story-0
5 Reasons to Upgrade to an LS6-Powered Corvette; 5 Reasons to Stay LT2

Slideshow: Should you buy a 2020-2026 Corvette or wait for 2027?

By Michael S. Palmer | 2026-04-22 10:08:58


VIEW MORE
story-1
2027 Corvette vs The World: Every Model vs Closest Competitor

Slideshow: 2027 Corvette lineup vs the world.

By Joe Kucinski | 2026-04-20 17:58:41


VIEW MORE
story-2
10 Most Common Corvette Problems of the Last 20 Years!

Slideshow: 10 major Corvette problems from the last 20 years.

By Joe Kucinski | 2026-04-14 16:37:05


VIEW MORE
story-3
5 MOST and 5 LEAST Popular Corvette Model Years in History!

Slideshow: 5 most and least popular Corvette model years.

By Joe Kucinski | 2026-04-08 13:25:01


VIEW MORE
story-4
2027 Corvette Buyer's Guide: Everything You Need to Know!

Slideshow: 2027 Corvette buyer's guide

By Joe Kucinski | 2026-04-17 16:41:08


VIEW MORE
story-5
10 Things C8 Corvette Owners Hate (But Won't Tell You)

Slideshow: 10 things C8 Corvette owners hate, but won't tell you.

By Joe Kucinski | 2026-04-01 18:36:07


VIEW MORE
story-6
10 Best Corvettes Coming to Barrett-Jackson Palm Beach 2026!

Slideshow: Should you add one of these incredible Corvettes to your garage?

By Brett Foote | 2026-04-01 18:14:05


VIEW MORE
story-7
Every Corvette Grand Sport Explained! (C2, C4, C6, C7, & C8)

Slideshow: Every Corvette Grand Sport explained

By Joe Kucinski | 2026-03-26 07:13:44


VIEW MORE
story-8
Grand Sport & Grand Sport X Launch Alongside All-New 535hp LS6 V8!

Slideshow: Breaking down the 2027 Grand Sport, Grand Sport X, Stingray, and LS6 V8.

By Michael S. Palmer | 2026-03-26 13:48:45


VIEW MORE
story-9
5 Reasons Bad Drivers Crash & 5 Ways to Avoid a Costly Mistake!

Slideshow: 5 reasons bad drivers crash sports cars & 5 ways to avoid a costly shame!

By Joe Kucinski | 2026-03-25 16:32:55


VIEW MORE