C5 Tech Corvette Tech/Performance: LS1 Corvette Technical Info, Internal Engine, External Engine, Tech Topics, Basic Tech, Maintenance, How to Remove & Replace
Sponsored by:
Sponsored by:

Battery cable question

Thread Tools
 
Search this Thread
 
Old Jan 13, 2025 | 07:49 PM
  #1  
99FRC Newb's Avatar
99FRC Newb
Thread Starter
Melting Slicks
15 Year Member
Veteran: Army
Community Favorite
Top Answer: 1
 
Joined: Aug 2007
Posts: 2,583
Likes: 415
From: Erwin, NC
Default Battery cable question

Hi everyone!

I’m replacing the connectors on the end of the wire and I noticed there is a thick cable and a thinner cable on positive and on negative.

What are the thinner wires for?

If you know what gauge these wires are supposed to be, please share!

Thank you in advance!
Reply
Old Jan 14, 2025 | 08:06 AM
  #2  
Vetteman Jack's Avatar
Vetteman Jack
Administrator
Supporting Lifetime
Veteran: Navy
St. Jude 20 Year Donor
25 Year Member
Veteran: Reserves
 
Joined: Mar 2001
Posts: 367,763
Likes: 24,683
From: In a parallel universe. Currently own 2014 Stingray Coupe.
C7 of the Year - Modified Finalist 2021
MO Events Coordinator
St. Jude Co-Organizer
St. Jude Donor '03 thru '25
NCM Sinkhole Donor
CI 5, 8 & 11 Veteran
Default

Moved to C5 Tech.
Reply
Old Jan 14, 2025 | 09:56 AM
  #3  
lucky131969's Avatar
lucky131969
Tech Contributor
15 Year Member
Active Streak: 30 Days
Community Builder
Liked
 
Joined: Jan 2007
Posts: 19,359
Likes: 1,127
From: Dyer, IN
Default

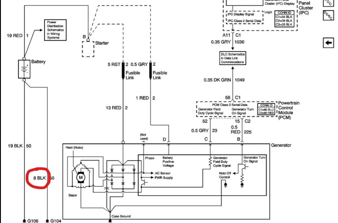
Positive cable - Starter and Underhood electrical center
Negative cable - Block above starter (G106) and frame (G104)


Your service manual has a table that explains wire sizes in detail...located in "Wiring Systems"

The schematics will show text on both sides of a wire.
Left side of wire is size and color
Right side of wire is circuit number.


Last edited by lucky131969; Jan 14, 2025 at 10:34 AM.
Reply
Old Jan 14, 2025 | 11:44 AM
  #4  
99FRC Newb's Avatar
99FRC Newb
Thread Starter
Melting Slicks
15 Year Member
Veteran: Army
Community Favorite
Top Answer: 1
 
Joined: Aug 2007
Posts: 2,583
Likes: 415
From: Erwin, NC
Default

Originally Posted by lucky131969
Positive cable - Starter and Underhood electrical center
Negative cable - Block above starter (G106) and frame (G104)


Your service manual has a table that explains wire sizes in detail...located in "Wiring Systems"

The schematics will show text on both sides of a wire.
Left side of wire is size and color
Right side of wire is circuit number.

Thank you!
Reply
Old Jan 15, 2025 | 11:27 PM
  #5  
redzg's Avatar
redzg
Safety Car
Liked
Loved
Community Favorite
Top Answer: 1
 
Joined: Mar 2017
Posts: 3,762
Likes: 937
From: Orlando Florida
Default

How extremely handy to know!
Reply
Old Jan 16, 2025 | 07:34 AM
  #6  
lucky131969's Avatar
lucky131969
Tech Contributor
15 Year Member
Active Streak: 30 Days
Community Builder
Liked
 
Joined: Jan 2007
Posts: 19,359
Likes: 1,127
From: Dyer, IN
Default


Reply

Get notified of new replies

To Battery cable question





All times are GMT -4. The time now is 08:00 PM.

story-0
150 hp to 1,250 hp: Every Corvette Generation Compared by the Specs That Matter

Slideshow: From C1 to C8 we compare every Corvette generation by the numbers.

By Joe Kucinski | 2026-05-12 16:54:12


VIEW MORE
story-1
8 Coolest Corvette Pace Cars (and Replicas) of All Time

Slideshow: Some Corvette pace cars became collectible legends, while others perfectly captured the look and attitude of their era.

By Verdad Gallardo | 2026-05-11 09:50:51


VIEW MORE
story-2
Top 10 Corvette Engines RANKED by Peak Torque (70+ Years of Muscle!)

Slideshow: Ranking the top 10 Corvette engines by torque output.

By Joe Kucinski | 2026-05-05 11:58:09


VIEW MORE
story-3
Corvette ZR1X Will Be Pacing the Indy 500, And Could Probably Race, Too!

Slideshow: A Corvette pace car nearly matching IndyCar speeds sounds exaggerated, until you look at the numbers.

By Verdad Gallardo | 2026-05-04 20:03:36


VIEW MORE
story-4
Top 10 Corvettes Coming to Mecum Indy 2026!

Among a rather large group of them.

By Brett Foote | 2026-05-04 13:56:44


VIEW MORE
story-5
Top 10 C9 Corvette MUST-HAVES to Fix These C8 Generation Flaws!

Slideshow: the top 10 things Corvette owners want in the C9 Corvette

By Michael S. Palmer | 2026-04-30 12:41:15


VIEW MORE
story-6
10 Revolutionary 'Corvette Firsts' Most People Don't Know

Slideshow: 10 Important Corvette 'firsts' that every fan should know.

By Joe Kucinski | 2026-04-29 17:02:16


VIEW MORE
story-7
5 Reasons to Upgrade to an LS6-Powered Corvette; 5 Reasons to Stay LT2

Slideshow: Should you buy a 2020-2026 Corvette or wait for 2027?

By Michael S. Palmer | 2026-04-22 10:08:58


VIEW MORE
story-8
2027 Corvette vs The World: Every C8 vs Its Closest Competitor

Slideshow: 2027 Corvette lineup vs the world.

By Joe Kucinski | 2026-04-24 16:12:42


VIEW MORE
story-9
10 Most Common Corvette Problems of the Last 20 Years!

Slideshow: 10 major Corvette problems from the last 20 years.

By Joe Kucinski | 2026-04-14 16:37:05


VIEW MORE