C7 Tech/Performance Corvette Technical Info, Internal Engine, External Engine, Tech Topics, Basic Tech, Maintenance, How to Remove & Replace
Sponsored by:
Sponsored by:

Window switch did not solve problem.

Thread Tools
 
Search this Thread
 
Old May 24, 2023 | 08:07 PM
  #1  
Prodago's Avatar
Prodago
Thread Starter
Burning Brakes
20 Year Member
 
Joined: Jan 2001
Posts: 847
Likes: 9
From: Beaumont Tx
Default Window switch did not solve problem.

The negative has been disconnected a couple of times due to all the working on the AC compressor. The windows are working perfectly one minute and then the driver side stopped. I bought a new switch , I have checked all the fuses in the rear fuse box as well as in the front under the hood. The window did not show any sign of motor problems before it stopped working. So before I change the motor out, can anyone think of anything else that I might possibly do? I have also switched the 30 amp fuse in position #1 with the one next to it to no avail. 😖

Last edited by Prodago; May 24, 2023 at 09:02 PM.
Reply
Old May 24, 2023 | 10:34 PM
  #2  
RonC7's Avatar
RonC7
Safety Car
10 Year Member
Liked
Loved
Community Favorite
 
Joined: Dec 2012
Posts: 3,812
Likes: 1,839
From: St. Louis Metro East IL
Default

I would do one last 30 min battery disconnect just to be sure. Free and easy.

Does the outside mirror adjust? Does the door switch light up? Should act the same as passenger door switch. If so, this may confirm any wiring, fuse, and connectors are good.

It would be nice to read the codes before just throwing parts at the problem. Don't know if an auto parts store can read these:

DTC B316B or B317A Driver/Passenger Window Switch
DTC B3205 or B3210 Driver/Passenger Window Motor

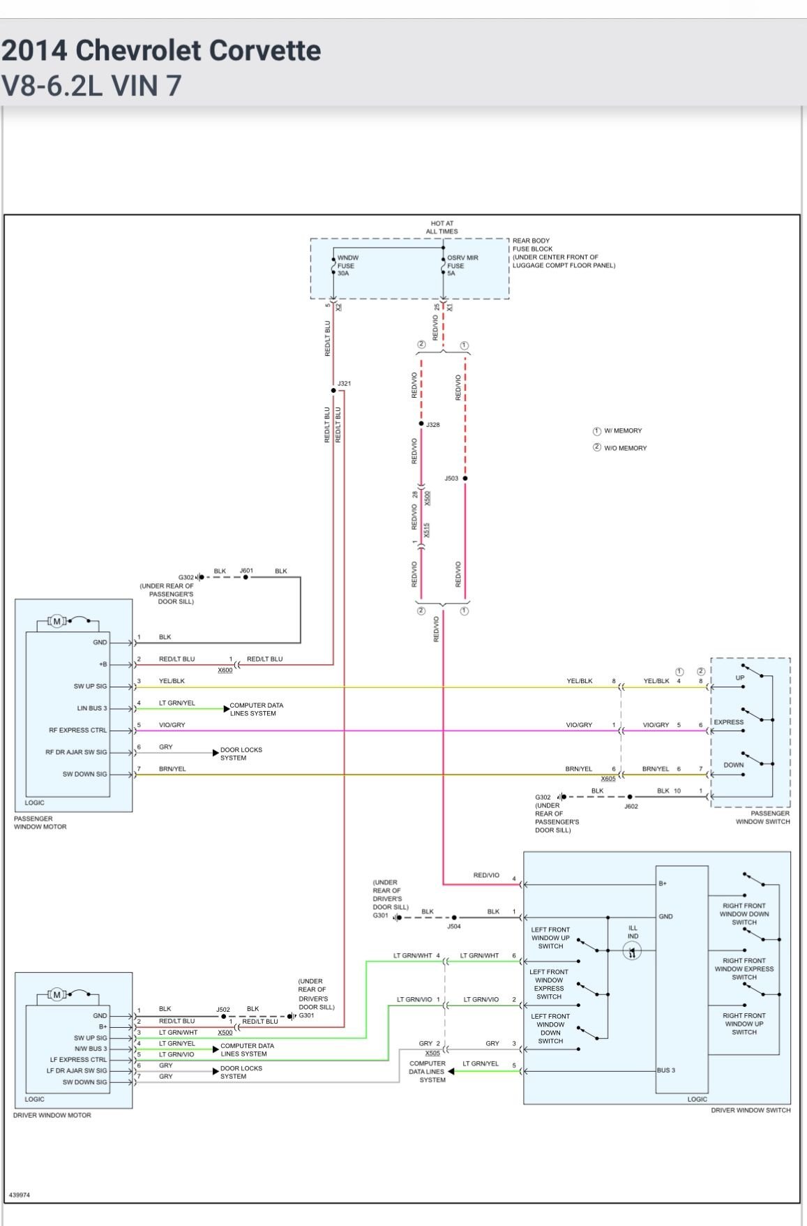
See the attached window schematics. It is not as simple as voltage / ground through the switch operates the window motor - there is some kind of logic module involved.

GL

Ron


Attached Images
File Type: pdf
Window schematics.pdf (131.6 KB, 182 views)
Reply
Old May 24, 2023 | 10:54 PM
  #3  
Prodago's Avatar
Prodago
Thread Starter
Burning Brakes
20 Year Member
 
Joined: Jan 2001
Posts: 847
Likes: 9
From: Beaumont Tx
Default

Originally Posted by RonC7
I would do one last 30 min battery disconnect just to be sure. Free and easy.

Does the outside mirror adjust? Does the door switch light up? Should act the same as passenger door switch. If so, this may confirm any wiring, fuse, and connectors are good.

It would be nice to read the codes before just throwing parts at the problem. Don't know if an auto parts store can read these:

DTC B316B or B317A Driver/Passenger Window Switch
DTC B3205 or B3210 Driver/Passenger Window Motor

See the attached window schematics. It is not as simple as voltage / ground through the switch operates the window motor - there is some kind of logic module involved.

GL

Ron
Wow thanks Ron!!
Reply
Old May 24, 2023 | 11:01 PM
  #4  
laserdude2215's Avatar
laserdude2215
Burning Brakes
Photogenic
Liked
Top Answer: 1
Top Answer: 3
 
Joined: Nov 2016
Posts: 1,188
Likes: 436
From: San Dimas CA
Default

When the driver side window stops working, can you control the passenger side window from the driver switch? If yes, then my guess would be the motor.
Reply
Old May 25, 2023 | 06:52 PM
  #5  
Prodago's Avatar
Prodago
Thread Starter
Burning Brakes
20 Year Member
 
Joined: Jan 2001
Posts: 847
Likes: 9
From: Beaumont Tx
Default

Originally Posted by laserdude2215
When the driver side window stops working, can you control the passenger side window from the driver switch? If yes, then my guess would be the motor.
my dude,
That is EXACTLY what is occurring
Reply
Old May 27, 2023 | 08:04 AM
  #6  
C5 Diag's Avatar
C5 Diag
Moderator, Tech Contributor
Supporting Lifetime Gold
10 Year Member
Veteran: Air Force
Liked
Community Favorite
 
Joined: Sep 2013
Posts: 15,308
Likes: 3,924
From: Cape Coral, Florida
Default

Here is the redrawn OE wiring..a little easier to interpret !!..all you need is a 12 volt INCANDESCENT test light (not LED) to diagnose…before jumping to conclusions and replacing the motor I would check the ground…G301…access the motor connector and unplug it and take your test light connected to power probe the black wire terminal…if ground is good the test light should be bright…you will have to remove some trim to access the ground.




Last edited by C5 Diag; May 27, 2023 at 09:27 AM.
Reply
Old May 28, 2023 | 06:00 PM
  #7  
Prodago's Avatar
Prodago
Thread Starter
Burning Brakes
20 Year Member
 
Joined: Jan 2001
Posts: 847
Likes: 9
From: Beaumont Tx
Default Thanks

Originally Posted by C5 Diag
Here is the redrawn OE wiring..a little easier to interpret !!..all you need is a 12 volt INCANDESCENT test light (not LED) to diagnose…before jumping to conclusions and replacing the motor I would check the ground…G301…access the motor connector and unplug it and take your test light connected to power probe the black wire terminal…if ground is good the test light should be bright…you will have to remove some trim to access the ground.


https://youtu.be/6zZU-IMcl5M

this is awesome! Thx
Reply

Get notified of new replies

To Window switch did not solve problem.





All times are GMT -4. The time now is 08:45 AM.

story-0
2027 Corvette vs The World: Every Model vs Closest Competitor

Slideshow: 2027 Corvette lineup vs the world.

By Joe Kucinski | 2026-04-20 17:58:41


VIEW MORE
story-1
10 Most Common Corvette Problems of the Last 20 Years!

Slideshow: 10 major Corvette problems from the last 20 years.

By Joe Kucinski | 2026-04-14 16:37:05


VIEW MORE
story-2
5 MOST and 5 LEAST Popular Corvette Model Years in History!

Slideshow: 5 most and least popular Corvette model years.

By Joe Kucinski | 2026-04-08 13:25:01


VIEW MORE
story-3
2027 Corvette Buyer's Guide: Everything You Need to Know!

Slideshow: 2027 Corvette buyer's guide

By Joe Kucinski | 2026-04-17 16:41:08


VIEW MORE
story-4
10 Things C8 Corvette Owners Hate (But Won't Tell You)

Slideshow: 10 things C8 Corvette owners hate, but won't tell you.

By Joe Kucinski | 2026-04-01 18:36:07


VIEW MORE
story-5
10 Best Corvettes Coming to Barrett-Jackson Palm Beach 2026!

Slideshow: Should you add one of these incredible Corvettes to your garage?

By Brett Foote | 2026-04-01 18:14:05


VIEW MORE
story-6
Every Corvette Grand Sport Explained! (C2, C4, C6, C7, & C8)

Slideshow: Every Corvette Grand Sport explained

By Joe Kucinski | 2026-03-26 07:13:44


VIEW MORE
story-7
Grand Sport & Grand Sport X Launch Alongside All-New 535hp LS6 V8!

Slideshow: Breaking down the 2027 Grand Sport, Grand Sport X, Stingray, and LS6 V8.

By Michael S. Palmer | 2026-03-26 13:48:45


VIEW MORE
story-8
5 Reasons Bad Drivers Crash & 5 Ways to Avoid a Costly Mistake!

Slideshow: 5 reasons bad drivers crash sports cars & 5 ways to avoid a costly shame!

By Joe Kucinski | 2026-03-25 16:32:55


VIEW MORE
story-9
7 Bolt-On Upgrades From Extreme Online Store to Level Up Your C6 Corvette

Slideshow: Check out these easy-to-install upgrades from Extreme Online Store that reshape the look and feel of the C6 Corvette.

By Pouria Savadkouei | 2026-03-23 17:00:27


VIEW MORE