C3 General General C3 Corvette Discussion not covered in Tech
Sponsored by:
Sponsored by:

4 speed trans mount

Thread Tools
 
Search this Thread
 
Old Jun 25, 2021 | 03:56 PM
  #1  
F2 Speedy's Avatar
F2 Speedy
Thread Starter
Instructor
 
Joined: Aug 2020
Posts: 128
Likes: 36
Default 4 speed trans mount

Hey guys, just got the engine and trans installed, Im having issues with the shifter arms hitting the cross member, it like the trans mount isn't thick enough ?? trans needs to move up a bit, I pitched the old mount so I have no reference

for a thickness measurement, what should it be

TIA
Speedy
Reply
Old Jun 25, 2021 | 04:51 PM
  #2  
F2 Speedy's Avatar
F2 Speedy
Thread Starter
Instructor
 
Joined: Aug 2020
Posts: 128
Likes: 36
Default

looks like Im missing the shifter mounting bracket, thought it bolted to the trans............according to a Paragon pdf file
Reply
Old Jun 25, 2021 | 05:42 PM
  #3  
20mercury's Avatar
20mercury
Safety Car
15 Year Member
Liked
Loved
Community Favorite
 
Joined: May 2008
Posts: 3,745
Likes: 712
From: Lafayette Louisiana
Default

what year? 68?

Original Muncie transmission?

If yes to both, the 68 AIM (assembly instruction manual) has diagrams of install and how to adjust.

Nice engine and avatar!

Last edited by 20mercury; Jun 25, 2021 at 05:44 PM.
Reply
Old Jun 25, 2021 | 05:51 PM
  #4  
F2 Speedy's Avatar
F2 Speedy
Thread Starter
Instructor
 
Joined: Aug 2020
Posts: 128
Likes: 36
Default


Originally Posted by 20mercury
what year? 68?

Original Muncie transmission?

If yes to both, the 68 AIM (assembly instruction manual) has diagrams of install and how to adjust.

Nice engine and avatar!
sorry, 69 # match muncie........my first corvette it was taken apart some 35 yrs ago by the 2nd owner, I found the mount ( good thing ) damn its tight up in there....
thanks for the reply.....

Last edited by F2 Speedy; Jun 25, 2021 at 05:53 PM.
Reply
Old Jun 25, 2021 | 05:52 PM
  #5  
theandies's Avatar
theandies
Team Owner
20 Year Member
Veteran: Air Force
Community Favorite
Top Answer: 1
 
Joined: Jun 2001
Posts: 23,353
Likes: 1,054
From: Virginia USA
Default

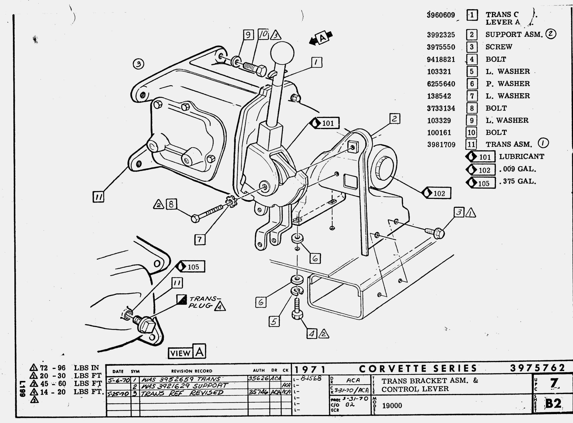
Yes, stock shifter mounts to a bracket mounted to the crossmember not the trans.
Reply
Old Jun 25, 2021 | 06:08 PM
  #6  
theandies's Avatar
theandies
Team Owner
20 Year Member
Veteran: Air Force
Community Favorite
Top Answer: 1
 
Joined: Jun 2001
Posts: 23,353
Likes: 1,054
From: Virginia USA
Default

Also you'll have to make a special tool to hold the shifter in place while adjusting the rods:




1971 AIM










While your doing it if your transmission levers have two hole in them one set of holes sets it up for a shorter throw than it came from the factory. In my '71 owners manual it even states if you want short throw to see your nearest Chevrolet dealership for details.

As stated the AIM has a great procedure on setting it up.

Last edited by theandies; Jun 25, 2021 at 06:40 PM.
Reply
Old Jun 25, 2021 | 07:16 PM
  #7  
F2 Speedy's Avatar
F2 Speedy
Thread Starter
Instructor
 
Joined: Aug 2020
Posts: 128
Likes: 36
Default

thanks guys for the input
Reply
Old Jun 25, 2021 | 08:08 PM
  #8  
20mercury's Avatar
20mercury
Safety Car
15 Year Member
Liked
Loved
Community Favorite
 
Joined: May 2008
Posts: 3,745
Likes: 712
From: Lafayette Louisiana
Default

few more items FWIW
Lots of ways to do this job (some pull the body off, LOL's just kidding but maybe not a bad idea)
*I usually remove the drive shaft, 4sp yoke (tape the open end of the 4sp) and the parking brake pulley
*then attach the 3 arms to the shifter mechanism with G clips
*next install the vertical bracket from below (loose only right now)
*install the shifter mechanism with arms attached dropped in from above (boot, & inner boot already removed)
*install the center bolt that attaches the mechanism to the vertical bracket (all is loose at this point, so you can angle to get your wrench in)
*install the remaining bracket and bolt up (you may have to shim with a plate washer, item 6 in andies 7 B2 AIM dwg, to tilt the mechanism back so your shift stick does not hit the front of the console for R/1/3.
*4sp in neutral and attach 3 arms, I tried the alignment stick but just eyeball the alignment slots and play with it until all shifts smooth.

Hope this might help.

Last edited by 20mercury; Jun 26, 2021 at 12:17 AM.
Reply
Corvette Stories

The Best of Corvette for Corvette Enthusiasts

story-0

2027 Corvette vs The World: Every Model vs Closest Competitor

 Joe Kucinski
story-1

10 Most Common Corvette Problems of the Last 20 Years!

 Joe Kucinski
story-2

5 MOST and 5 LEAST Popular Corvette Model Years in History!

 Joe Kucinski
story-3

2027 Corvette Buyer's Guide: Everything You Need to Know!

 Joe Kucinski
story-4

10 Things C8 Corvette Owners Hate (But Won't Tell You)

 Joe Kucinski
story-5

10 Best Corvettes Coming to Barrett-Jackson Palm Beach 2026!

 Brett Foote
story-6

Every Corvette Grand Sport Explained! (C2, C4, C6, C7, & C8)

 Joe Kucinski
story-7

Grand Sport & Grand Sport X Launch Alongside All-New 535hp LS6 V8!

 Michael S. Palmer
story-8

5 Reasons Bad Drivers Crash & 5 Ways to Avoid a Costly Mistake!

 Joe Kucinski
story-9

7 Bolt-On Upgrades From Extreme Online Store to Level Up Your C6 Corvette

 Pouria Savadkouei
Old Jun 26, 2021 | 07:18 AM
  #9  
Rescue Rogers's Avatar
Rescue Rogers
Is my vette stock?? HAHA
Supporting Lifetime Gold
Veteran: Navy
10 Year Member
Community Builder
Loved
 
Joined: Oct 2015
Posts: 20,033
Likes: 9,155
From: Im not allowed to tell you
2020 C3 of the Year Finalist - Modified
2020 Corvette of the Year Finalist (performance mods)
2019 C3 of Year Winner (performance mods)
2016 C3 of Year Finalist
Default

Beautful Engine bay and motor FYI your distributor shield is backwards. that round hole is for the coil wire. once you spin it you will see what i meam.
Reply
Old Jun 26, 2021 | 07:52 AM
  #10  
F2 Speedy's Avatar
F2 Speedy
Thread Starter
Instructor
 
Joined: Aug 2020
Posts: 128
Likes: 36
Default

Ooops rookie mistake, makes sense clearance for the wiper motor also

Last edited by F2 Speedy; Jun 26, 2021 at 07:53 AM.
Reply
Old Jun 26, 2021 | 03:28 PM
  #11  
Rescue Rogers's Avatar
Rescue Rogers
Is my vette stock?? HAHA
Supporting Lifetime Gold
Veteran: Navy
10 Year Member
Community Builder
Loved
 
Joined: Oct 2015
Posts: 20,033
Likes: 9,155
From: Im not allowed to tell you
2020 C3 of the Year Finalist - Modified
2020 Corvette of the Year Finalist (performance mods)
2019 C3 of Year Winner (performance mods)
2016 C3 of Year Finalist
Default

Originally Posted by F2 Speedy
Ooops rookie mistake, makes sense clearance for the wiper motor also
THought I would help you out so you could give me an introduction to the lady in your avatar
Reply
Old Jun 27, 2021 | 09:48 AM
  #12  
F2 Speedy's Avatar
F2 Speedy
Thread Starter
Instructor
 
Joined: Aug 2020
Posts: 128
Likes: 36
Default

Im into high performance boating, found her

hanging out with some of her friends ..............

Last edited by F2 Speedy; Jun 27, 2021 at 10:23 AM.
Reply
Old Jun 27, 2021 | 01:08 PM
  #13  
Rescue Rogers's Avatar
Rescue Rogers
Is my vette stock?? HAHA
Supporting Lifetime Gold
Veteran: Navy
10 Year Member
Community Builder
Loved
 
Joined: Oct 2015
Posts: 20,033
Likes: 9,155
From: Im not allowed to tell you
2020 C3 of the Year Finalist - Modified
2020 Corvette of the Year Finalist (performance mods)
2019 C3 of Year Winner (performance mods)
2016 C3 of Year Finalist
Default

Hey, can I come hang out.....
Reply
Old Jun 27, 2021 | 01:26 PM
  #14  
derekderek's Avatar
derekderek
Race Director
 
Joined: Jul 2015
Posts: 13,082
Likes: 3,398
From: SW Florida.
Default

Originally Posted by F2 Speedy
Im into high performance boating, found her

hanging out with some of her friends ..............
she looks good in a one piece suit.

Last edited by derekderek; Jun 27, 2021 at 01:27 PM.
Reply
Old Jun 27, 2021 | 01:39 PM
  #15  
F2 Speedy's Avatar
F2 Speedy
Thread Starter
Instructor
 
Joined: Aug 2020
Posts: 128
Likes: 36
Default

And those three dip sticks are talking about fishing on a tuna boat................
Reply
Old Jun 27, 2021 | 07:06 PM
  #16  
theandies's Avatar
theandies
Team Owner
20 Year Member
Veteran: Air Force
Community Favorite
Top Answer: 1
 
Joined: Jun 2001
Posts: 23,353
Likes: 1,054
From: Virginia USA
Default

Originally Posted by F2 Speedy
And those three dip sticks are talking about fishing on a tuna boat................
Except the camera man and it appears the tuna is already in the boat.........

Last edited by theandies; Jun 27, 2021 at 07:07 PM.
Reply
Old Jun 28, 2021 | 12:32 PM
  #17  
20mercury's Avatar
20mercury
Safety Car
15 Year Member
Liked
Loved
Community Favorite
 
Joined: May 2008
Posts: 3,745
Likes: 712
From: Lafayette Louisiana
Default Tuna???

Originally Posted by theandies
Except the camera man and it appears the tuna is already in the boat.........
what tuna fish????

I do not see no tuna fish nowhere???😆😆
Reply

Get notified of new replies

To 4 speed trans mount

Old Jun 28, 2021 | 03:49 PM
  #18  
Rescue Rogers's Avatar
Rescue Rogers
Is my vette stock?? HAHA
Supporting Lifetime Gold
Veteran: Navy
10 Year Member
Community Builder
Loved
 
Joined: Oct 2015
Posts: 20,033
Likes: 9,155
From: Im not allowed to tell you
2020 C3 of the Year Finalist - Modified
2020 Corvette of the Year Finalist (performance mods)
2019 C3 of Year Winner (performance mods)
2016 C3 of Year Finalist
Default

Originally Posted by 20mercury
what tuna fish????

I do not see no tuna fish nowhere???😆😆
Reply
Old Jun 28, 2021 | 04:25 PM
  #19  
theandies's Avatar
theandies
Team Owner
20 Year Member
Veteran: Air Force
Community Favorite
Top Answer: 1
 
Joined: Jun 2001
Posts: 23,353
Likes: 1,054
From: Virginia USA
Default

Originally Posted by 20mercury
what tuna fish????

I do not see no tuna fish nowhere???😆😆
You gotta go with your 🐽
Reply
Old Jun 28, 2021 | 04:29 PM
  #20  
Rescue Rogers's Avatar
Rescue Rogers
Is my vette stock?? HAHA
Supporting Lifetime Gold
Veteran: Navy
10 Year Member
Community Builder
Loved
 
Joined: Oct 2015
Posts: 20,033
Likes: 9,155
From: Im not allowed to tell you
2020 C3 of the Year Finalist - Modified
2020 Corvette of the Year Finalist (performance mods)
2019 C3 of Year Winner (performance mods)
2016 C3 of Year Finalist
Default

Hey.......somethings fishy here, its not adding up!!!! LOL
Reply



All times are GMT -4. The time now is 02:59 AM.

story-0
2027 Corvette vs The World: Every Model vs Closest Competitor

Slideshow: 2027 Corvette lineup vs the world.

By Joe Kucinski | 2026-04-20 17:58:41


VIEW MORE
story-1
10 Most Common Corvette Problems of the Last 20 Years!

Slideshow: 10 major Corvette problems from the last 20 years.

By Joe Kucinski | 2026-04-14 16:37:05


VIEW MORE
story-2
5 MOST and 5 LEAST Popular Corvette Model Years in History!

Slideshow: 5 most and least popular Corvette model years.

By Joe Kucinski | 2026-04-08 13:25:01


VIEW MORE
story-3
2027 Corvette Buyer's Guide: Everything You Need to Know!

Slideshow: 2027 Corvette buyer's guide

By Joe Kucinski | 2026-04-17 16:41:08


VIEW MORE
story-4
10 Things C8 Corvette Owners Hate (But Won't Tell You)

Slideshow: 10 things C8 Corvette owners hate, but won't tell you.

By Joe Kucinski | 2026-04-01 18:36:07


VIEW MORE
story-5
10 Best Corvettes Coming to Barrett-Jackson Palm Beach 2026!

Slideshow: Should you add one of these incredible Corvettes to your garage?

By Brett Foote | 2026-04-01 18:14:05


VIEW MORE
story-6
Every Corvette Grand Sport Explained! (C2, C4, C6, C7, & C8)

Slideshow: Every Corvette Grand Sport explained

By Joe Kucinski | 2026-03-26 07:13:44


VIEW MORE
story-7
Grand Sport & Grand Sport X Launch Alongside All-New 535hp LS6 V8!

Slideshow: Breaking down the 2027 Grand Sport, Grand Sport X, Stingray, and LS6 V8.

By Michael S. Palmer | 2026-03-26 13:48:45


VIEW MORE
story-8
5 Reasons Bad Drivers Crash & 5 Ways to Avoid a Costly Mistake!

Slideshow: 5 reasons bad drivers crash sports cars & 5 ways to avoid a costly shame!

By Joe Kucinski | 2026-03-25 16:32:55


VIEW MORE
story-9
7 Bolt-On Upgrades From Extreme Online Store to Level Up Your C6 Corvette

Slideshow: Check out these easy-to-install upgrades from Extreme Online Store that reshape the look and feel of the C6 Corvette.

By Pouria Savadkouei | 2026-03-23 17:00:27


VIEW MORE