C3 General General C3 Corvette Discussion not covered in Tech
Sponsored by:
Sponsored by:

Intro & Vacuum Question

Thread Tools
 
Search this Thread
 
Old Oct 21, 2023 | 06:15 PM
  #1  
luigichalmers's Avatar
luigichalmers
Thread Starter
2nd Gear
 
Joined: Oct 2023
Posts: 2
Likes: 1
Default Intro & Vacuum Question

Hello All

Purchased my first vette, 1970, and excited to find these forums. Already seems like a wealth of information. While I’ve owned number of muscle cars I’m finally going to use this one to learn and work on it myself now that I have the time so apologies for novice questions.

Question: When working on, in this case, the vacuum system is there a best place to start; can you test parts somehow first or do I just need to replace components until it works? Specifically the wipers don’t work. I’ve found the diagram but other than confirming the fuse is good not sure where to dive in. I’ve noticed the headlights go up slow but doesnt seem like there were any leaks.
Reply
Old Oct 21, 2023 | 07:21 PM
  #2  
kanvasman's Avatar
kanvasman
Safety Car
10 Year Member
Liked
Community Favorite
Top Answer: 5
 
Joined: Dec 2012
Posts: 3,796
Likes: 1,706
From: Summerville SC
Default

All you need to do is get a hand held vacuum pump. You can then hook it directly to the component and determine if it works. You also need to get yourself a diagram of the vacuum system. There are lots of hoses for lots of systems but if you isolate that system, then start tracing the hoses, you will see how it works. Just start with one system. like your wipers. But those are electric, right? You have a vacuum wiper door, which is another system. hook your vacuum pump up in place of the SOURCE hose and pump away. Get the diagram and the pump and you will figure it out.
Reply
Old Oct 21, 2023 | 08:04 PM
  #3  
Mooser's Avatar
Mooser
Race Director
10 Year Member
 
Joined: Apr 2011
Posts: 11,183
Likes: 3,334
From: North of Toronto - Ontario
Default

Here's the old troubleshooting document from mid-america a
And a link the to the vacuum 101 website
https://www.corvette-101.com/vacuum.htm


HIH
M

Attached Images
Reply
Old Oct 22, 2023 | 02:10 AM
  #4  
Coronette's Avatar
Coronette
Drifting
 
Joined: May 2022
Posts: 1,410
Likes: 572
From: CA & ID
2023 C3 of the Year Finalist - Unmodified
Default

Welcome! This is the best place to get answers!
Reply
Old Oct 22, 2023 | 12:23 PM
  #5  
barkingrats's Avatar
barkingrats
1967 Pedal Car Champion
Supporting Gold
 
Joined: Mar 2020
Posts: 9,027
Likes: 4,174
From: US-PNW
Default

Originally Posted by luigichalmers
Question: When working on, in this case, the vacuum system is there a best place to start; can you test parts somehow first or do I just need to replace components until it works? Specifically the wipers don’t work. I’ve found the diagram but other than confirming the fuse is good not sure where to dive in. I’ve noticed the headlights go up slow but doesnt seem like there were any leaks.
The suggestion for a hand-held vacuum pump is OK, but be aware that it can take 75-100 squeezes to activate a single headlight canister. You'll definitely develop Popeye forearms!

The headlights and wipers are two separate systems with a common vacuum source. I'd suggest tackling the slow headlights first to gain familiarity with the components. First I'd locate the vacuum tank under the driver's fender and cap off/disconnect the wiper side of the lines. If you have a major leak on the wiper side, the headlight side will be affected. You also need to be aware that there are a number of vacuum hose connections behind the driver's dash -- listen for any hissing with the engine idling.

Follow the entire system of hoses from the engine to each component to ensure all of the rubber lines are in good condition with firm connections (you can trim off 1/2" or so of hoses to get to a non-stretched section). You can go so far as to measure engine vacuum at the vacuum port where the headlight/wiper system gets its vacuum and then along the components to see if there's any significant loss in a section.
Reply
Old Oct 23, 2023 | 12:02 PM
  #6  
Jebbysan's Avatar
Jebbysan
Dr. Detroit
Supporting Member
10 Year Member
Liked
Loved
Community Favorite
 
Joined: Mar 2012
Posts: 10,095
Likes: 4,025
From: New Braunfels Texas
Default

I use my Vacuum pump for my A/C to test vacuum systems.....

Jebby
Reply
Old Nov 5, 2023 | 11:47 AM
  #7  
1971corvette's Avatar
1971corvette
Burning Brakes
 
Joined: Oct 2002
Posts: 1,040
Likes: 109
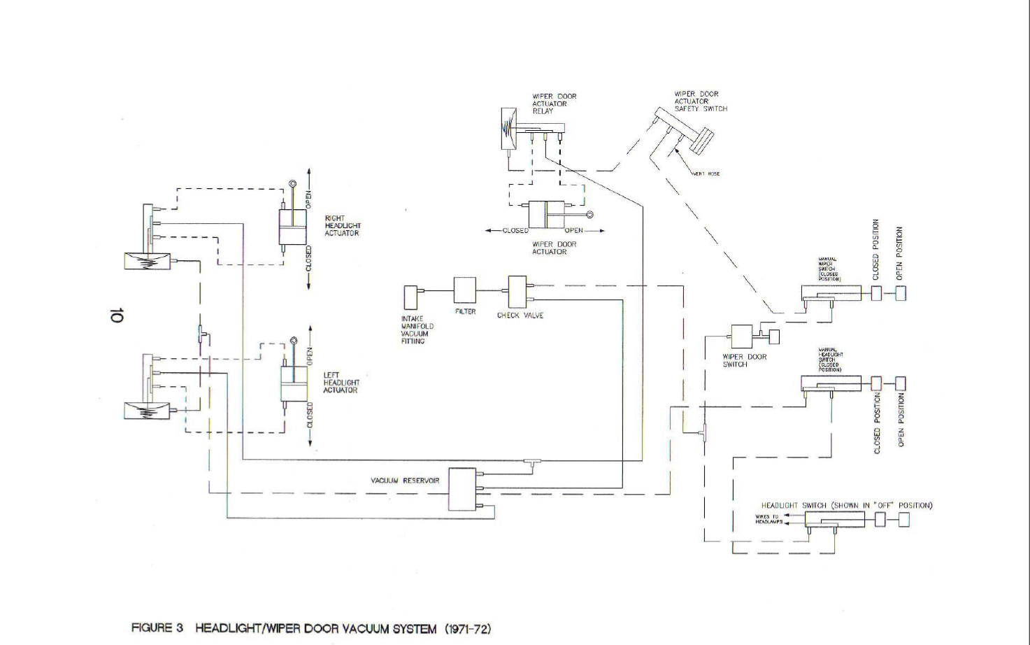
Default V

Originally Posted by luigichalmers
Hello All

Purchased my first vette, 1970, and excited to find these forums. Already seems like a wealth of information. While I’ve owned number of muscle cars I’m finally going to use this one to learn and work on it myself now that I have the time so apologies for novice questions.
Question: When working on, in this case, the vacuum system is there a best place to start; can you test parts somehow first or do I just need to replace components until it works? Specifically the wipers don’t work. I’ve found the diagram but other than confirming the fuse is good not sure where to dive in. I’ve noticed the headlights go up slow but doesnt seem like there were any leaks.
A good correct vacuum schematic without one vendor bashing another ?
Please point me in the right direction for one for a 71, No AC, manual trans, convertible model
I've just spent a week going blinder looking at many and my AIM and still haven't made sense of it yet.
Mainly need to understand where they route after leaving the 2 port check valve, 1 goes to vacuum tank = got it
2nd line going inside to ?
Need headlight switch, 2 override switches (yes wiper also) and solenoid switch on back of tach

Thanks in advance

ANYONE ?
Does this look like a CORRECT schematic, courtesy of Mid America



Last edited by 1971corvette; Nov 5, 2023 at 12:14 PM.
Reply
Old Nov 5, 2023 | 12:35 PM
  #8  
Mooser's Avatar
Mooser
Race Director
10 Year Member
 
Joined: Apr 2011
Posts: 11,183
Likes: 3,334
From: North of Toronto - Ontario
Default

Seems to match the one I've always referenced.



M
Reply
Corvette Stories

The Best of Corvette for Corvette Enthusiasts

story-0

Top 10 Most Explosive Corvettes Ever Made: Power-to-Weight Ratio Ranked!

 Joe Kucinski
story-1

150 hp to 1,250 hp: Every Corvette Generation Compared by the Specs That Matter

 Joe Kucinski
story-2

8 Coolest Corvette Pace Cars (and Replicas) of All Time

 Verdad Gallardo
story-3

Top 10 Corvette Engines RANKED by Peak Torque (70+ Years of Muscle!)

 Joe Kucinski
story-4

Corvette ZR1X Will Be Pacing the Indy 500, And Could Probably Race, Too!

 Verdad Gallardo
story-5

Top 10 Corvettes Coming to Mecum Indy 2026!

 Brett Foote
story-6

Top 10 C9 Corvette MUST-HAVES to Fix These C8 Generation Flaws!

 Michael S. Palmer
story-7

10 Revolutionary 'Corvette Firsts' Most People Don't Know

 Joe Kucinski
story-8

5 Reasons to Upgrade to an LS6-Powered Corvette; 5 Reasons to Stay LT2

 Michael S. Palmer
story-9

2027 Corvette vs The World: Every C8 vs Its Closest Competitor

 Joe Kucinski
Old Nov 5, 2023 | 01:34 PM
  #9  
1971corvette's Avatar
1971corvette
Burning Brakes
 
Joined: Oct 2002
Posts: 1,040
Likes: 109
Default

Originally Posted by Mooser
Seems to match the one I've always referenced. M
Thank you
Reply

Get notified of new replies

To Intro & Vacuum Question





All times are GMT -4. The time now is 01:32 PM.

story-0
Top 10 Most Explosive Corvettes Ever Made: Power-to-Weight Ratio Ranked!

Slideshow: The 10 most explosive Corvettes ever built based on power-to-weight ratio.

By Joe Kucinski | 2026-05-20 07:23:03


VIEW MORE
story-1
150 hp to 1,250 hp: Every Corvette Generation Compared by the Specs That Matter

Slideshow: From C1 to C8 we compare every Corvette generation by the numbers.

By Joe Kucinski | 2026-05-12 16:54:12


VIEW MORE
story-2
8 Coolest Corvette Pace Cars (and Replicas) of All Time

Slideshow: Some Corvette pace cars became collectible legends, while others perfectly captured the look and attitude of their era.

By Verdad Gallardo | 2026-05-11 09:50:51


VIEW MORE
story-3
Top 10 Corvette Engines RANKED by Peak Torque (70+ Years of Muscle!)

Slideshow: Ranking the top 10 Corvette engines by torque output.

By Joe Kucinski | 2026-05-05 11:58:09


VIEW MORE
story-4
Corvette ZR1X Will Be Pacing the Indy 500, And Could Probably Race, Too!

Slideshow: A Corvette pace car nearly matching IndyCar speeds sounds exaggerated, until you look at the numbers.

By Verdad Gallardo | 2026-05-04 20:03:36


VIEW MORE
story-5
Top 10 Corvettes Coming to Mecum Indy 2026!

Among a rather large group of them.

By Brett Foote | 2026-05-04 13:56:44


VIEW MORE
story-6
Top 10 C9 Corvette MUST-HAVES to Fix These C8 Generation Flaws!

Slideshow: the top 10 things Corvette owners want in the C9 Corvette

By Michael S. Palmer | 2026-04-30 12:41:15


VIEW MORE
story-7
10 Revolutionary 'Corvette Firsts' Most People Don't Know

Slideshow: 10 Important Corvette 'firsts' that every fan should know.

By Joe Kucinski | 2026-04-29 17:02:16


VIEW MORE
story-8
5 Reasons to Upgrade to an LS6-Powered Corvette; 5 Reasons to Stay LT2

Slideshow: Should you buy a 2020-2026 Corvette or wait for 2027?

By Michael S. Palmer | 2026-04-22 10:08:58


VIEW MORE
story-9
2027 Corvette vs The World: Every C8 vs Its Closest Competitor

Slideshow: 2027 Corvette lineup vs the world.

By Joe Kucinski | 2026-04-24 16:12:42


VIEW MORE