Tech 1 Simulator
It's probably easier to get a Tech 1 and a mass storage cartage or cartages that would relate to what car you want to work on. I believe a Tech 2 will do the same and more but is much more expensive.
I don’t think there is a cheap way around the Tech 1 or it would be common knowledge already. The Tech 1 does a lot of stuff.
It's probably easier to get a Tech 1 and a mass storage cartage or cartages that would relate to what car you want to work on. I believe a Tech 2 will do the same and more but is much more expensive.
I don’t think there is a cheap way around the Tech 1 or it would be common knowledge already. The Tech 1 does a lot of stuff.

The bi-directional feature of the Tech 1 mentioned by Paul is just one reason I've always felt it is a bargain for C4 owners. Yes it costs more than a laptop cable or low end consumer grade scan tools, but it is far less expensive than a Tech 2.
Understand too that the Tech 1 can access all the other computers on the C4 such as CCM, ABS, FX3 etc., none of the software/laptop solutions or inexpensive scan tools can do that.
As you have already noticed troubleshooting your ECM issue the Tech 1 is used for many of the tests in the FSM, if you search other sections of the manual you will see is used in a similar fashion to diagnose CCM, ABS problems as well.
Prices on Tech 1's have dropped since they have been obsolete in dealerships for years, but they can still be very valuable to C4 owners who tackle their own repairs.
That said I will attempt to address your question as asked. Yes, it is possible to perform some of the tests the FSM calls for without having a Tech1, but it does require a comprehensive understanding of how the ECM controls the outputs in question as well as first rate skills using the wiring diagrams.
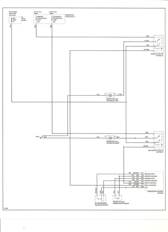
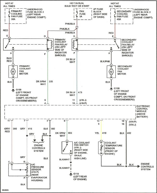
As an example I will point out that to activate the fans with the key in the "ON" position the Tech 1 is simply grounding the correct terminal on the fan relay just as the ECM would do. Look carefully at the wiring diagram and you will notice that the "control" wire for those relays on your 92 is dark green with a white tracer for fan #1 or dark blue with a white tracer for fan #2. You can use a jumper wire to ground at the relay or ECM to make the same check, but it is much more difficult and you must use great care to make sure you do not ground the wrong wire by mistake.
When you see smoke coming out of the ECM you can be sure at that point it will need a rebuild.
As an example I will point out that to activate the fans with the key in the "ON" position the Tech 1 is simply grounding the correct terminal on the fan relay just as the ECM would do. Look carefully at the wiring diagram and you will notice that the "control" wire for those relays on your 92 is dark green with a white tracer for fan #1 or dark blue with a white tracer for fan #2. You can use a jumper wire to ground at the relay or ECM to make the same check, but it is much more difficult and you must use great care to make sure you do not ground the wrong wire by mistake.
This car is like a game of whackamole! @#$%@#$ PO
This car is like a game of whackamole! @#$%@#$ PO
I would spend some time attempting to correct what you can before plugging in a rebuilt ECM. Sounds like you have good diagnostic skills and you will need them, best of luck.
Just to be clear how things should work, the ECM measures the coolant temperature from the sensor in the water pump which is the same temperature you see in your digital display. Then the ECM makes the decision when to turn on and cycle the fans on and off. Each control wire from each dedicated relay goes back to the ECM to get grounded to turn the fan on. The wire is the return (or bottom) from the relay coil.
**Found a second picture which was better but left both on anyway.


Last edited by pcolt94; Apr 18, 2012 at 11:34 AM.
The Best of Corvette for Corvette Enthusiasts
Many come here looking for a quick fix or shortcut and most jobs require reading the book, doing the diagnosis and applying the basics.











