C5 Tech Corvette Tech/Performance: LS1 Corvette Technical Info, Internal Engine, External Engine, Tech Topics, Basic Tech, Maintenance, How to Remove & Replace
Sponsored by:
Sponsored by:

Reverse lock-out.

Thread Tools
 
Search this Thread
 
Old Nov 23, 2009 | 01:05 PM
  #1  
INTRUBL's Avatar
INTRUBL
Thread Starter
Le Mans Master
20 Year Member
 
Joined: Apr 2002
Posts: 5,027
Likes: 0
From: mahopac ny
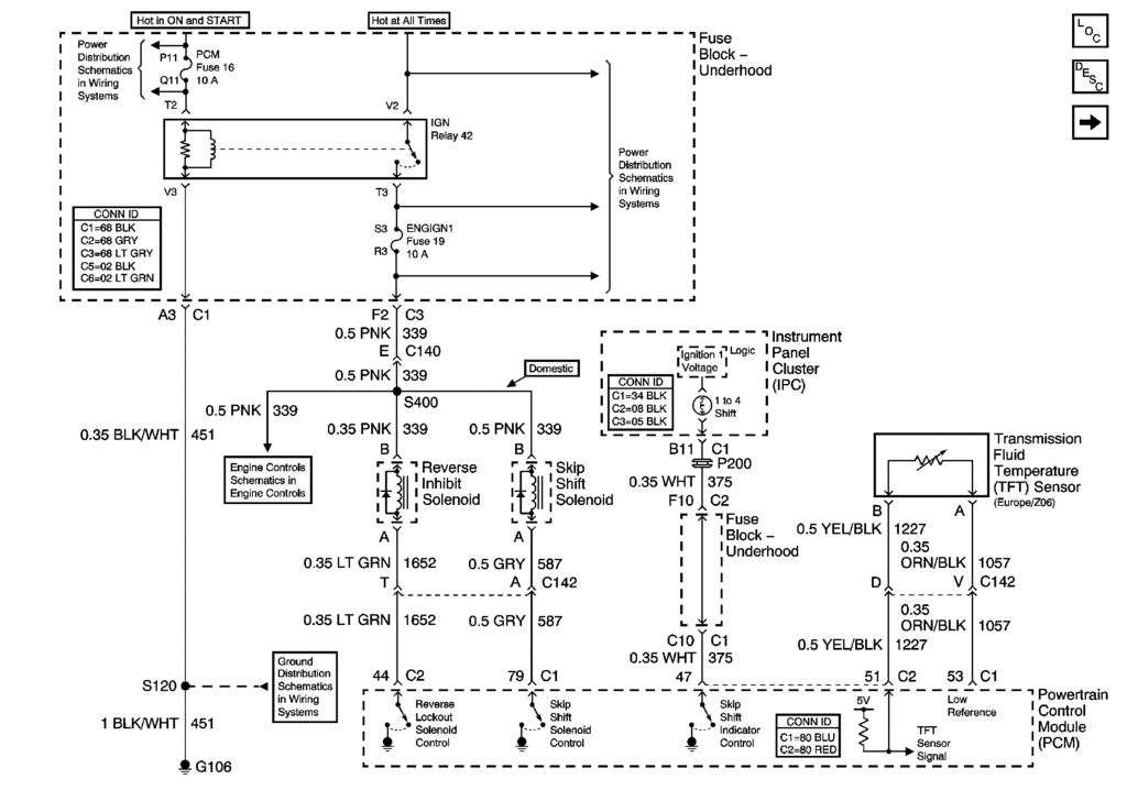
Default Reverse lock-out.

Mine is totally not working, have to be real careful going for 5th. What do you think could have made the system fail, I'm not hard on the car. Thanks
Reply
Old Nov 23, 2009 | 01:46 PM
  #2  
dougbfresh's Avatar
dougbfresh
Le Mans Master
 
Joined: Nov 2005
Posts: 6,993
Likes: 25
Default

Solinoid contols the lockout, do a search for it. Relatively easy fix I believe.
Reply
Old Nov 23, 2009 | 01:56 PM
  #3  
byronhunter's Avatar
byronhunter
Melting Slicks
15 Year Member
All Eyes On Me
 
Joined: Oct 2007
Posts: 2,383
Likes: 13
From: Kinston North Carolina
Default

First check Fuse #19
Reply
Old Nov 23, 2009 | 02:01 PM
  #4  
byronhunter's Avatar
byronhunter
Melting Slicks
15 Year Member
All Eyes On Me
 
Joined: Oct 2007
Posts: 2,383
Likes: 13
From: Kinston North Carolina
Default

Reverse Inhibit Solenoid=Item #1
Reply

Get notified of new replies

To Reverse lock-out.





All times are GMT -4. The time now is 07:40 PM.

story-0
150 hp to 1,250 hp: Every Corvette Generation Compared by the Specs That Matter

Slideshow: From C1 to C8 we compare every Corvette generation by the numbers.

By Joe Kucinski | 2026-05-12 16:54:12


VIEW MORE
story-1
8 Coolest Corvette Pace Cars (and Replicas) of All Time

Slideshow: Some Corvette pace cars became collectible legends, while others perfectly captured the look and attitude of their era.

By Verdad Gallardo | 2026-05-11 09:50:51


VIEW MORE
story-2
Top 10 Corvette Engines RANKED by Peak Torque (70+ Years of Muscle!)

Slideshow: Ranking the top 10 Corvette engines by torque output.

By Joe Kucinski | 2026-05-05 11:58:09


VIEW MORE
story-3
Corvette ZR1X Will Be Pacing the Indy 500, And Could Probably Race, Too!

Slideshow: A Corvette pace car nearly matching IndyCar speeds sounds exaggerated, until you look at the numbers.

By Verdad Gallardo | 2026-05-04 20:03:36


VIEW MORE
story-4
Top 10 Corvettes Coming to Mecum Indy 2026!

Among a rather large group of them.

By Brett Foote | 2026-05-04 13:56:44


VIEW MORE
story-5
Top 10 C9 Corvette MUST-HAVES to Fix These C8 Generation Flaws!

Slideshow: the top 10 things Corvette owners want in the C9 Corvette

By Michael S. Palmer | 2026-04-30 12:41:15


VIEW MORE
story-6
10 Revolutionary 'Corvette Firsts' Most People Don't Know

Slideshow: 10 Important Corvette 'firsts' that every fan should know.

By Joe Kucinski | 2026-04-29 17:02:16


VIEW MORE
story-7
5 Reasons to Upgrade to an LS6-Powered Corvette; 5 Reasons to Stay LT2

Slideshow: Should you buy a 2020-2026 Corvette or wait for 2027?

By Michael S. Palmer | 2026-04-22 10:08:58


VIEW MORE
story-8
2027 Corvette vs The World: Every C8 vs Its Closest Competitor

Slideshow: 2027 Corvette lineup vs the world.

By Joe Kucinski | 2026-04-24 16:12:42


VIEW MORE
story-9
10 Most Common Corvette Problems of the Last 20 Years!

Slideshow: 10 major Corvette problems from the last 20 years.

By Joe Kucinski | 2026-04-14 16:37:05


VIEW MORE