C5 Tech Corvette Tech/Performance: LS1 Corvette Technical Info, Internal Engine, External Engine, Tech Topics, Basic Tech, Maintenance, How to Remove & Replace
Sponsored by:
Sponsored by:

head lights stay open

Thread Tools
 
Search this Thread
 
Old Oct 3, 2010 | 11:33 AM
  #1  
paulcantin's Avatar
paulcantin
Thread Starter
Intermediate
20 Year Member
 
Joined: Jan 2000
Posts: 35
Likes: 0
From: Fall River Ma.
Default head lights stay open

No instrument lights - headlights stay up -1998 Coupe
Reply
Old Oct 3, 2010 | 12:24 PM
  #2  
lucky131969's Avatar
lucky131969
Tech Contributor
15 Year Member
Active Streak: 30 Days
Community Builder
Liked
 
Joined: Jan 2007
Posts: 19,413
Likes: 1,144
From: Dyer, IN
Default

Originally Posted by paulcantin
No instrument lights - headlights stay up -1998 Coupe
check minifuse #6 in the passenger footwell.
Reply
Old Oct 3, 2010 | 01:37 PM
  #3  
paulcantin's Avatar
paulcantin
Thread Starter
Intermediate
20 Year Member
 
Joined: Jan 2000
Posts: 35
Likes: 0
From: Fall River Ma.
Default

Owners manual (from a 2004 Corvette) defines fuse #6 as Parking lamps, Taillamps
Reply
Old Oct 3, 2010 | 02:14 PM
  #4  
byronhunter's Avatar
byronhunter
Melting Slicks
15 Year Member
All Eyes On Me
 
Joined: Oct 2007
Posts: 2,383
Likes: 13
From: Kinston North Carolina
Default

Originally Posted by paulcantin
Owners manual (from a 2004 Corvette) defines fuse #6 as Parking lamps, Taillamps
So--have you checked it? Is it good? If it's good, next to check is the Multifunction Switch.
Reply
Old Oct 3, 2010 | 02:28 PM
  #5  
byronhunter's Avatar
byronhunter
Melting Slicks
15 Year Member
All Eyes On Me
 
Joined: Oct 2007
Posts: 2,383
Likes: 13
From: Kinston North Carolina
Default

Reply
Old Oct 3, 2010 | 02:36 PM
  #6  
paulcantin's Avatar
paulcantin
Thread Starter
Intermediate
20 Year Member
 
Joined: Jan 2000
Posts: 35
Likes: 0
From: Fall River Ma.
Default

Fuse looks O.K
No break in filiment.
Multi function switch replaced 6,000 miles ago as a result of headlights not comming up.
Is there any significance to the dash lights not working?
Courtesy lights -running lights -head lights - directionals are all working
Reply
Old Oct 3, 2010 | 02:40 PM
  #7  
paulcantin's Avatar
paulcantin
Thread Starter
Intermediate
20 Year Member
 
Joined: Jan 2000
Posts: 35
Likes: 0
From: Fall River Ma.
Default

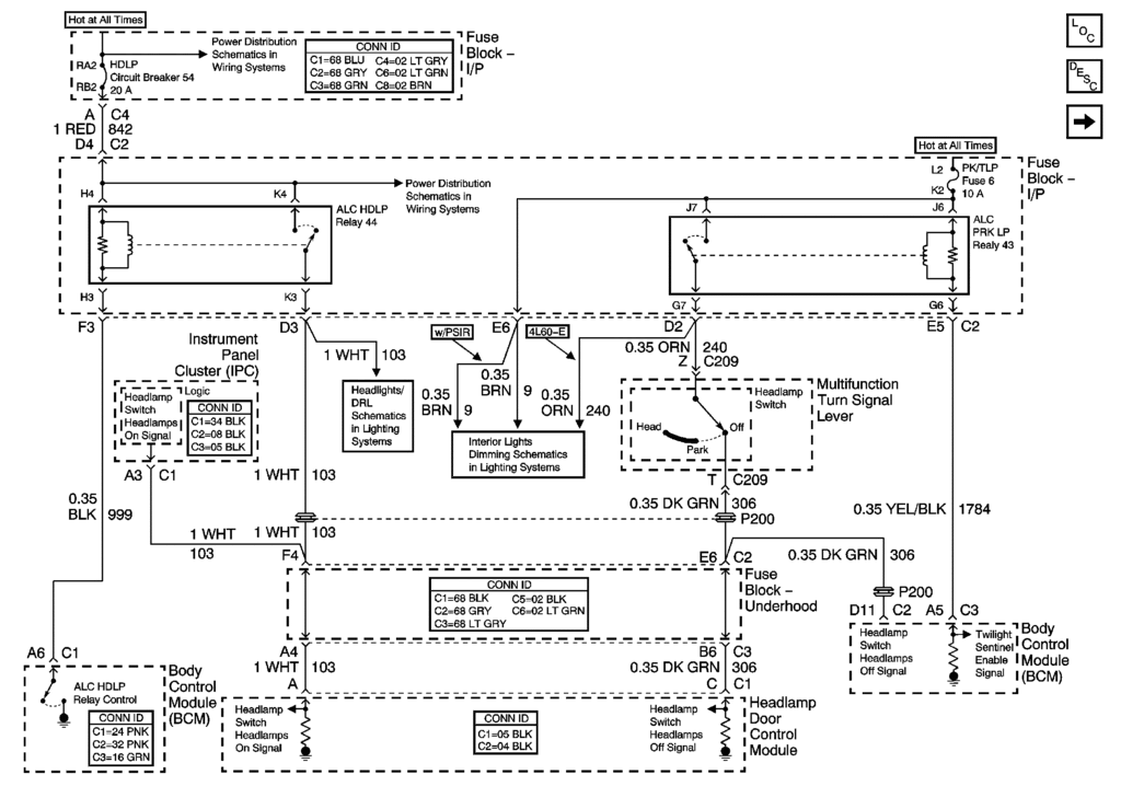
Thanks for the diagram but way beyond my capability.
Reply
Old Oct 3, 2010 | 03:16 PM
  #8  
lucky131969's Avatar
lucky131969
Tech Contributor
15 Year Member
Active Streak: 30 Days
Community Builder
Liked
 
Joined: Jan 2007
Posts: 19,413
Likes: 1,144
From: Dyer, IN
Default

Originally Posted by paulcantin
Fuse looks O.K
No break in filiment.
Multi function switch replaced 6,000 miles ago as a result of headlights not comming up.
Is there any significance to the dash lights not working?
Courtesy lights -running lights -head lights - directionals are all working
Yep, and the above schematic is not correct for a 98.

Reply
Corvette Stories

The Best of Corvette for Corvette Enthusiasts

story-0

Top 10 DOs and DON'Ts for Protecting Your Convertible Top!

 Michael S. Palmer
story-1

Top 10 Most Explosive Corvettes Ever Made: Power-to-Weight Ratio Ranked!

 Joe Kucinski
story-2

150 hp to 1,250 hp: Every Corvette Generation Compared by the Specs That Matter

 Joe Kucinski
story-3

8 Coolest Corvette Pace Cars (and Replicas) of All Time

 Verdad Gallardo
story-4

Top 10 Corvette Engines RANKED by Peak Torque (70+ Years of Muscle!)

 Joe Kucinski
story-5

Corvette ZR1X Will Be Pacing the Indy 500, And Could Probably Race, Too!

 Verdad Gallardo
story-6

Top 10 Corvettes Coming to Mecum Indy 2026!

 Brett Foote
story-7

Top 10 C9 Corvette MUST-HAVES to Fix These C8 Generation Flaws!

 Michael S. Palmer
story-8

10 Revolutionary 'Corvette Firsts' Most People Don't Know

 Joe Kucinski
story-9

5 Reasons to Upgrade to an LS6-Powered Corvette; 5 Reasons to Stay LT2

 Michael S. Palmer
Old Oct 3, 2010 | 03:23 PM
  #9  
lucky131969's Avatar
lucky131969
Tech Contributor
15 Year Member
Active Streak: 30 Days
Community Builder
Liked
 
Joined: Jan 2007
Posts: 19,413
Likes: 1,144
From: Dyer, IN
Default

Well, if you are absolutely sure that minifuse #6 is good, then you'll have to take voltage measurements with a meter. The easiest would be at minifuse #6, and then the headlamp door control module, pin C(dark green wire).
Reply
Old Oct 3, 2010 | 03:36 PM
  #10  
paulcantin's Avatar
paulcantin
Thread Starter
Intermediate
20 Year Member
 
Joined: Jan 2000
Posts: 35
Likes: 0
From: Fall River Ma.
Default

Thanks for the correct diagram.
Don't know a good fuse from a bad one - so it will go to the tech. tomorrow and I'll do what I know best---write a check then use my time to make another sale.
I appreciate your help.

Last edited by paulcantin; Oct 3, 2010 at 03:51 PM. Reason: spelling
Reply
Old Oct 3, 2010 | 03:38 PM
  #11  
lucky131969's Avatar
lucky131969
Tech Contributor
15 Year Member
Active Streak: 30 Days
Community Builder
Liked
 
Joined: Jan 2007
Posts: 19,413
Likes: 1,144
From: Dyer, IN
Default

Originally Posted by paulcantin
Thanks for the correct diagram.
Don't know a good fuse from a bad one - so it will go to the tech. tomorrow and I'll do wat I know best---write a check then use my time to make another sale.
I appreciate your help.
Your choice.....but you could always just replace the fuse...there are spares in both fuse boxes.

Good luck.
Reply
Old Oct 3, 2010 | 03:38 PM
  #12  
byronhunter's Avatar
byronhunter
Melting Slicks
15 Year Member
All Eyes On Me
 
Joined: Oct 2007
Posts: 2,383
Likes: 13
From: Kinston North Carolina
Default

Originally Posted by lucky131969
Yep, and the above schematic is not correct for a 98.
You keep me straight, ok? He said he was looking at '04 Manual. I should have gone back and read the 1st post again. I can alwaya depend on you.
Reply
Old Oct 3, 2010 | 03:41 PM
  #13  
lucky131969's Avatar
lucky131969
Tech Contributor
15 Year Member
Active Streak: 30 Days
Community Builder
Liked
 
Joined: Jan 2007
Posts: 19,413
Likes: 1,144
From: Dyer, IN
Default

Originally Posted by byronhunter
You keep me straight, ok? He said he was looking at '04 Manual. I should have gone back and read the 1st post again. I can alwaya depend on you.
No biggie, basically they are the same, and minifuse #6 serves the same function.......except no twilight sentinel ....so the relays are different.....
Reply
Old Oct 3, 2010 | 07:26 PM
  #14  
paulcantin's Avatar
paulcantin
Thread Starter
Intermediate
20 Year Member
 
Joined: Jan 2000
Posts: 35
Likes: 0
From: Fall River Ma.
Default

Replaced fuse - no change - front running lights - front hazards - headlights - directionals are O.K. -
No dash lights -message center lights up - interior lights work.
Only the third light and the back up lights work in the rear.
Head lights will not retract.
Reply

Get notified of new replies

To head lights stay open





All times are GMT -4. The time now is 10:07 PM.

story-0
Top 10 DOs and DON'Ts for Protecting Your Convertible Top!

Slideshow: How to Protect A Convertible Top: 10 DOs & DON'Ts

By Michael S. Palmer | 2026-04-03 00:00:00


VIEW MORE
story-1
Top 10 Most Explosive Corvettes Ever Made: Power-to-Weight Ratio Ranked!

Slideshow: The 10 most explosive Corvettes ever built based on power-to-weight ratio.

By Joe Kucinski | 2026-05-20 07:23:03


VIEW MORE
story-2
150 hp to 1,250 hp: Every Corvette Generation Compared by the Specs That Matter

Slideshow: From C1 to C8 we compare every Corvette generation by the numbers.

By Joe Kucinski | 2026-05-12 16:54:12


VIEW MORE
story-3
8 Coolest Corvette Pace Cars (and Replicas) of All Time

Slideshow: Some Corvette pace cars became collectible legends, while others perfectly captured the look and attitude of their era.

By Verdad Gallardo | 2026-05-11 09:50:51


VIEW MORE
story-4
Top 10 Corvette Engines RANKED by Peak Torque (70+ Years of Muscle!)

Slideshow: Ranking the top 10 Corvette engines by torque output.

By Joe Kucinski | 2026-05-05 11:58:09


VIEW MORE
story-5
Corvette ZR1X Will Be Pacing the Indy 500, And Could Probably Race, Too!

Slideshow: A Corvette pace car nearly matching IndyCar speeds sounds exaggerated, until you look at the numbers.

By Verdad Gallardo | 2026-05-04 20:03:36


VIEW MORE
story-6
Top 10 Corvettes Coming to Mecum Indy 2026!

Among a rather large group of them.

By Brett Foote | 2026-05-04 13:56:44


VIEW MORE
story-7
Top 10 C9 Corvette MUST-HAVES to Fix These C8 Generation Flaws!

Slideshow: the top 10 things Corvette owners want in the C9 Corvette

By Michael S. Palmer | 2026-04-30 12:41:15


VIEW MORE
story-8
10 Revolutionary 'Corvette Firsts' Most People Don't Know

Slideshow: 10 Important Corvette 'firsts' that every fan should know.

By Joe Kucinski | 2026-04-29 17:02:16


VIEW MORE
story-9
5 Reasons to Upgrade to an LS6-Powered Corvette; 5 Reasons to Stay LT2

Slideshow: Should you buy a 2020-2026 Corvette or wait for 2027?

By Michael S. Palmer | 2026-04-22 10:08:58


VIEW MORE