C5 Tech Corvette Tech/Performance: LS1 Corvette Technical Info, Internal Engine, External Engine, Tech Topics, Basic Tech, Maintenance, How to Remove & Replace
Sponsored by:
Sponsored by:

A/C electrical

Thread Tools
 
Search this Thread
 
Old Jul 9, 2011 | 06:35 PM
  #1  
helirich's Avatar
helirich
Thread Starter
Instructor
10 Year Member
 
Joined: Jul 2011
Posts: 197
Likes: 21
Default A/C electrical

The A/C on my wife's 97' C5 is acting weird. The A/C will take between 2 to 10 minutes to come on. It will also go off sometimes when crusing and then turn back on after a few minutes. When it turns off, the screen goes blank and the radar detector goes off. (dead)

I went searching the fuse box and found the radar is wired to the #10 fuse. This fuse is losing power for no reason. (the fuse is good) I thought the ignition switch gives this power in "on". But I'm not sure as I was reading a thred on fixing the switch and it listed two fuses that should have power when "on". #10 was not one of them.

There are alot of threds on the machinical parts of the A/C. Not much help electrical. By the way, the radar detector is not causing the problem. Any help would be apreiciated.

On a related matter, is it possible to get a manual A/C faceplate and replace the automatic. What I'm asking, will it just plug in or are the whole systems differnt. I would expect you could not replace the manual with auto because some sensors would not be there. We botrh hate the auto system and would love to change if not to big a deal.
Reply
Old Jul 10, 2011 | 06:46 PM
  #2  
helirich's Avatar
helirich
Thread Starter
Instructor
10 Year Member
 
Joined: Jul 2011
Posts: 197
Likes: 21
Default

bump
Reply
Old Jul 10, 2011 | 08:57 PM
  #3  
PEERPSI's Avatar
PEERPSI
Pro
15 Year Member
All Eyes On Me
 
Joined: Aug 2010
Posts: 545
Likes: 4
From: Calgary Alberta
Default

Check the condition of ground 202.

Reply
Old Jul 10, 2011 | 09:07 PM
  #4  
PEERPSI's Avatar
PEERPSI
Pro
15 Year Member
All Eyes On Me
 
Joined: Aug 2010
Posts: 545
Likes: 4
From: Calgary Alberta
Default

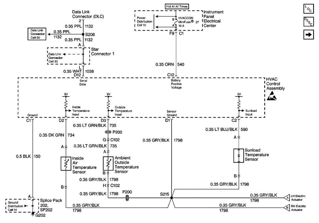
Pictures showing the location. Credit to Bill Curlee.



Reply
Old Jul 12, 2011 | 03:24 PM
  #5  
helirich's Avatar
helirich
Thread Starter
Instructor
10 Year Member
 
Joined: Jul 2011
Posts: 197
Likes: 21
Default

My wife says it's the ignition switch. She has got it working sevral times by wiggling the key. So I guess when I get home (two weeks) I will be doing the switch overhaul.
Reply
Old Jul 12, 2011 | 05:22 PM
  #6  
Bill Curlee's Avatar
Bill Curlee
Tech Contributor
Supporting Lifetime Gold
Veteran: Navy
25 Year Member
Liked
Community Favorite
 
Joined: Dec 1999
Posts: 32,910
Likes: 2,402
From: Anthony TX
CI 6,7,8,9,11 Vet
St. Jude Donor '08
Default





Reply
Old Jul 26, 2011 | 09:59 AM
  #7  
helirich's Avatar
helirich
Thread Starter
Instructor
10 Year Member
 
Joined: Jul 2011
Posts: 197
Likes: 21
Default

Update! I did the ignition switch overhaul as per Bill's thred and --------------------------------------Victory. The A/C works great and not only that, the check engine light never comes on. (it use to sometimes) My wife says the sterio works better (go figure) I didnt have 2000 grit sandpaper as recomended and had to use 220. I was a bit worried. I think most of my problem was the contact springs. Mine were bent the other way.

When the check engine light use to come on, the code was o2 sensor. I was going to replace them shortly, but now I dont have to.

I got laid every day this week. Thank you Bill!!! (for the ignition thred) LOL
Reply
Old Jul 26, 2011 | 07:21 PM
  #8  
Bill Curlee's Avatar
Bill Curlee
Tech Contributor
Supporting Lifetime Gold
Veteran: Navy
25 Year Member
Liked
Community Favorite
 
Joined: Dec 1999
Posts: 32,910
Likes: 2,402
From: Anthony TX
CI 6,7,8,9,11 Vet
St. Jude Donor '08
Default

Originally Posted by helirich
Update! I did the ignition switch overhaul as per Bill's thred and --------------------------------------Victory. The A/C works great and not only that, the check engine light never comes on. (it use to sometimes) My wife says the sterio works better (go figure) I didnt have 2000 grit sandpaper as recomended and had to use 220. I was a bit worried. I think most of my problem was the contact springs. Mine were bent the other way.

When the check engine light use to come on, the code was o2 sensor. I was going to replace them shortly, but now I dont have to.

I got laid every day this week. Thank you Bill!!! (for the ignition thred) LOL

QUOTE!!

I got laid every day this week. Thank you Bill!!!

WOAH There Brother!!

That ought to be worth something!!!

LMAO!!! Just kidding. Glad it worked out great!!

Bill
Reply

Get notified of new replies

To A/C electrical

Corvette Stories

The Best of Corvette for Corvette Enthusiasts

story-0

150 hp to 1,250 hp: Every Corvette Generation Compared by the Specs That Matter

 Joe Kucinski
story-1

8 Coolest Corvette Pace Cars (and Replicas) of All Time

 Verdad Gallardo
story-2

Top 10 Corvette Engines RANKED by Peak Torque (70+ Years of Muscle!)

 Joe Kucinski
story-3

Corvette ZR1X Will Be Pacing the Indy 500, And Could Probably Race, Too!

 Verdad Gallardo
story-4

Top 10 Corvettes Coming to Mecum Indy 2026!

 Brett Foote
story-5

Top 10 C9 Corvette MUST-HAVES to Fix These C8 Generation Flaws!

 Michael S. Palmer
story-6

10 Revolutionary 'Corvette Firsts' Most People Don't Know

 Joe Kucinski
story-7

5 Reasons to Upgrade to an LS6-Powered Corvette; 5 Reasons to Stay LT2

 Michael S. Palmer
story-8

2027 Corvette vs The World: Every C8 vs Its Closest Competitor

 Joe Kucinski
story-9

10 Most Common Corvette Problems of the Last 20 Years!

 Joe Kucinski




All times are GMT -4. The time now is 07:27 PM.

story-0
150 hp to 1,250 hp: Every Corvette Generation Compared by the Specs That Matter

Slideshow: From C1 to C8 we compare every Corvette generation by the numbers.

By Joe Kucinski | 2026-05-12 16:54:12


VIEW MORE
story-1
8 Coolest Corvette Pace Cars (and Replicas) of All Time

Slideshow: Some Corvette pace cars became collectible legends, while others perfectly captured the look and attitude of their era.

By Verdad Gallardo | 2026-05-11 09:50:51


VIEW MORE
story-2
Top 10 Corvette Engines RANKED by Peak Torque (70+ Years of Muscle!)

Slideshow: Ranking the top 10 Corvette engines by torque output.

By Joe Kucinski | 2026-05-05 11:58:09


VIEW MORE
story-3
Corvette ZR1X Will Be Pacing the Indy 500, And Could Probably Race, Too!

Slideshow: A Corvette pace car nearly matching IndyCar speeds sounds exaggerated, until you look at the numbers.

By Verdad Gallardo | 2026-05-04 20:03:36


VIEW MORE
story-4
Top 10 Corvettes Coming to Mecum Indy 2026!

Among a rather large group of them.

By Brett Foote | 2026-05-04 13:56:44


VIEW MORE
story-5
Top 10 C9 Corvette MUST-HAVES to Fix These C8 Generation Flaws!

Slideshow: the top 10 things Corvette owners want in the C9 Corvette

By Michael S. Palmer | 2026-04-30 12:41:15


VIEW MORE
story-6
10 Revolutionary 'Corvette Firsts' Most People Don't Know

Slideshow: 10 Important Corvette 'firsts' that every fan should know.

By Joe Kucinski | 2026-04-29 17:02:16


VIEW MORE
story-7
5 Reasons to Upgrade to an LS6-Powered Corvette; 5 Reasons to Stay LT2

Slideshow: Should you buy a 2020-2026 Corvette or wait for 2027?

By Michael S. Palmer | 2026-04-22 10:08:58


VIEW MORE
story-8
2027 Corvette vs The World: Every C8 vs Its Closest Competitor

Slideshow: 2027 Corvette lineup vs the world.

By Joe Kucinski | 2026-04-24 16:12:42


VIEW MORE
story-9
10 Most Common Corvette Problems of the Last 20 Years!

Slideshow: 10 major Corvette problems from the last 20 years.

By Joe Kucinski | 2026-04-14 16:37:05


VIEW MORE