Bad wiring or....

https://youtu.be/vG-KO3xVXjg
I've noticed sometimes you have to turn the system off for a few seconds after switching which way the air flows or if I just press off sometimes the fan stays running and when your try to press the a/c button it will revert back off after a sec or 2! I found powering off the control then starting it with the a/c button and the button switched on the cabin air circulation the curved button not the air vent with the straight arrow has been my problem solution! My belt is also worn so when I come to a stop in hot weather the a/c will lack it's full ability to produce cold air! After I start moving 2mph or so it will pick back up. I know I need a belt change though. When I removed it for my s/c install it had taken a permanent shape and was dry hard rubber! This could also be why the a/c shuts off because it lacks belt tension to operate! Just a guess.
Last edited by Speedy007; Aug 10, 2019 at 01:33 PM.
The Best of Corvette for Corvette Enthusiasts
Last edited by C5 Diag; Aug 12, 2019 at 08:58 PM.

Thank you very much for your help. This is good info go know. Amazing how many things on the C5 can be done by pressing a combo of buttons! I'd wager the C6 and newer don't have the self diagnostics or key fob reprogram, or T
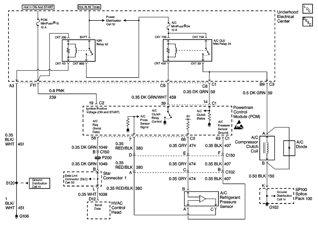
This table was posted recently by oelarse:
Don't despair
we already knew that... Results are as as expected. Excerpt from Post 39 above (I also gave you a couple of ideas to explore - check it again):Look at the circuit below. You already verified that by jumping together CKT 739 and CKT 59 (Relay 34's pins 87 and 30) the compressor clutch gets engaged, that means the control side of the relay is not commanding the clutch. Since it was determined the relay's coil is getting power from CKT 739, the only thing that can prevent Relay 34 from being activated is the lack of ground on the other end of its coil.
You can check the integrity of CKT 459 by verifying continuity between Relay 34's pin 85 and PCM connector C1 Pin 39.
To determine whether or not the PCM is providing ground you would need to back-probe PCM connector C1 Pin 39 with your test light, but if CKT 459 is fine, it would be redundant because it would have to be that there's no ground.
Last edited by GCG; Aug 13, 2019 at 11:12 AM.
we already knew that... Results are as as expected. Excerpt from Post 39 above (I also gave you a couple of ideas to explore - check it again):
- Engine running - Pressing A/C button: no ground to Pin 85
- Key OFF: Pin 85 is grounded
As I mentioned in Post 39 above and then again in Post 55, the reason Relay 34 is not activated while pressing A/C button with engine running is because Pin 85 is not being grounded. This was an expected result, as per the circuit analysis.
I have never checked the status of the PCM A/C Clutch Control (Pin 43) with Key OFF. I would have expected it to be open, but I haven't verified it, so I don't know if OP's Pin 43 is behaving abnormally or not.
As it can be seen in the schematic, Pin 86 is only hot in ON and START (through Relay 42), so Pin 85 being grounded in OFF doesn't do anything to Relay 34. In other words, when the ignition switch is in OFF, Relay 34's coil may have ground in one end, but it doesn't have power in the other. Again, I haven't verified if what's happening to Pin 85 is normal or not.
Just to be thorough, I would suggest to verify the integrity of CKT 459, but I would also suggest to look for possible causes that may be forcing the PCM not to allow the A/C clutch to engage.

Last edited by GCG; Aug 13, 2019 at 05:47 PM.
Last edited by C5 Diag; Aug 13, 2019 at 06:05 PM.















