Silicone hoses - what clamps?
I am preparing a complete overall of the cooling system of my 02 C5 (among other things, I'll do a separate post on my full project), and I am almost all set.
I tried to source rubber hoses but oh my god it is NOT easy. Availability is very scarce somehow, and my best immediate option was to go with this kit (I scored a big discount on it, so it ended up being barely more expensive than sourcing the 8x rubber ones)
Now the problem is that I most likely cannot use the regular clamp on these hoses, because of the difference in material. I am having a hard time finding the size of the hoses, and I don't have much experience with silicone. I’m looking for info on the following hoses:
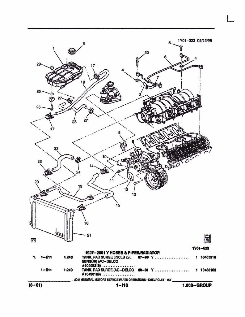
8x hoses descriptions:
- Lower radiator hose
- Upper radiator hose
- Throttle body to coolant pipe hose
- Surge tank outlet to water pump hose
- Radiator to throttle body hose
- Heater core pipe to water pump hose
- Heater core pipe to surge tank hose
- Surge tank inlet to radiator hose
A big thanks to @seattle for his post here detailing the parts btw because it really helped me: https://www.corvetteforum.com/forums...t-numbers.html
Last edited by herwawan; Aug 3, 2021 at 08:31 AM.
Where to find t-bolt clamp specifically for the silicone hoses: http://www.siliconeintakes.com/index...6af57962b73b66
There is also some good words on the Gates PowerGrip SB Clamps: https://www.gates.com/us/en/search.p...00-000000.html
Now, hoses size… look what I found (this forum is full of information but you gotta search deep! Original post: https://www.corvetteforum.com/forums...ant-hoses.html
I guess I just have to make sense of this and good to go!
Last edited by herwawan; Aug 3, 2021 at 01:18 AM.
- 7 - Part of 6
- 14.2MM, 9/16 (Qty: x2)
- 14 - Rad Inl Hose Eng
- 42MM (Qty: x1)
- 16 - Rad Inl Hose Rad
- 42MM (Qty: x1))
- 17 - Rad Surge Tk Inl Hose
- 1/2 - 13/16 (Qty: x2)
- 20 - Throt Body Htr Otlt Hose
- M16X1 (Qty: x1)
- 22 - Rad Otlt Hose Rad
- 42MM (Qty: x1)
- 24 - Rad Otlt Hose Eng
- 43.5MM TO 53.00MM (Qty: x1)
- 27 - Rad Surge Tk Otlt Hose
- 25-29MM (Qty: x2)
Last edited by herwawan; Aug 4, 2021 at 09:03 PM.





https://www.corvetteforum.com/forums...t-numbers.html
- 7 - Part of 6
- 14.2MM, 9/16 (Qty: x2)
- 14 - Rad Inl Hose Eng
- 42MM (Qty: x1)
- 16 - Rad Inl Hose Rad
- 42MM (Qty: x1))
- 17 - Rad Surge Tk Inl Hose
- 1/2 - 13/16 (Qty: x2)
- 20 - Throt Body Htr Otlt Hose
- M16X1 (Qty: x1)
- 22 - Rad Otlt Hose Rad
- 42MM (Qty: x1)
- 24 - Rad Otlt Hose Eng
- 43.5MM TO 53.00MM (Qty: x1)
- 27 - Rad Surge Tk Otlt Hose
- 25-29MM (Qty: x2)
I’ll check Jegs. I’m going on, wish me luck haha https://www.jegs.com/p/Gates/Gates-P...43359/10002/-1
https://www.corvetteforum.com/forums...t-numbers.html
Upper Rad is 1-1/4
Lower Rad is 1-1/4 and 1-1/2
Heater hoses are 5/8
Overflow to Rad is 3/8
Overflow to block is 9/16
Valve cover to TB is 3/8
TB coolant (usually bypassed depending on mod or not) 3/8
Drivers side Air hose is 3/4
Now, I have a big problem haha I only know the metric system, and this inch system makes no sense to me. Tried to look through this chart:
https://www.bearing-king.co.uk/inch-...sion-chart.pdf
But really, it's a complete mindf*ck for me since nothing relates to anything. If anyone can help, it'll be greatly appreciated. Spent so much time on this with little progress 🤣
The Best of Corvette for Corvette Enthusiasts
https://www.google.com/search?q=inch...4dUDCA4&uact=5
Last edited by ArmchairArchitect; Aug 6, 2021 at 10:07 AM.
This was supposed to be a cut and paste of the above numbers, in a chart form, from the verociousmotorsports.com site, but this is how it looked, when I pasted it here....









