C5 Tech Corvette Tech/Performance: LS1 Corvette Technical Info, Internal Engine, External Engine, Tech Topics, Basic Tech, Maintenance, How to Remove & Replace
Sponsored by:
Sponsored by:

Fuel Sender

Thread Tools
 
Search this Thread
 
Old Apr 6, 2024 | 11:35 AM
  #1  
Grind's Avatar
Grind
Thread Starter
Heel & Toe
 
Joined: Jul 2022
Posts: 17
Likes: 3
From: WI
Default Fuel Sender

Yes, I know it's been beat to death. Techron.

However, I've spent more on Techron than what new senders would cost, and my fuel gauge still reads empty, until the half-full point.

I'm going to bite the bullet and replace at least one of the senders, but which one is the most likely culprit? Or should i just do both?

EDIT: 2004 LS1

Last edited by Grind; Apr 8, 2024 at 06:13 PM.
Reply
Old Apr 6, 2024 | 03:15 PM
  #2  
mmartinez's Avatar
mmartinez
Melting Slicks
15 Year Member
Active Streak: 30 Days
Active Streak: 60 Days
Liked
 
Joined: Sep 2008
Posts: 3,117
Likes: 793
From: Espanola New Mexico
Default

You should get a check gauges message on the DIC, and there should be a code set for which sending unit is malfunctioning.
Reply
Old Apr 6, 2024 | 05:30 PM
  #3  
Grind's Avatar
Grind
Thread Starter
Heel & Toe
 
Joined: Jul 2022
Posts: 17
Likes: 3
From: WI
Default

Ah, great. Thanks.
I get the check gages message, so I'll check the DTC for the code.
Reply
Old Apr 7, 2024 | 08:27 AM
  #4  
oelarse's Avatar
oelarse
Burning Brakes
Supporting Lifetime
10 Year Member
Liked
Loved
Community Favorite
 
Joined: Jul 2011
Posts: 985
Likes: 305
From: Southern Norway , Europe
Default

You should get a scannner and look how the two senders behave when fuel levels change .
When you fill up your car the left tank sender increase first 0-2.5 volt when your gage moves from 0-50 % and when you fill 50-100% your right sender increase from 0-2.5volt (shown in the table below.
When you consum fuel the voltages will be reduced in the same way when luel level drop. First in the passengerside tank to zero level and secondly in the driver side tank ..
By viewing how the sender behaves you can identify if any of the senders are the problem or the problem is caused by a clogged siphron line/filter




Reply
Old Apr 8, 2024 | 06:33 AM
  #5  
spfautsch's Avatar
spfautsch
Pro
All Eyes On Me
Liked
Loved
 
Joined: Apr 2018
Posts: 563
Likes: 201
From: Montgomery City, MO
Default

There's a really long but very informative post on the subject here.

You don't mention what year - sending units are different after GM switched the tank design in mid-2003. Unfortunately this new design necessitates dropping the driveline as both tanks have to come out to get to the sending units.

If yours is the older design the job is much less difficult. Unfortunately I'm relatively certain the 19421094 part for the mid-2003 and older cars is in very short supply. RockAuto has removed it from their parts matrix for these cars, meaning whatever their source was for these has dried up. When they were readily available they were only $50 and this job is so easy on early c5s it doesn't make a lot of sense not to do both sides.

full res here

Last edited by spfautsch; Apr 8, 2024 at 08:17 AM.
Reply
Old Apr 8, 2024 | 10:02 AM
  #6  
smitty2919's Avatar
smitty2919
Le Mans Master
 
Joined: Jun 2016
Posts: 5,378
Likes: 3,914
From: Cincinnati, OH
Default

Originally Posted by oelarse
You should get a scannner and look how the two senders behave when fuel levels change .
When you fill up your car the left tank sender increase first 0-2.5 volt when your gage moves from 0-50 % and when you fill 50-100% your right sender increase from 0-2.5volt (shown in the table below.
When you consum fuel the voltages will be reduced in the same way when luel level drop. First in the passengerside tank to zero level and secondly in the driver side tank ..
By viewing how the sender behaves you can identify if any of the senders are the problem or the problem is caused by a clogged siphron line/filter



Does this apply to all year C5's?

I thought both tanks were 0-5V each.
Reply
Old Apr 8, 2024 | 12:50 PM
  #7  
oelarse's Avatar
oelarse
Burning Brakes
Supporting Lifetime
10 Year Member
Liked
Loved
Community Favorite
 
Joined: Jul 2011
Posts: 985
Likes: 305
From: Southern Norway , Europe
Default

This is how the fuelsenders 97-medio 03 is terminated like this drawing below ..
The fuellevel is causing the sender slipring to change resitance from 40-250 ohm during the full range oft the sender movement

From medio 03 the senders are topmounted in both tanks .like in the C6 fueltanks.



Reply
Old Apr 8, 2024 | 02:21 PM
  #8  
spfautsch's Avatar
spfautsch
Pro
All Eyes On Me
Liked
Loved
 
Joined: Apr 2018
Posts: 563
Likes: 201
From: Montgomery City, MO
Default

Originally Posted by oelarse
This is how the fuelsenders 97-medio 03 is terminated like this drawing below ..
Actually that diagram applies for the 97-9?. At some point after 98 the right side sensor became identical to the left, and was no longer equipped with the additional 240 ohm resistor that apparently ties from pin C to the in-tank ground. There's info about that in the extensive post I referenced earlier.
Reply
Corvette Stories

The Best of Corvette for Corvette Enthusiasts

story-0

5 Reasons to Upgrade to an LS6-Powered Corvette; 5 Reasons to Stay LT2

 Michael S. Palmer
story-1

2027 Corvette vs The World: Every Model vs Closest Competitor

 Joe Kucinski
story-2

10 Most Common Corvette Problems of the Last 20 Years!

 Joe Kucinski
story-3

5 MOST and 5 LEAST Popular Corvette Model Years in History!

 Joe Kucinski
story-4

2027 Corvette Buyer's Guide: Everything You Need to Know!

 Joe Kucinski
story-5

10 Things C8 Corvette Owners Hate (But Won't Tell You)

 Joe Kucinski
story-6

10 Best Corvettes Coming to Barrett-Jackson Palm Beach 2026!

 Brett Foote
story-7

Every Corvette Grand Sport Explained! (C2, C4, C6, C7, & C8)

 Joe Kucinski
story-8

Grand Sport & Grand Sport X Launch Alongside All-New 535hp LS6 V8!

 Michael S. Palmer
story-9

5 Reasons Bad Drivers Crash & 5 Ways to Avoid a Costly Mistake!

 Joe Kucinski
Old Apr 8, 2024 | 03:22 PM
  #9  
oelarse's Avatar
oelarse
Burning Brakes
Supporting Lifetime
10 Year Member
Liked
Loved
Community Favorite
 
Joined: Jul 2011
Posts: 985
Likes: 305
From: Southern Norway , Europe
Default

The above schematic is of my 2000 . This is how the 2002 is wired


Reply
Old Apr 8, 2024 | 03:39 PM
  #10  
spfautsch's Avatar
spfautsch
Pro
All Eyes On Me
Liked
Loved
 
Joined: Apr 2018
Posts: 563
Likes: 201
From: Montgomery City, MO
Default

Interesting. So the arrow on the 3rd wire of the right must be indicating it's connected to nothing. I don't have a '97 or '98 FSM, I wonder when that changed exactly as there are users who did have something connected on theirs (or so they claimed). Whatever the case, my 2001 had the same 2 wire sensor in both tanks, before and after I replaced them.

Last edited by spfautsch; Apr 8, 2024 at 06:47 PM. Reason: Clarify my broken grammar
Reply
Old Apr 8, 2024 | 05:44 PM
  #11  
Grind's Avatar
Grind
Thread Starter
Heel & Toe
 
Joined: Jul 2022
Posts: 17
Likes: 3
From: WI
Default

Originally Posted by spfautsch
There's a really long but very informative post on the subject here.

You don't mention what year - sending units are different after GM switched the tank design in mid-2003. Unfortunately this new design necessitates dropping the driveline as both tanks have to come out to get to the sending units.

If yours is the older design the job is much less difficult. Unfortunately I'm relatively certain the 19421094 part for the mid-2003 and older cars is in very short supply. RockAuto has removed it from their parts matrix for these cars, meaning whatever their source was for these has dried up. When they were readily available they were only $50 and this job is so easy on early c5s it doesn't make a lot of sense not to do both sides.

full res here
derp, my bad, it's a 2004 LS1.
Reply
Old Apr 8, 2024 | 05:52 PM
  #12  
Grind's Avatar
Grind
Thread Starter
Heel & Toe
 
Joined: Jul 2022
Posts: 17
Likes: 3
From: WI
Default

Originally Posted by oelarse
You should get a scannner and look how the two senders behave when fuel levels change .
When you fill up your car the left tank sender increase first 0-2.5 volt when your gage moves from 0-50 % and when you fill 50-100% your right sender increase from 0-2.5volt (shown in the table below.
When you consum fuel the voltages will be reduced in the same way when luel level drop. First in the passengerside tank to zero level and secondly in the driver side tank ..
By viewing how the sender behaves you can identify if any of the senders are the problem or the problem is caused by a clogged siphron line/filter



My generic OBD II scanner didn't tell me anything, but luckily I have a Tech 2.
I'm new to it, though, so it took me a little bit to find the right screen with the fuel sensor info. I just filled up the other day, and drove 19.5 miles. Pictures are what I have:





Taken while the engine is running, not just "key on". Where do I go from here?

Thanks for all the help, so far, guys.
Reply
Old Apr 8, 2024 | 07:03 PM
  #13  
spfautsch's Avatar
spfautsch
Pro
All Eyes On Me
Liked
Loved
 
Joined: Apr 2018
Posts: 563
Likes: 201
From: Montgomery City, MO
Default

Hopefully someone with access to the 2004 FSM can chime in with better advice, but it looks like you have an open circuit going to the sensor's contact side (left tank). My process would be checking for a broken dark blue wire to PCM C2 pin 54. If the connector on the pump bulkhead can be reached for removal you could test continuity between that and the PCM connector pin. If that circuit proves good I would assume the wiper contacts on the sensor are worn off, or something else inside the tank.

Dropping the driveline is one of two things:

a) Extremely expensive (assuming you're paying someone to do it)

or

b) Extremely sucky to do unless you have a lift, a transmission jack, etc. Even if you do, it still sucks. Multiply the suckage by 2 if you're doing it on jackstands.

Last edited by spfautsch; Apr 8, 2024 at 07:39 PM.
Reply
Old Apr 8, 2024 | 08:09 PM
  #14  
Grind's Avatar
Grind
Thread Starter
Heel & Toe
 
Joined: Jul 2022
Posts: 17
Likes: 3
From: WI
Default

Eh, I guess I'll live with it... Ugh.
Reply
Old Apr 8, 2024 | 09:57 PM
  #15  
smitty2919's Avatar
smitty2919
Le Mans Master
 
Joined: Jun 2016
Posts: 5,378
Likes: 3,914
From: Cincinnati, OH
Default

Have you checked the voltage coming out of the senders AT THE TANKS on the signal wires? This tells you if the senders are working OK.
If they are OK, then I would check the voltage on the signal wires going INTO the PCM. This confirms the wiring from tanks to the PCM are OK.
Then check the voltage on the signal wires coming out of the PCM to the cluster for fuel level.

All of this can be done without dropping the drivetrain etc. You will need to do some digging to get to the PCM behind the passenger side fender though.

You can use a safety pin or sewing pin to probe into the wire and hook a voltmeter to it.
Reply
Old Apr 8, 2024 | 10:05 PM
  #16  
Grind's Avatar
Grind
Thread Starter
Heel & Toe
 
Joined: Jul 2022
Posts: 17
Likes: 3
From: WI
Default

Ok, I'll try that, before throwing in the towel, @smitty2919
Thanks for pushing me. I'm going through some stuff, and kind of bummed right now.
Reply
Old Apr 9, 2024 | 01:41 AM
  #17  
oelarse's Avatar
oelarse
Burning Brakes
Supporting Lifetime
10 Year Member
Liked
Loved
Community Favorite
 
Joined: Jul 2011
Posts: 985
Likes: 305
From: Southern Norway , Europe
Default

Which DTC is set now ? P2066,P2067 or P2068 ?
Reply

Get notified of new replies

To Fuel Sender

Old Apr 9, 2024 | 07:27 AM
  #18  
Grind's Avatar
Grind
Thread Starter
Heel & Toe
 
Joined: Jul 2022
Posts: 17
Likes: 3
From: WI
Default

Originally Posted by oelarse
Which DTC is set now ? P2066,P2067 or P2068 ?
I have no DTCs.
Reply
Old Apr 9, 2024 | 07:51 AM
  #19  
oelarse's Avatar
oelarse
Burning Brakes
Supporting Lifetime
10 Year Member
Liked
Loved
Community Favorite
 
Joined: Jul 2011
Posts: 985
Likes: 305
From: Southern Norway , Europe
Default

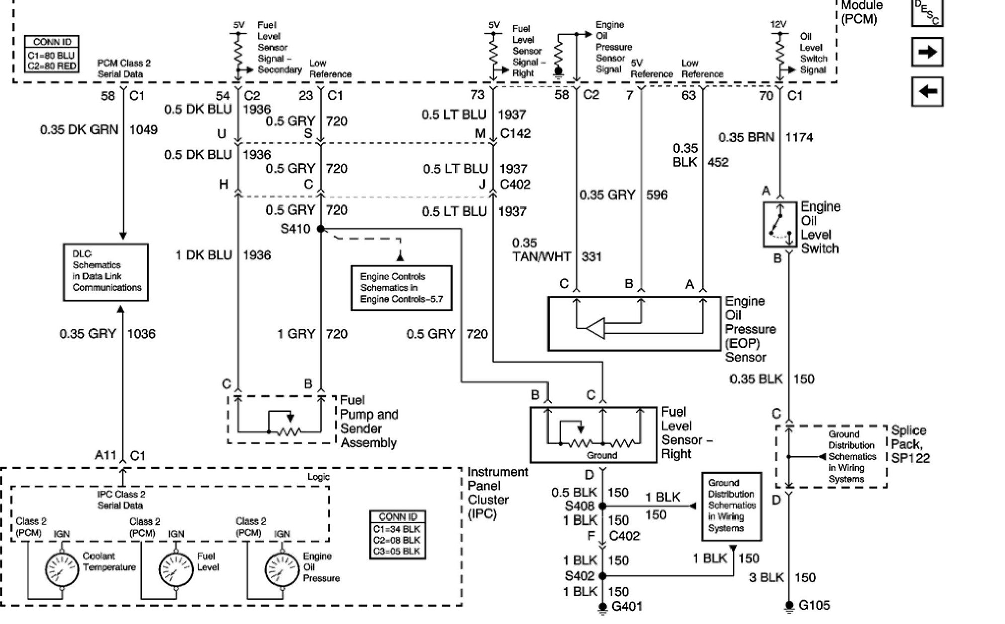
When I look at the voltage values on your drived side sender it is close to 5 volt indicating to me you have a broken circiut between C1:23 and C2:54 .
It could be the sender or some of the connection point .
Please verify/measure signals in the connectors shown on the hardness drawing below .
If you temporaly connect a variable resistor (potentiometer 0-1000 ohm ) in the C412 connector instead of the sender you should be able to simulate a sender signal and check out the wirings between the PCM and the sender when you observe the voltage readings on the Tech2




Reply
Old Apr 10, 2024 | 07:03 PM
  #20  
Grind's Avatar
Grind
Thread Starter
Heel & Toe
 
Joined: Jul 2022
Posts: 17
Likes: 3
From: WI
Default

I'll have to try to dive into it this weekend. With it showing voltage from both sides, could the senders be ok? Like you suspect, a fault in the circuit?

Last edited by Grind; Apr 10, 2024 at 08:35 PM.
Reply



All times are GMT -4. The time now is 04:08 PM.

story-0
5 Reasons to Upgrade to an LS6-Powered Corvette; 5 Reasons to Stay LT2

Slideshow: Should you buy a 2020-2026 Corvette or wait for 2027?

By Michael S. Palmer | 2026-04-22 10:08:58


VIEW MORE
story-1
2027 Corvette vs The World: Every Model vs Closest Competitor

Slideshow: 2027 Corvette lineup vs the world.

By Joe Kucinski | 2026-04-20 17:58:41


VIEW MORE
story-2
10 Most Common Corvette Problems of the Last 20 Years!

Slideshow: 10 major Corvette problems from the last 20 years.

By Joe Kucinski | 2026-04-14 16:37:05


VIEW MORE
story-3
5 MOST and 5 LEAST Popular Corvette Model Years in History!

Slideshow: 5 most and least popular Corvette model years.

By Joe Kucinski | 2026-04-08 13:25:01


VIEW MORE
story-4
2027 Corvette Buyer's Guide: Everything You Need to Know!

Slideshow: 2027 Corvette buyer's guide

By Joe Kucinski | 2026-04-17 16:41:08


VIEW MORE
story-5
10 Things C8 Corvette Owners Hate (But Won't Tell You)

Slideshow: 10 things C8 Corvette owners hate, but won't tell you.

By Joe Kucinski | 2026-04-01 18:36:07


VIEW MORE
story-6
10 Best Corvettes Coming to Barrett-Jackson Palm Beach 2026!

Slideshow: Should you add one of these incredible Corvettes to your garage?

By Brett Foote | 2026-04-01 18:14:05


VIEW MORE
story-7
Every Corvette Grand Sport Explained! (C2, C4, C6, C7, & C8)

Slideshow: Every Corvette Grand Sport explained

By Joe Kucinski | 2026-03-26 07:13:44


VIEW MORE
story-8
Grand Sport & Grand Sport X Launch Alongside All-New 535hp LS6 V8!

Slideshow: Breaking down the 2027 Grand Sport, Grand Sport X, Stingray, and LS6 V8.

By Michael S. Palmer | 2026-03-26 13:48:45


VIEW MORE
story-9
5 Reasons Bad Drivers Crash & 5 Ways to Avoid a Costly Mistake!

Slideshow: 5 reasons bad drivers crash sports cars & 5 ways to avoid a costly shame!

By Joe Kucinski | 2026-03-25 16:32:55


VIEW MORE