C6 Tech/Performance LS2, LS3, LS7, LS9 Corvette Technical Info, Internal Engine, External Engine, Tech Topics, Basic Tech, Maintenance, How to Remove & Replace
Sponsored by:
Sponsored by:

Won't start

Thread Tools
 
Search this Thread
 
Old May 23, 2023 | 04:39 PM
  #1  
stmlaf62's Avatar
stmlaf62
Thread Starter
Heel & Toe
 
Joined: Mar 2022
Posts: 24
Likes: 12
From: Mandeville, LA
Default Won't start

Disconnected Battery (Positive and Negative) to Install Vasily (RFE Design) Steering wheel. Something came up and couldn't install for a few days. Had Maintainer on Battery the whole time. Installed Steering Wheel, reconnected battery, now won't turn over. Radio powers up, Horn Blows, Trunk and Gas opens.
Any thoughts, Starter ?
Reply
Old May 23, 2023 | 04:56 PM
  #2  
C6VetteLover's Avatar
C6VetteLover
Burning Brakes
Supporting Gold
All Eyes On Me
Loved
Community Favorite
Top Answer: 1
 
Joined: Jun 2022
Posts: 750
Likes: 255
From: Florida
Default

Originally Posted by stmlaf62
Disconnected Battery (Positive and Negative) to Install Vasily (RFE Design) Steering wheel. Something came up and couldn't install for a few days. Had Maintainer on Battery the whole time. Installed Steering Wheel, reconnected battery, now won't turn over. Radio powers up, Horn Blows, Trunk and Gas opens.
Any thoughts, Starter ?
Whats the voltage on the DIC readout?
Reply
Old May 23, 2023 | 05:36 PM
  #3  
C5 Diag's Avatar
C5 Diag
Moderator, Tech Contributor
Supporting Lifetime Gold
10 Year Member
Veteran: Air Force
Liked
Community Favorite
 
Joined: Sep 2013
Posts: 15,430
Likes: 3,980
From: Cape Coral, Florida
Default

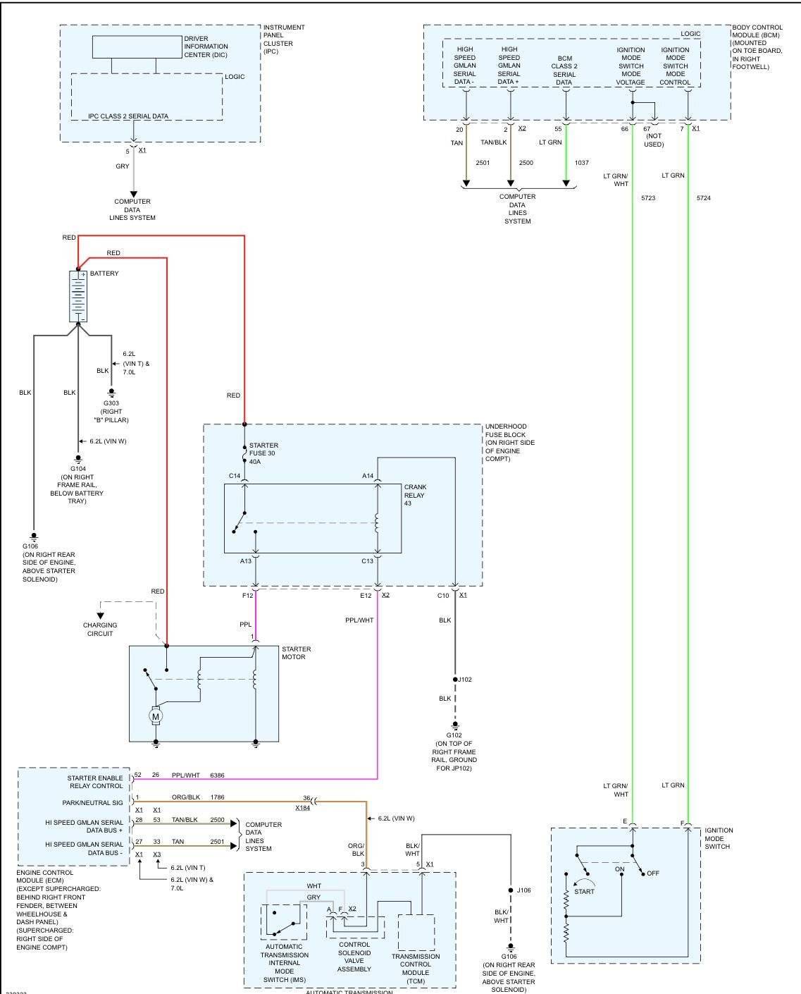
Best to read the battery voltage AT the battery….fully charged battery is 12.66 volts and if the battery reads 12.66 doesn’t mean it’s good…it always needs to be load tested…you always want to make sure the battery is good before continuing to diagnose….schematic below…you can “jump” terminals 30 and 87 (A13-C14) at crank relay #43 and if the engine cranks its not your starter.


Reply
Old May 24, 2023 | 12:13 PM
  #4  
Landru's Avatar
Landru
Race Director
20 Year Member
Veteran: Army
Liked
Community Favorite
 
Joined: Dec 2002
Posts: 10,458
Likes: 1,146
From: Wayne Township WI
Default

Clock spring?
Owners doing SW swaps sometimes screw-up the clock spring.
Not sure if it'd cause this condition, tho'.
Reply

Get notified of new replies

To Won't start





All times are GMT -4. The time now is 08:25 AM.

story-0
150 hp to 1,250 hp: Every Corvette Generation Compared by the Specs That Matter

Slideshow: From C1 to C8 we compare every Corvette generation by the numbers.

By Joe Kucinski | 2026-05-12 16:54:12


VIEW MORE
story-1
8 Coolest Corvette Pace Cars (and Replicas) of All Time

Slideshow: Some Corvette pace cars became collectible legends, while others perfectly captured the look and attitude of their era.

By Verdad Gallardo | 2026-05-11 09:50:51


VIEW MORE
story-2
Top 10 Corvette Engines RANKED by Peak Torque (70+ Years of Muscle!)

Slideshow: Ranking the top 10 Corvette engines by torque output.

By Joe Kucinski | 2026-05-05 11:58:09


VIEW MORE
story-3
Corvette ZR1X Will Be Pacing the Indy 500, And Could Probably Race, Too!

Slideshow: A Corvette pace car nearly matching IndyCar speeds sounds exaggerated, until you look at the numbers.

By Verdad Gallardo | 2026-05-04 20:03:36


VIEW MORE
story-4
Top 10 Corvettes Coming to Mecum Indy 2026!

Among a rather large group of them.

By Brett Foote | 2026-05-04 13:56:44


VIEW MORE
story-5
Top 10 C9 Corvette MUST-HAVES to Fix These C8 Generation Flaws!

Slideshow: the top 10 things Corvette owners want in the C9 Corvette

By Michael S. Palmer | 2026-04-30 12:41:15


VIEW MORE
story-6
10 Revolutionary 'Corvette Firsts' Most People Don't Know

Slideshow: 10 Important Corvette 'firsts' that every fan should know.

By Joe Kucinski | 2026-04-29 17:02:16


VIEW MORE
story-7
5 Reasons to Upgrade to an LS6-Powered Corvette; 5 Reasons to Stay LT2

Slideshow: Should you buy a 2020-2026 Corvette or wait for 2027?

By Michael S. Palmer | 2026-04-22 10:08:58


VIEW MORE
story-8
2027 Corvette vs The World: Every C8 vs Its Closest Competitor

Slideshow: 2027 Corvette lineup vs the world.

By Joe Kucinski | 2026-04-24 16:12:42


VIEW MORE
story-9
10 Most Common Corvette Problems of the Last 20 Years!

Slideshow: 10 major Corvette problems from the last 20 years.

By Joe Kucinski | 2026-04-14 16:37:05


VIEW MORE