O2 code
When the idiot told me he had to cut the exhaust to drop it down I said I've heard enough you can leave and I went ahead and finished the repair myself.
well to my fault I wasn't aware of that the exhaust was broken loose below the manifold and started the car it ran for about 2 seconds and shut down. Now it does the same thing and it's showing the PCM po601 code and the O2 sensor code po135. I'm a pretty knowledgeable mechanic as I'm a master electrician and worked on and built racecars for quite a while as I'm 62 years old. I've checked all the wiring harnesses have they exhaust all tightened up and back together but it's still doing the same thing and throwing the same codes. First question is how can I reset the PCM.
I've already disconnected the battery and the fuses and let it reset it overnight and still comes up the same and only runs for a couple seconds. The car ran fine with no codes or any check engine lights or anything on prior to this issue and the exhaust being taken apart and started. any inside or experience with this sort of issue would be a great help thanks.
Last edited by NoTyme62; Oct 24, 2024 at 11:19 AM. Reason: more info
what is the procedure for testing the sensors and see if they're actually bad which would be odd that they have a menus but worth a try before I start purchasing about a lot of stuff
what is the procedure for testing the sensors and see if they're actually bad which would be odd that they have a menus but worth a try before I start purchasing about a lot of stuff
The Best of Corvette for Corvette Enthusiasts
Last edited by C5 Diag; Oct 24, 2024 at 02:16 PM.
Last edited by C5 Diag; Oct 24, 2024 at 02:08 PM.
P0135 HO2S Heater Performance Bank 1 Sensor 1 ECM
Of the two, and the reason that the motor is shutting itself off right after it starts, is the bank 1 problem.
Bank 2 sensors only monitoring the cats themselves, but bank 1 sensors are used for the ECM in closed loop.
So motor is starting, bank on1 sensor for the P0135 is not able to heat the sensor up enough so it can burn off the excess fuel from rich start up, and has the motor running way too rich, and why it shutting off. The fact that is a performance issues for the heater, either heater circut not getting the O2 sensor hot enough, or you have a wiring problem with not enough voltage to heater side on the sensor, or problem with the ground side of heater circut not allowing the full power to heater side of circut to heat it up correctly.
On bank 2 sensor 2(rear sensor down line after the cat), ECM is getting no feed back that sensor, either same problem above, or sensor it broken instead.
So problem P0135, maybe dropped the X pipe after pulling the exhaust and killed the sensor in that section, but P0160 sensor the one before the cat, and the cat not having to be removed, either grounding problem for the sensor, or they burnt/cut the sensor wires instead.
And WTF on cutting the X pipe out? Does this car have an after market exhaust system that someone welded the headers to X pipe.
On standard exhaust, if the down pipe after cats to X pipe nuts are rusted/snap off, you just cut the bolts off, and replace the them in the end. Hence remove bolts from downpipe after cats to X pipe, allow X pipe to slightly drop, loosen X pipe to muffler clamps, so you can pull the X pipe towards the engine to drop it out.
If you have headers that the collector sections are slip fit both ends, the kind of the same, but will need to push the X pipe and mufflers back to back of car to slip the X pipe off the header collector (or just unbolt the muffler pipes if after market mufflers, since they are not one piece like OEM mufflers, then it pretty much the same for removing the X as well.
And a better one, was the shifter cable itself snapped, or what is just the end grommets on the cable that needed to be replaced instead?
Unless shifter cable itself is snapped and it needed to be replaced in it entirety, no reason to drop the X pipe and tunnel sheild, since you can get to both ends of the cable to just replace the shifter cable end grommets.
P0135 HO2S Heater Performance Bank 1 Sensor 1 ECM
Of the two, and the reason that the motor is shutting itself off right after it starts, is the bank 1 problem.
Bank 2 sensors only monitoring the cats themselves, but bank 1 sensors are used for the ECM in closed loop.
So motor is starting, bank on1 sensor for the P0135 is not able to heat the sensor up enough so it can burn off the excess fuel from rich start up, and has the motor running way too rich, and why it shutting off. The fact that is a performance issues for the heater, either heater circut not getting the O2 sensor hot enough, or you have a wiring problem with not enough voltage to heater side on the sensor, or problem with the ground side of heater circut not allowing the full power to heater side of circut to heat it up correctly.
On bank 2 sensor 2(rear sensor down line after the cat), ECM is getting no feed back that sensor, either same problem above, or sensor it broken instead.
So problem P0135, maybe dropped the X pipe after pulling the exhaust and killed the sensor in that section, but P0160 sensor the one before the cat, and the cat not having to be removed, either grounding problem for the sensor, or they burnt/cut the sensor wires instead.
And WTF on cutting the X pipe out? Does this car have an after market exhaust system that someone welded the headers to X pipe.
On standard exhaust, if the down pipe after cats to X pipe nuts are rusted/snap off, you just cut the bolts off, and replace the them in the end. Hence remove bolts from downpipe after cats to X pipe, allow X pipe to slightly drop, loosen X pipe to muffler clamps, so you can pull the X pipe towards the engine to drop it out.
If you have headers that the collector sections are slip fit both ends, the kind of the same, but will need to push the X pipe and mufflers back to back of car to slip the X pipe off the header collector (or just unbolt the muffler pipes if after market mufflers, since they are not one piece like OEM mufflers, then it pretty much the same for removing the X as well.
And a better one, was the shifter cable itself snapped, or what is just the end grommets on the cable that needed to be replaced instead?
Unless shifter cable itself is snapped and it needed to be replaced in it entirety, no reason to drop the X pipe and tunnel sheild, since you can get to both ends of the cable to just replace the shifter cable end grommets.
Never heard of a bad O2 heater circuit causing a shutdown on a Corvette or any other car…excess fuel is unburned fuel and the O2 sensor if anything will see a lean condition not rich since it senses oxygen and not fuel….to check for yourself remove fuse 6 that powers both upstream O2 sensor heater circuits and see if your car stalls when trying to start it.
Last edited by C5 Diag; Oct 24, 2024 at 04:41 PM.
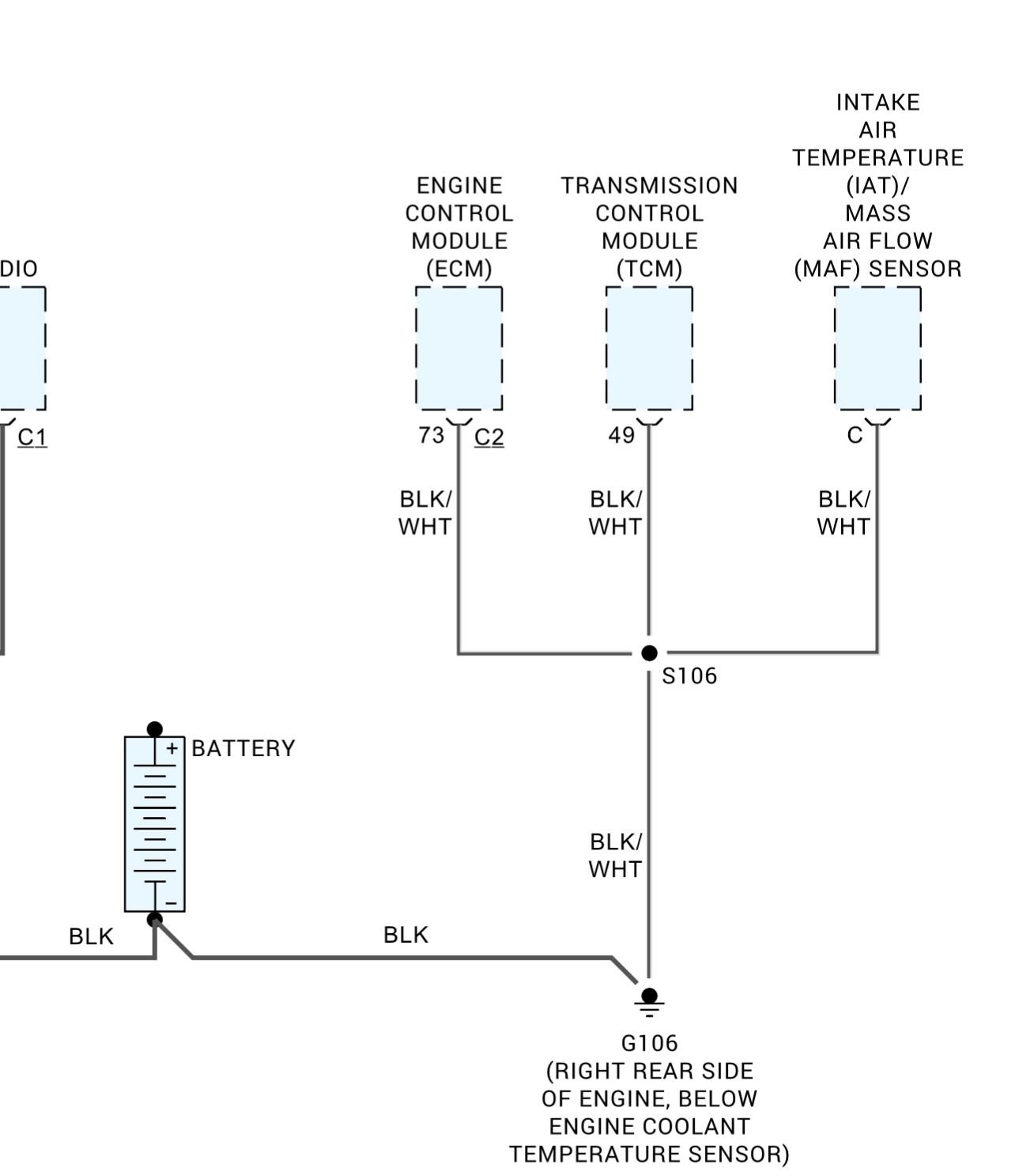
So also check your wiring around the transmission. The diagnostic flowchart that C5 Diag has is basically the same for the TCM as is for the ECM.



















