C6 Tech/Performance LS2, LS3, LS7, LS9 Corvette Technical Info, Internal Engine, External Engine, Tech Topics, Basic Tech, Maintenance, How to Remove & Replace
Sponsored by:
Sponsored by:

Electrical Issues.

Thread Tools
 
Search this Thread
 
Old Feb 23, 2025 | 12:42 AM
  #1  
LS Tyler's Avatar
LS Tyler
Thread Starter
4th Gear
 
Joined: Feb 2025
Posts: 6
Likes: 1
Default Electrical Issues.

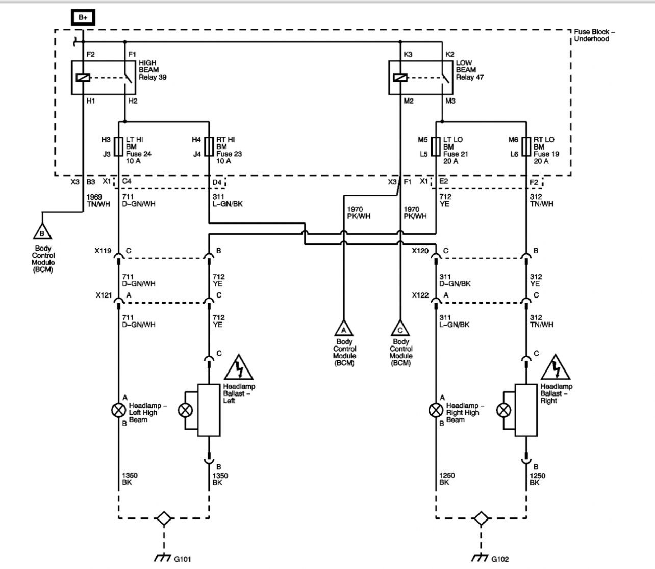
Dropped my procharged C6 off at a shop to get aftermarket clutch replaced because it would be easier on their 2 post lift rather than our 4 post. Picked the car up and it had lots of issues. lots of loose parts, and the car wouldn't start. Long story short, i jumped my auxiliary to get it home and was going through everything. took apart the fuse box to find lose contact for main fuel pump. fixed it all up and tightened all of the lose stuff the shop didn't torque properly. I had also found a lose ground in the driver rear. after cleaning and tightening the ground, went for a test drive I noticed the the "service active handling" on the dash ,and the SPEEDOMETER AND HIGHBEAMS WERE NOT WORKING. As well as a P0650 for the malfunction indicator lamp. I had checked every fuse for BCM and high beams everything looked good. Checked all the speed sensors and they were all plugged in and secure. I'm not sure what to do next because it was just working a few hours before. ANY HELP? thanks

very much
Reply
Old Feb 23, 2025 | 07:23 AM
  #2  
C5 Diag's Avatar
C5 Diag
Moderator, Tech Contributor
Supporting Lifetime Gold
10 Year Member
Veteran: Air Force
Liked
Community Favorite
 
Joined: Sep 2013
Posts: 15,433
Likes: 3,981
From: Cape Coral, Florida
Default

Make sure your shop plugged in your VSS sensor…high beam and P0650 flow charts below…good luck in your testing…as a new member it’s a good idea to at least let us know what model year C6 you own as there are some changes….if this testing is over your head find an auto electric shop in your area.










Last edited by C5 Diag; Feb 23, 2025 at 08:35 AM.
Reply




All times are GMT -4. The time now is 02:59 AM.

story-0
150 hp to 1,250 hp: Every Corvette Generation Compared by the Specs That Matter

Slideshow: From C1 to C8 we compare every Corvette generation by the numbers.

By Joe Kucinski | 2026-05-12 16:54:12


VIEW MORE
story-1
8 Coolest Corvette Pace Cars (and Replicas) of All Time

Slideshow: Some Corvette pace cars became collectible legends, while others perfectly captured the look and attitude of their era.

By Verdad Gallardo | 2026-05-11 09:50:51


VIEW MORE
story-2
Top 10 Corvette Engines RANKED by Peak Torque (70+ Years of Muscle!)

Slideshow: Ranking the top 10 Corvette engines by torque output.

By Joe Kucinski | 2026-05-05 11:58:09


VIEW MORE
story-3
Corvette ZR1X Will Be Pacing the Indy 500, And Could Probably Race, Too!

Slideshow: A Corvette pace car nearly matching IndyCar speeds sounds exaggerated, until you look at the numbers.

By Verdad Gallardo | 2026-05-04 20:03:36


VIEW MORE
story-4
Top 10 Corvettes Coming to Mecum Indy 2026!

Among a rather large group of them.

By Brett Foote | 2026-05-04 13:56:44


VIEW MORE
story-5
Top 10 C9 Corvette MUST-HAVES to Fix These C8 Generation Flaws!

Slideshow: the top 10 things Corvette owners want in the C9 Corvette

By Michael S. Palmer | 2026-04-30 12:41:15


VIEW MORE
story-6
10 Revolutionary 'Corvette Firsts' Most People Don't Know

Slideshow: 10 Important Corvette 'firsts' that every fan should know.

By Joe Kucinski | 2026-04-29 17:02:16


VIEW MORE
story-7
5 Reasons to Upgrade to an LS6-Powered Corvette; 5 Reasons to Stay LT2

Slideshow: Should you buy a 2020-2026 Corvette or wait for 2027?

By Michael S. Palmer | 2026-04-22 10:08:58


VIEW MORE
story-8
2027 Corvette vs The World: Every C8 vs Its Closest Competitor

Slideshow: 2027 Corvette lineup vs the world.

By Joe Kucinski | 2026-04-24 16:12:42


VIEW MORE
story-9
10 Most Common Corvette Problems of the Last 20 Years!

Slideshow: 10 major Corvette problems from the last 20 years.

By Joe Kucinski | 2026-04-14 16:37:05


VIEW MORE