C7 Tech/Performance Corvette Technical Info, Internal Engine, External Engine, Tech Topics, Basic Tech, Maintenance, How to Remove & Replace
Sponsored by:
Sponsored by:

Air-conditioning stopped working

Thread Tools
 
Search this Thread
 
Old May 16, 2023 | 10:42 AM
  #1  
Prodago's Avatar
Prodago
Thread Starter
Burning Brakes
20 Year Member
 
Joined: Jan 2001
Posts: 847
Likes: 9
From: Beaumont Tx
Default Air-conditioning stopped working

Where is the AC compressor clutch wiring connector located? The clutch is not engaging. And I want to test it while it’s on the vehicle. Thanks in advance.
Reply
Old May 16, 2023 | 12:13 PM
  #2  
JAB702's Avatar
JAB702
Cruising
 
Joined: Dec 2021
Posts: 11
Likes: 3
Default

Originally Posted by Prodago
Where is the AC compressor clutch wiring connector located? The clutch is not engaging. And I want to test it while it’s on the vehicle. Thanks in advance.

Its tough to get to the clutch connector but here is a pic i took the other day.

The only way i can see getting to it is removing the compressor or removing the fusebox and mounting tray.

Removing the fusebox is easier then it sounds and took 30 minutes to remove and replace.







Reply
Old May 16, 2023 | 12:23 PM
  #3  
CPB's Avatar
CPB
Burning Brakes
All Eyes On Me
Loved
Community Favorite
Top Answer: 1
 
Joined: Jan 2019
Posts: 954
Likes: 376
From: Louisiana
Default

Originally Posted by Prodago
Where is the AC compressor clutch wiring connector located? The clutch is not engaging. And I want to test it while it’s on the vehicle. Thanks in advance.
If you test that it isn't getting signal, be sure to verify that there is refrigerant in the system. Most will save the compressor from failure by not allowing the system to energize the clutch if the refrigerant is too low in PSI.
Reply
Old May 16, 2023 | 02:29 PM
  #4  
C5 Diag's Avatar
C5 Diag
Moderator, Tech Contributor
Supporting Lifetime Gold
10 Year Member
Veteran: Air Force
Liked
Community Favorite
 
Joined: Sep 2013
Posts: 15,434
Likes: 3,981
From: Cape Coral, Florida
Default

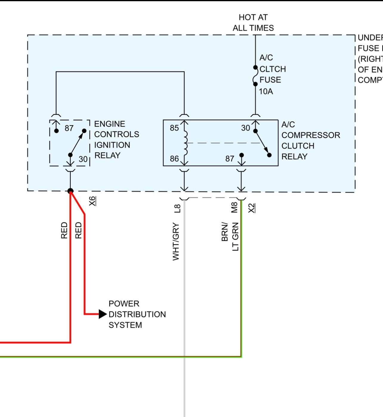
You can try swapping the AC Clutch relay with another 4 pin relay like the horn and see if it works…next check AC Clutch Fuse (10 amps)…if fuse is good remove the relay and jumper the load side of the relay which is pins 87 and 30…pin 30 is “hot at all times” so with a 12 volt test light find pin 30 and 87 is diagonally across from it…with the 12 volt test light connected to ground the light will illuminate on both sides of the fuse if good….when you jumper 87 and 30 the clutch should “click”…the ignition does not have to be on since the fuse is always hot.





Last edited by C5 Diag; May 16, 2023 at 02:36 PM.
Reply
Old May 17, 2023 | 08:59 PM
  #5  
Prodago's Avatar
Prodago
Thread Starter
Burning Brakes
20 Year Member
 
Joined: Jan 2001
Posts: 847
Likes: 9
From: Beaumont Tx
Default

Thanks for all the suggestions guys! I found it
Reply
Old May 17, 2023 | 09:00 PM
  #6  
C5 Diag's Avatar
C5 Diag
Moderator, Tech Contributor
Supporting Lifetime Gold
10 Year Member
Veteran: Air Force
Liked
Community Favorite
 
Joined: Sep 2013
Posts: 15,434
Likes: 3,981
From: Cape Coral, Florida
Default

What did you find ???
Reply
Old May 18, 2023 | 11:21 PM
  #7  
Prodago's Avatar
Prodago
Thread Starter
Burning Brakes
20 Year Member
 
Joined: Jan 2001
Posts: 847
Likes: 9
From: Beaumont Tx
Default

Originally Posted by C5 Diag
What did you find ???
Clutch coil short…..😡
Reply

Get notified of new replies

To Air-conditioning stopped working





All times are GMT -4. The time now is 06:27 AM.

story-0
150 hp to 1,250 hp: Every Corvette Generation Compared by the Specs That Matter

Slideshow: From C1 to C8 we compare every Corvette generation by the numbers.

By Joe Kucinski | 2026-05-12 16:54:12


VIEW MORE
story-1
8 Coolest Corvette Pace Cars (and Replicas) of All Time

Slideshow: Some Corvette pace cars became collectible legends, while others perfectly captured the look and attitude of their era.

By Verdad Gallardo | 2026-05-11 09:50:51


VIEW MORE
story-2
Top 10 Corvette Engines RANKED by Peak Torque (70+ Years of Muscle!)

Slideshow: Ranking the top 10 Corvette engines by torque output.

By Joe Kucinski | 2026-05-05 11:58:09


VIEW MORE
story-3
Corvette ZR1X Will Be Pacing the Indy 500, And Could Probably Race, Too!

Slideshow: A Corvette pace car nearly matching IndyCar speeds sounds exaggerated, until you look at the numbers.

By Verdad Gallardo | 2026-05-04 20:03:36


VIEW MORE
story-4
Top 10 Corvettes Coming to Mecum Indy 2026!

Among a rather large group of them.

By Brett Foote | 2026-05-04 13:56:44


VIEW MORE
story-5
Top 10 C9 Corvette MUST-HAVES to Fix These C8 Generation Flaws!

Slideshow: the top 10 things Corvette owners want in the C9 Corvette

By Michael S. Palmer | 2026-04-30 12:41:15


VIEW MORE
story-6
10 Revolutionary 'Corvette Firsts' Most People Don't Know

Slideshow: 10 Important Corvette 'firsts' that every fan should know.

By Joe Kucinski | 2026-04-29 17:02:16


VIEW MORE
story-7
5 Reasons to Upgrade to an LS6-Powered Corvette; 5 Reasons to Stay LT2

Slideshow: Should you buy a 2020-2026 Corvette or wait for 2027?

By Michael S. Palmer | 2026-04-22 10:08:58


VIEW MORE
story-8
2027 Corvette vs The World: Every C8 vs Its Closest Competitor

Slideshow: 2027 Corvette lineup vs the world.

By Joe Kucinski | 2026-04-24 16:12:42


VIEW MORE
story-9
10 Most Common Corvette Problems of the Last 20 Years!

Slideshow: 10 major Corvette problems from the last 20 years.

By Joe Kucinski | 2026-04-14 16:37:05


VIEW MORE