C3 Tech/Performance V8 Technical Info, Internal Engine, External Engine, Basic Tech and Maintenance for the C3 Corvette
Sponsored by:
Sponsored by:

Starting Issue

Thread Tools
 
Search this Thread
 
Old May 29, 2024 | 07:46 PM
  #1  
RFine73's Avatar
RFine73
Thread Starter
Advanced
All Eyes On Me
Liked
Loved
Community Favorite
 
Joined: Jan 2022
Posts: 57
Likes: 36
From: Brighton, CO
Default Starting Issue

I have a 1973 L82 with close ratio 4sp. My son and I took the center dash apart to get at the clock and water temp gauges since neither worked. During disassembly, I decided to take the car out on a nice day. I know, a dumb move, as I forgot about the oil line to the oil pressure gauge. About 1/2 way through my drive that small line began spewing oil into the passenger compartment. I got the car shut down ASAP. But after getting things tightened up so I could get the car home, it would not start. No electrical at all.

Well, after flat bedding the car home (thank you Hagerty), getting it clean up (what a mess), and getting the dash put back together it still will not start. I have a new battery and the new clock is still ticking away keeping good time. So I know there is electrical somewhere. My interior lights don't seem to work anymore though. Any thoughts are appreciated.

Reply
Old May 29, 2024 | 11:16 PM
  #2  
Bikespace's Avatar
Bikespace
Race Director
Liked
Loved
Community Favorite
Top Answer: 1
 
Joined: Mar 2017
Posts: 11,905
Likes: 4,479
From: Virginia
Default

Have you checked the fuses?

The clutch safety switch may prevent you from starting the car, but is easy to bypass temporarily.
Reply
Old May 30, 2024 | 06:58 AM
  #3  
The Punisher's Avatar
The Punisher
Melting Slicks
15 Year Member
Liked
Loved
Community Favorite
 
Joined: Oct 2006
Posts: 2,938
Likes: 173
From: hebron IL
C3 of Year Finalist (appearance mods) 2019
Default

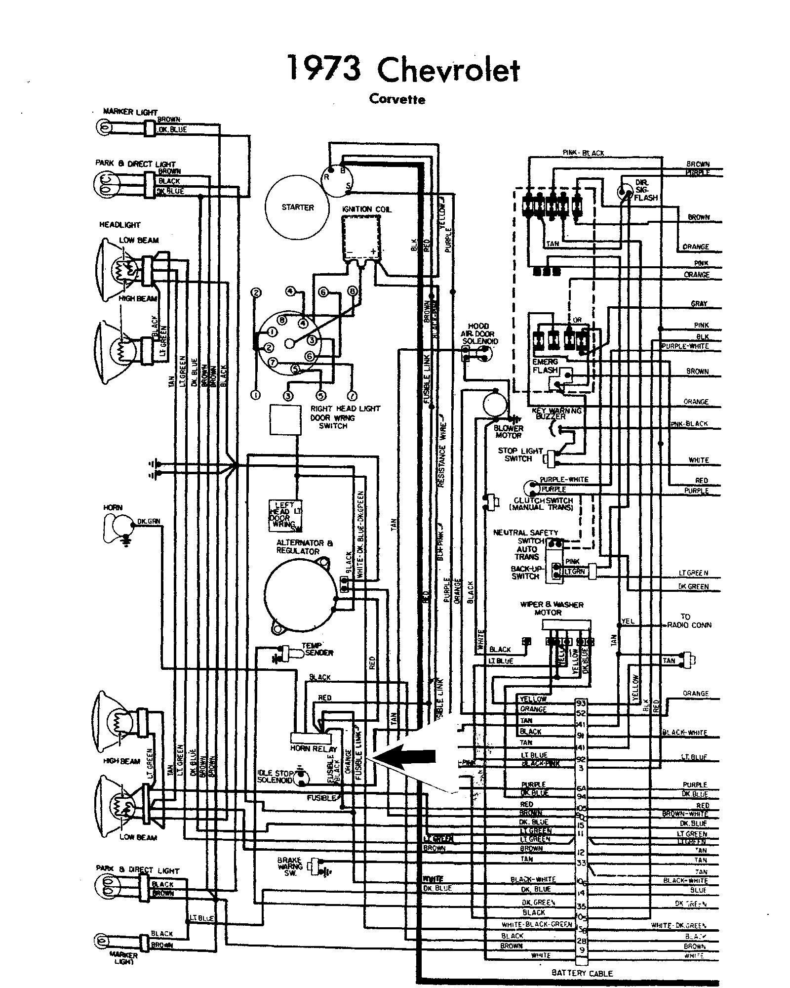
If the car has no electrical at all. Look for the fusible link going down to the starter.
Reply
Old May 30, 2024 | 07:49 AM
  #4  
4-vettes's Avatar
4-vettes
Race Director
15 Year Member
Liked
Loved
Top Answer: 1
 
Joined: Nov 2006
Posts: 13,151
Likes: 7,765
From: Sunshine Coast, Queensland, Australia
2025 C3 of the Year Finalist - Modified
2024 C3 of the Year Finalist- Modified
2022 C3 of the Year Finalist - Modified
Cruise-In VIII Veteran
Default

Oil sprayed around behind the dash and all over the interior. What did it short out?
start by assessing where you have power, and where you don't.
Reply
Old May 30, 2024 | 06:30 PM
  #5  
RFine73's Avatar
RFine73
Thread Starter
Advanced
All Eyes On Me
Liked
Loved
Community Favorite
 
Joined: Jan 2022
Posts: 57
Likes: 36
From: Brighton, CO
Default

I will check the fuses. I have exterior lights, dash lights, horn, etc. I don't have the radio, wipers, or engine starting
Reply
Old May 30, 2024 | 08:32 PM
  #6  
Peterbuilt's Avatar
Peterbuilt
Le Mans Master
15 Year Member
 
Joined: Aug 2006
Posts: 7,417
Likes: 1,554
From: mount holly NC
2025 c3 ('74-'82) of the Year Finalist - Unmodified
2019 C3 of Year Finalist (appearance mods)
Default

You have 1 fusible link by the starter and another 1 near the horn relay, have you checked that one?

Reply
Old May 30, 2024 | 09:22 PM
  #7  
RFine73's Avatar
RFine73
Thread Starter
Advanced
All Eyes On Me
Liked
Loved
Community Favorite
 
Joined: Jan 2022
Posts: 57
Likes: 36
From: Brighton, CO
Default

Will do. Are these located in the engine bay? I think that's what you're saying in your message. I had assumed all the fuses were located under the driver side dash.
Thank you very much,
Craig
Reply
Old May 31, 2024 | 01:03 PM
  #8  
Peterbuilt's Avatar
Peterbuilt
Le Mans Master
15 Year Member
 
Joined: Aug 2006
Posts: 7,417
Likes: 1,554
From: mount holly NC
2025 c3 ('74-'82) of the Year Finalist - Unmodified
2019 C3 of Year Finalist (appearance mods)
Default

Originally Posted by RFine73
Will do. Are these located in the engine bay? I think that's what you're saying in your message. I had assumed all the fuses were located under the driver side dash.
Thank you very much,
Craig
Glass fuses are found in the fuse box, a fusible link is a wire.
Your horn relay is under the hood and on the left inside fender.
Here's an internet photo of what it looks like:



Reply
Corvette Stories

The Best of Corvette for Corvette Enthusiasts

story-0

150 hp to 1,250 hp: Every Corvette Generation Compared by the Specs That Matter

 Joe Kucinski
story-1

8 Coolest Corvette Pace Cars (and Replicas) of All Time

 Verdad Gallardo
story-2

Top 10 Corvette Engines RANKED by Peak Torque (70+ Years of Muscle!)

 Joe Kucinski
story-3

Corvette ZR1X Will Be Pacing the Indy 500, And Could Probably Race, Too!

 Verdad Gallardo
story-4

Top 10 Corvettes Coming to Mecum Indy 2026!

 Brett Foote
story-5

Top 10 C9 Corvette MUST-HAVES to Fix These C8 Generation Flaws!

 Michael S. Palmer
story-6

10 Revolutionary 'Corvette Firsts' Most People Don't Know

 Joe Kucinski
story-7

5 Reasons to Upgrade to an LS6-Powered Corvette; 5 Reasons to Stay LT2

 Michael S. Palmer
story-8

2027 Corvette vs The World: Every C8 vs Its Closest Competitor

 Joe Kucinski
story-9

10 Most Common Corvette Problems of the Last 20 Years!

 Joe Kucinski
Old May 31, 2024 | 03:06 PM
  #9  
Rescue Rogers's Avatar
Rescue Rogers
Is my vette stock?? HAHA
Supporting Lifetime Gold
Veteran: Navy
10 Year Member
Community Builder
Loved
 
Joined: Oct 2015
Posts: 20,114
Likes: 9,242
From: Im not allowed to tell you
2020 C3 of the Year Finalist - Modified
2020 Corvette of the Year Finalist (performance mods)
2019 C3 of Year Winner (performance mods)
2016 C3 of Year Finalist
Default

I would say that you popped a fuse for the ignition when you were wrenching behind the dash withthe oil line. The ign side of the fuse block has more than one tap on it so you may have more than one fuse gone....All the fuse panel power comes in from the positive side of the starter and the horn relay on older models
Reply
Old May 31, 2024 | 07:13 PM
  #10  
Peterbuilt's Avatar
Peterbuilt
Le Mans Master
15 Year Member
 
Joined: Aug 2006
Posts: 7,417
Likes: 1,554
From: mount holly NC
2025 c3 ('74-'82) of the Year Finalist - Unmodified
2019 C3 of Year Finalist (appearance mods)
Default Hi again

There is a second fusible link (also at the horn relay) and this one sends power to the ignition switch.


Page 2:

Reply

Get notified of new replies

To Starting Issue





All times are GMT -4. The time now is 05:39 PM.

story-0
150 hp to 1,250 hp: Every Corvette Generation Compared by the Specs That Matter

Slideshow: From C1 to C8 we compare every Corvette generation by the numbers.

By Joe Kucinski | 2026-05-12 16:54:12


VIEW MORE
story-1
8 Coolest Corvette Pace Cars (and Replicas) of All Time

Slideshow: Some Corvette pace cars became collectible legends, while others perfectly captured the look and attitude of their era.

By Verdad Gallardo | 2026-05-11 09:50:51


VIEW MORE
story-2
Top 10 Corvette Engines RANKED by Peak Torque (70+ Years of Muscle!)

Slideshow: Ranking the top 10 Corvette engines by torque output.

By Joe Kucinski | 2026-05-05 11:58:09


VIEW MORE
story-3
Corvette ZR1X Will Be Pacing the Indy 500, And Could Probably Race, Too!

Slideshow: A Corvette pace car nearly matching IndyCar speeds sounds exaggerated, until you look at the numbers.

By Verdad Gallardo | 2026-05-04 20:03:36


VIEW MORE
story-4
Top 10 Corvettes Coming to Mecum Indy 2026!

Among a rather large group of them.

By Brett Foote | 2026-05-04 13:56:44


VIEW MORE
story-5
Top 10 C9 Corvette MUST-HAVES to Fix These C8 Generation Flaws!

Slideshow: the top 10 things Corvette owners want in the C9 Corvette

By Michael S. Palmer | 2026-04-30 12:41:15


VIEW MORE
story-6
10 Revolutionary 'Corvette Firsts' Most People Don't Know

Slideshow: 10 Important Corvette 'firsts' that every fan should know.

By Joe Kucinski | 2026-04-29 17:02:16


VIEW MORE
story-7
5 Reasons to Upgrade to an LS6-Powered Corvette; 5 Reasons to Stay LT2

Slideshow: Should you buy a 2020-2026 Corvette or wait for 2027?

By Michael S. Palmer | 2026-04-22 10:08:58


VIEW MORE
story-8
2027 Corvette vs The World: Every C8 vs Its Closest Competitor

Slideshow: 2027 Corvette lineup vs the world.

By Joe Kucinski | 2026-04-24 16:12:42


VIEW MORE
story-9
10 Most Common Corvette Problems of the Last 20 Years!

Slideshow: 10 major Corvette problems from the last 20 years.

By Joe Kucinski | 2026-04-14 16:37:05


VIEW MORE