C5 Tech Corvette Tech/Performance: LS1 Corvette Technical Info, Internal Engine, External Engine, Tech Topics, Basic Tech, Maintenance, How to Remove & Replace
Sponsored by:
Sponsored by:

Reduced Engine Power

Thread Tools
 
Search this Thread
 
Old Sep 11, 2021 | 02:20 PM
  #1  
vankouwenhoven's Avatar
vankouwenhoven
Thread Starter
Heel & Toe
 
Joined: Sep 2021
Posts: 18
Likes: 0
From: Chesapeak, VA
Default Reduced Engine Power

Hello I have own my 1999 C5 for a while but the other day I got side swiped long story short I pulled over and turned the car off and the lady ran off without stopping. when I proceeded to turn the car back on .... nothing ... all the lights came on but it wouldn't crank. I hear the fuel pump prime but nothing from the starter. I have checked all the fuses and none of them are blown. I started checking code and I have a few that concern me
U1040 H
U1064 H C
U1160 H C
U1176
I know that H and C are historical and current
My display also says "Reduced Engine Power"

Thank you in advance for any help I have read these forums but have never posted anything so any tips would be helpful

PS is have also tried resetting the PCM by putting the positive and negative cables together but to no avail
Reply
Old Sep 11, 2021 | 03:02 PM
  #2  
C5 Diag's Avatar
C5 Diag
Moderator, Tech Contributor
Supporting Lifetime Gold
10 Year Member
Veteran: Air Force
Liked
Community Favorite
 
Joined: Sep 2013
Posts: 15,510
Likes: 4,001
From: Cape Coral, Florida
Default

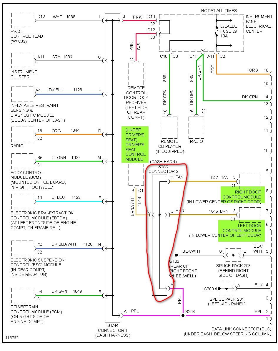
Welcome to the Forum and sorry about your accident !!…where did the car get hit ??…looks like you have “no comms” with the EBCM, BCM, DDM, and the RCDLR…if any of these modules are near to where the damage is I’d start looking for some possible wiring issues !!
Reply
Old Sep 11, 2021 | 03:07 PM
  #3  
vankouwenhoven's Avatar
vankouwenhoven
Thread Starter
Heel & Toe
 
Joined: Sep 2021
Posts: 18
Likes: 0
From: Chesapeak, VA
Default

It was right where the gas cap is and it was only a tap I don't know if they have a fuel shut off or anything but I kind of ruled that out because I hear the fuel pump prime every time I try to turn it on
Reply
Old Sep 11, 2021 | 03:43 PM
  #4  
C5 Diag's Avatar
C5 Diag
Moderator, Tech Contributor
Supporting Lifetime Gold
10 Year Member
Veteran: Air Force
Liked
Community Favorite
 
Joined: Sep 2013
Posts: 15,510
Likes: 4,001
From: Cape Coral, Florida
Default

The Remote Control Door Lock Receiver (RCDLR) is located near the gas cap area…there may be some issues with your serial data bus from that module…for now remove fuse 27 in the IP Fuse box (HVACCON)…that fuse powers the RCDLR…see what happens ?…also does your key FOB work ??

Last edited by C5 Diag; Sep 11, 2021 at 03:49 PM.
Reply
Old Sep 11, 2021 | 04:00 PM
  #5  
vankouwenhoven's Avatar
vankouwenhoven
Thread Starter
Heel & Toe
 
Joined: Sep 2021
Posts: 18
Likes: 0
From: Chesapeak, VA
Default

I will do that right now what page and and volume is that in the service manual I have all three of those and I didn't see that

Last edited by vankouwenhoven; Sep 11, 2021 at 04:01 PM.
Reply
Old Sep 11, 2021 | 04:04 PM
  #6  
C5 Diag's Avatar
C5 Diag
Moderator, Tech Contributor
Supporting Lifetime Gold
10 Year Member
Veteran: Air Force
Liked
Community Favorite
 
Joined: Sep 2013
Posts: 15,510
Likes: 4,001
From: Cape Coral, Florida
Default

That is from my 01 FSM…volume 3 page 8-662…keyless entry chapter !!
Reply
Old Sep 11, 2021 | 04:15 PM
  #7  
vankouwenhoven's Avatar
vankouwenhoven
Thread Starter
Heel & Toe
 
Joined: Sep 2021
Posts: 18
Likes: 0
From: Chesapeak, VA
Default

So I tried pulling that fuse and nothing changed also when I try to turn it to start none of the gauges go down like normal just nothing happens ... no clicking nothing
Reply
Old Sep 11, 2021 | 04:23 PM
  #8  
C5 Diag's Avatar
C5 Diag
Moderator, Tech Contributor
Supporting Lifetime Gold
10 Year Member
Veteran: Air Force
Liked
Community Favorite
 
Joined: Sep 2013
Posts: 15,510
Likes: 4,001
From: Cape Coral, Florida
Default

If you turn the key on do the windows work ??…is all you see on the DIC is reduced power ??….open the driver door and shake the rubber boot…there is a connector under there where we have some wiring issues !!…for now try that !!
Reply
Corvette Stories

The Best of Corvette for Corvette Enthusiasts

story-0

Top 10 DOs and DON'Ts for Protecting Your Convertible Top!

 Michael S. Palmer
story-1

Top 10 Most Explosive Corvettes Ever Made: Power-to-Weight Ratio Ranked!

 Joe Kucinski
story-2

150 hp to 1,250 hp: Every Corvette Generation Compared by the Specs That Matter

 Joe Kucinski
story-3

8 Coolest Corvette Pace Cars (and Replicas) of All Time

 Verdad Gallardo
story-4

Top 10 Corvette Engines RANKED by Peak Torque (70+ Years of Muscle!)

 Joe Kucinski
story-5

Corvette ZR1X Will Be Pacing the Indy 500, And Could Probably Race, Too!

 Verdad Gallardo
story-6

Top 10 Corvettes Coming to Mecum Indy 2026!

 Brett Foote
story-7

Top 10 C9 Corvette MUST-HAVES to Fix These C8 Generation Flaws!

 Michael S. Palmer
story-8

10 Revolutionary 'Corvette Firsts' Most People Don't Know

 Joe Kucinski
story-9

5 Reasons to Upgrade to an LS6-Powered Corvette; 5 Reasons to Stay LT2

 Michael S. Palmer
Old Sep 11, 2021 | 04:31 PM
  #9  
vankouwenhoven's Avatar
vankouwenhoven
Thread Starter
Heel & Toe
 
Joined: Sep 2021
Posts: 18
Likes: 0
From: Chesapeak, VA
Default

No the windows do not work neither does the radio. And no the entire gauge cluster comes up and acts normal
Reply
Old Sep 11, 2021 | 04:33 PM
  #10  
C5 Diag's Avatar
C5 Diag
Moderator, Tech Contributor
Supporting Lifetime Gold
10 Year Member
Veteran: Air Force
Liked
Community Favorite
 
Joined: Sep 2013
Posts: 15,510
Likes: 4,001
From: Cape Coral, Florida
Default

Originally Posted by vankouwenhoven
No the windows do not work neither does the radio. And no the entire gauge cluster comes up and acts normal
With key on does your fuel show E ??…is your water temp gauge maxed out ??



Last edited by C5 Diag; Sep 11, 2021 at 04:36 PM.
Reply
Old Sep 11, 2021 | 04:41 PM
  #11  
vankouwenhoven's Avatar
vankouwenhoven
Thread Starter
Heel & Toe
 
Joined: Sep 2021
Posts: 18
Likes: 0
From: Chesapeak, VA
Default

Nope fuel gauge has fuel in it and the temp and oil psi are at 0 cause it isn’t on
Reply
Old Sep 11, 2021 | 04:44 PM
  #12  
C5 Diag's Avatar
C5 Diag
Moderator, Tech Contributor
Supporting Lifetime Gold
10 Year Member
Veteran: Air Force
Liked
Community Favorite
 
Joined: Sep 2013
Posts: 15,510
Likes: 4,001
From: Cape Coral, Florida
Default

Originally Posted by vankouwenhoven
Nope fuel gauge has fuel in it and the temp and oil psi are at 0 cause it isn’t on
With a short to power or to ground on the serial data line (how all the car modules communicate with one another) you will see that with the key on !!…water temp…not oil pressure !!

Last edited by C5 Diag; Sep 11, 2021 at 04:50 PM.
Reply
Old Sep 11, 2021 | 04:51 PM
  #13  
vankouwenhoven's Avatar
vankouwenhoven
Thread Starter
Heel & Toe
 
Joined: Sep 2021
Posts: 18
Likes: 0
From: Chesapeak, VA
Default

Could you explain that last response a little more ?
Reply
Old Sep 11, 2021 | 04:55 PM
  #14  
C5 Diag's Avatar
C5 Diag
Moderator, Tech Contributor
Supporting Lifetime Gold
10 Year Member
Veteran: Air Force
Liked
Community Favorite
 
Joined: Sep 2013
Posts: 15,510
Likes: 4,001
From: Cape Coral, Florida
Default

Originally Posted by vankouwenhoven
Could you explain that last response a little more ?
I have to run out…you talking about the serial data network…maybe someone else can chime in !!
Reply
Old Sep 12, 2021 | 12:45 PM
  #15  
oelarse's Avatar
oelarse
Burning Brakes
Supporting Lifetime
10 Year Member
Liked
Loved
Community Favorite
 
Joined: Jul 2011
Posts: 991
Likes: 306
From: Southern Norway , Europe
Default

To verify if something is "killing" your serial data you can check the 0-7 volt signal with a scope ( first photo) or second best a DVOM approx 0.4 volt
It is best to use a scope to be able to view a stable pulse signal like the one below .
If you have a bad connection(partly broken wire ) corrupting the serial bus it is hard to confirm without a scope .



You can try to disconnect the 3 wire star connector in passenger footwell . This will disconnect both door modules and the seatmodule and then see if it make any difference on the non starting issue .




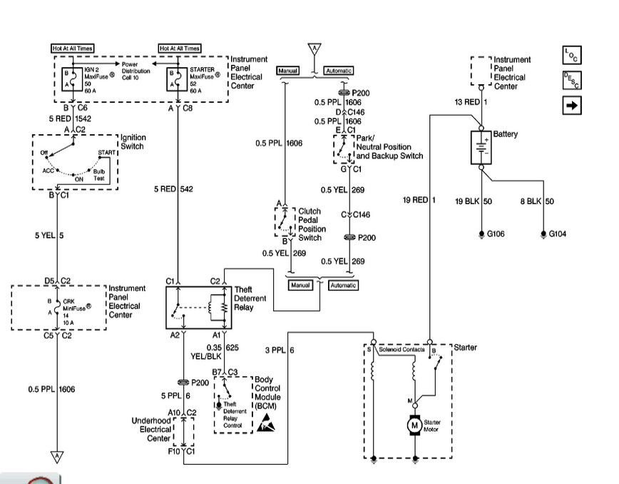
You can also check if the Body Control Module energize (grounding) the TDR relay when you try to start the engine .
Measure between a Ground point and the A1 side of the TDR you shalll measure 12volt with ignition ON .
When you press START the A1 side of the TDR will drop to 0.1-0.2 volt when the BCM energize this relay by grounding A1 side of the relay .
If the TDR energize the relay correctly the C1 to A2 relaycontact will now close and you shall measure 12 volt from MaxiFuse 52 on the A2 (PINK wire) of the TDR relay





Reply
Old Sep 13, 2024 | 07:47 AM
  #16  
ohc's Avatar
ohc
4th Gear
 
Joined: Sep 2024
Posts: 4
Likes: 0
Default

Originally Posted by C5 Diag
With key on does your fuel show E ??…is your water temp gauge maxed out ??


https://youtu.be/f_NEEdgZSlE

this is exactly whats happening to my car. Whats the problem and how expensive is the fix?
Reply
Old Sep 13, 2024 | 07:49 AM
  #17  
ohc's Avatar
ohc
4th Gear
 
Joined: Sep 2024
Posts: 4
Likes: 0
Default

Originally Posted by ohc
this is exactly whats happening to my car. Whats the problem and how expensive is the fix?

i just started my car again and it started like normal, but all yesterday it would not start and did that.
Reply
Old Sep 13, 2024 | 07:50 AM
  #18  
C5 Diag's Avatar
C5 Diag
Moderator, Tech Contributor
Supporting Lifetime Gold
10 Year Member
Veteran: Air Force
Liked
Community Favorite
 
Joined: Sep 2013
Posts: 15,510
Likes: 4,001
From: Cape Coral, Florida
Default

Originally Posted by ohc
this is exactly whats happening to my car. Whats the problem and how expensive is the fix?
Can’t exactly tell you what your problem is and the cost !!…take your car to an auto electric shop.
Reply

Get notified of new replies

To Reduced Engine Power





All times are GMT -4. The time now is 08:19 PM.

story-0
Top 10 DOs and DON'Ts for Protecting Your Convertible Top!

Slideshow: How to Protect A Convertible Top: 10 DOs & DON'Ts

By Michael S. Palmer | 2026-04-03 00:00:00


VIEW MORE
story-1
Top 10 Most Explosive Corvettes Ever Made: Power-to-Weight Ratio Ranked!

Slideshow: The 10 most explosive Corvettes ever built based on power-to-weight ratio.

By Joe Kucinski | 2026-05-20 07:23:03


VIEW MORE
story-2
150 hp to 1,250 hp: Every Corvette Generation Compared by the Specs That Matter

Slideshow: From C1 to C8 we compare every Corvette generation by the numbers.

By Joe Kucinski | 2026-05-12 16:54:12


VIEW MORE
story-3
8 Coolest Corvette Pace Cars (and Replicas) of All Time

Slideshow: Some Corvette pace cars became collectible legends, while others perfectly captured the look and attitude of their era.

By Verdad Gallardo | 2026-05-11 09:50:51


VIEW MORE
story-4
Top 10 Corvette Engines RANKED by Peak Torque (70+ Years of Muscle!)

Slideshow: Ranking the top 10 Corvette engines by torque output.

By Joe Kucinski | 2026-05-05 11:58:09


VIEW MORE
story-5
Corvette ZR1X Will Be Pacing the Indy 500, And Could Probably Race, Too!

Slideshow: A Corvette pace car nearly matching IndyCar speeds sounds exaggerated, until you look at the numbers.

By Verdad Gallardo | 2026-05-04 20:03:36


VIEW MORE
story-6
Top 10 Corvettes Coming to Mecum Indy 2026!

Among a rather large group of them.

By Brett Foote | 2026-05-04 13:56:44


VIEW MORE
story-7
Top 10 C9 Corvette MUST-HAVES to Fix These C8 Generation Flaws!

Slideshow: the top 10 things Corvette owners want in the C9 Corvette

By Michael S. Palmer | 2026-04-30 12:41:15


VIEW MORE
story-8
10 Revolutionary 'Corvette Firsts' Most People Don't Know

Slideshow: 10 Important Corvette 'firsts' that every fan should know.

By Joe Kucinski | 2026-04-29 17:02:16


VIEW MORE
story-9
5 Reasons to Upgrade to an LS6-Powered Corvette; 5 Reasons to Stay LT2

Slideshow: Should you buy a 2020-2026 Corvette or wait for 2027?

By Michael S. Palmer | 2026-04-22 10:08:58


VIEW MORE