C5 Tech Corvette Tech/Performance: LS1 Corvette Technical Info, Internal Engine, External Engine, Tech Topics, Basic Tech, Maintenance, How to Remove & Replace
Sponsored by:
Sponsored by:

2002 issues. Looking for help.

Thread Tools
 
Search this Thread
 
Old Feb 20, 2022 | 04:41 PM
  #41  
TRPLBLKC5's Avatar
TRPLBLKC5
Thread Starter
Advanced
Liked
Loved
 
Joined: Feb 2022
Posts: 52
Likes: 3
From: Colorado
Default

B+ and fuses.
fuse....... voltage....on position......start position.
13..........12.33..........0.03......... .....0.02
9............12.33..........0.02........ .....12.03
14...........0.00..........0.00......... .....0.00
21...........12.22........0.11.......... ...12.01

I used alligator clips and a length of wire to reach B+
Reply
Old Feb 20, 2022 | 04:44 PM
  #42  
C5 Diag's Avatar
C5 Diag
Moderator, Tech Contributor
Supporting Lifetime Gold
10 Year Member
Veteran: Air Force
Liked
Community Favorite
 
Joined: Sep 2013
Posts: 15,320
Likes: 3,927
From: Cape Coral, Florida
Default

What do the 3 voltages mean ??…you just need to post the voltage drop when cranking !!
Reply
Old Feb 20, 2022 | 04:55 PM
  #43  
TRPLBLKC5's Avatar
TRPLBLKC5
Thread Starter
Advanced
Liked
Loved
 
Joined: Feb 2022
Posts: 52
Likes: 3
From: Colorado
Default

13-0.02
9-12.03
14-0.00
21-12.21
Reply
Old Feb 20, 2022 | 04:57 PM
  #44  
TRPLBLKC5's Avatar
TRPLBLKC5
Thread Starter
Advanced
Liked
Loved
 
Joined: Feb 2022
Posts: 52
Likes: 3
From: Colorado
Default

do you want how much the drop is or actual vdc?
in the case of fuse14 actual vdc is 0. There is no drop in vdc because there is no voltage.
Reply
Old Feb 20, 2022 | 05:36 PM
  #45  
C5 Diag's Avatar
C5 Diag
Moderator, Tech Contributor
Supporting Lifetime Gold
10 Year Member
Veteran: Air Force
Liked
Community Favorite
 
Joined: Sep 2013
Posts: 15,320
Likes: 3,927
From: Cape Coral, Florida
Default

Originally Posted by TRPLBLKC5
do you want how much the drop is or actual vdc?
in the case of fuse14 actual vdc is 0. There is no drop in vdc because there is no voltage.
YIKES !!...actual voltage is not good if you are holding the key in start.!!..check fuse 50 (see pic) and make sure the fuse is not blown and check for actual voltage on that fuse...that should have voltage at all times.

Reply
Old Feb 20, 2022 | 06:02 PM
  #46  
TRPLBLKC5's Avatar
TRPLBLKC5
Thread Starter
Advanced
Liked
Loved
 
Joined: Feb 2022
Posts: 52
Likes: 3
From: Colorado
Default

actual voltage is 12.22. not blown. Previous voltages are actual and crank.

Last edited by TRPLBLKC5; Feb 20, 2022 at 06:09 PM.
Reply
Old Feb 20, 2022 | 06:08 PM
  #47  
C5 Diag's Avatar
C5 Diag
Moderator, Tech Contributor
Supporting Lifetime Gold
10 Year Member
Veteran: Air Force
Liked
Community Favorite
 
Joined: Sep 2013
Posts: 15,320
Likes: 3,927
From: Cape Coral, Florida
Default

Originally Posted by TRPLBLKC5
actual voltage is 12.22. not blown.
In post 44 you said you saw 0 volts and now you’re seeing 12 volts in crank ??…I’m getting confused here !!
Reply
Old Feb 20, 2022 | 06:17 PM
  #48  
TRPLBLKC5's Avatar
TRPLBLKC5
Thread Starter
Advanced
Liked
Loved
 
Joined: Feb 2022
Posts: 52
Likes: 3
From: Colorado
Default

No voltage @ fuse 14. 12.21 vdc @ fuse 50. Fuse 50 is not blown.
Reply
Corvette Stories

The Best of Corvette for Corvette Enthusiasts

story-0

5 Reasons to Upgrade to an LS6-Powered Corvette; 5 Reasons to Stay LT2

 Michael S. Palmer
story-1

2027 Corvette vs The World: Every Model vs Closest Competitor

 Joe Kucinski
story-2

10 Most Common Corvette Problems of the Last 20 Years!

 Joe Kucinski
story-3

5 MOST and 5 LEAST Popular Corvette Model Years in History!

 Joe Kucinski
story-4

2027 Corvette Buyer's Guide: Everything You Need to Know!

 Joe Kucinski
story-5

10 Things C8 Corvette Owners Hate (But Won't Tell You)

 Joe Kucinski
story-6

10 Best Corvettes Coming to Barrett-Jackson Palm Beach 2026!

 Brett Foote
story-7

Every Corvette Grand Sport Explained! (C2, C4, C6, C7, & C8)

 Joe Kucinski
story-8

Grand Sport & Grand Sport X Launch Alongside All-New 535hp LS6 V8!

 Michael S. Palmer
story-9

5 Reasons Bad Drivers Crash & 5 Ways to Avoid a Costly Mistake!

 Joe Kucinski
Old Feb 20, 2022 | 06:27 PM
  #49  
C5 Diag's Avatar
C5 Diag
Moderator, Tech Contributor
Supporting Lifetime Gold
10 Year Member
Veteran: Air Force
Liked
Community Favorite
 
Joined: Sep 2013
Posts: 15,320
Likes: 3,927
From: Cape Coral, Florida
Default

OK, so if you are holding the key in start and no power to fuse 14 but there is 12 volts at pin 50 we can assume the ignition switch is bad..now there may be an open in the wiring between the fusebox and the switch so you may want to check that after removing the switch…that part of the switch doesn’t feed your dead cluster so that may be another issue.
Reply
Old Feb 20, 2022 | 06:33 PM
  #50  
TRPLBLKC5's Avatar
TRPLBLKC5
Thread Starter
Advanced
Liked
Loved
 
Joined: Feb 2022
Posts: 52
Likes: 3
From: Colorado
Default

Thank you. I'll work on getting voltage to fuse 14.
Reply
Old Feb 20, 2022 | 06:40 PM
  #51  
C5 Diag's Avatar
C5 Diag
Moderator, Tech Contributor
Supporting Lifetime Gold
10 Year Member
Veteran: Air Force
Liked
Community Favorite
 
Joined: Sep 2013
Posts: 15,320
Likes: 3,927
From: Cape Coral, Florida
Default

Originally Posted by TRPLBLKC5
Thank you. I'll work on getting voltage to fuse 14.
If the fuse “looks” good I would still check it with the ohm meter to make sure you have continuity and if you get a switch get an AC Delco !!…and not off EBay !!
Reply
Old Feb 20, 2022 | 06:50 PM
  #52  
TRPLBLKC5's Avatar
TRPLBLKC5
Thread Starter
Advanced
Liked
Loved
 
Joined: Feb 2022
Posts: 52
Likes: 3
From: Colorado
Default

Will do. I'll let you know how it goes.
Reply
Old Feb 20, 2022 | 07:04 PM
  #53  
C5 Diag's Avatar
C5 Diag
Moderator, Tech Contributor
Supporting Lifetime Gold
10 Year Member
Veteran: Air Force
Liked
Community Favorite
 
Joined: Sep 2013
Posts: 15,320
Likes: 3,927
From: Cape Coral, Florida
Default

Originally Posted by TRPLBLKC5
Will do. I'll let you know how it goes.
I should have realized that if it was a no crank you would not have had a voltage drop….if there is no current flow there is no voltage drop !!…that is why the fuel pump fuse was good because the pump came on so there was current flow !!
Reply
Old Feb 22, 2022 | 01:39 PM
  #54  
TRPLBLKC5's Avatar
TRPLBLKC5
Thread Starter
Advanced
Liked
Loved
 
Joined: Feb 2022
Posts: 52
Likes: 3
From: Colorado
Default

Replaced ignition switch. Now have 12.30 vdc @ fuse 14 under crank.
No crank. Can hear the relay in fuse box by the battery.
Everything is the same with the exception of voltage at fuse 14.
Reply
Old Feb 22, 2022 | 03:44 PM
  #55  
TRPLBLKC5's Avatar
TRPLBLKC5
Thread Starter
Advanced
Liked
Loved
 
Joined: Feb 2022
Posts: 52
Likes: 3
From: Colorado
Default

B+ Under crank Fuse 14 0.00. Fuse 9 11.96. Fuse 13 0.02. Fuse 21 0.02.
Where do I go from here?
Thank you
Reply
Old Feb 22, 2022 | 04:26 PM
  #56  
C5 Diag's Avatar
C5 Diag
Moderator, Tech Contributor
Supporting Lifetime Gold
10 Year Member
Veteran: Air Force
Liked
Community Favorite
 
Joined: Sep 2013
Posts: 15,320
Likes: 3,927
From: Cape Coral, Florida
Default

Don't know what you mean by B+ "under" crank fuse ??...so are we checking voltage on these fuses ??...fuse 13 is the fuel pump fuse...with key ON you should see system voltage so you're saying no voltage there ??...on crank fuse so are not seeing system voltage in crank position ??...you said you had 12.30 volts...I'm gettingh confused again !!...you have to let us know if you are doing a voltage drop test or just checking voltage on those fuses.
Reply
Old Feb 22, 2022 | 04:53 PM
  #57  
TRPLBLKC5's Avatar
TRPLBLKC5
Thread Starter
Advanced
Liked
Loved
 
Joined: Feb 2022
Posts: 52
Likes: 3
From: Colorado
Default

yes, the B+ would be the voltage drop.
I did not have voltage at the crank fuse before.
Changed the ignition switch. Now I have voltage @ fuse 14 when attempting to start the motor.
Doesn't crank.
I have voltage at fuse 13. With the key on.
What would you like me to do next?

Last edited by TRPLBLKC5; Feb 22, 2022 at 05:08 PM.
Reply

Get notified of new replies

To 2002 issues. Looking for help.

Old Feb 22, 2022 | 05:18 PM
  #58  
C5 Diag's Avatar
C5 Diag
Moderator, Tech Contributor
Supporting Lifetime Gold
10 Year Member
Veteran: Air Force
Liked
Community Favorite
 
Joined: Sep 2013
Posts: 15,320
Likes: 3,927
From: Cape Coral, Florida
Default

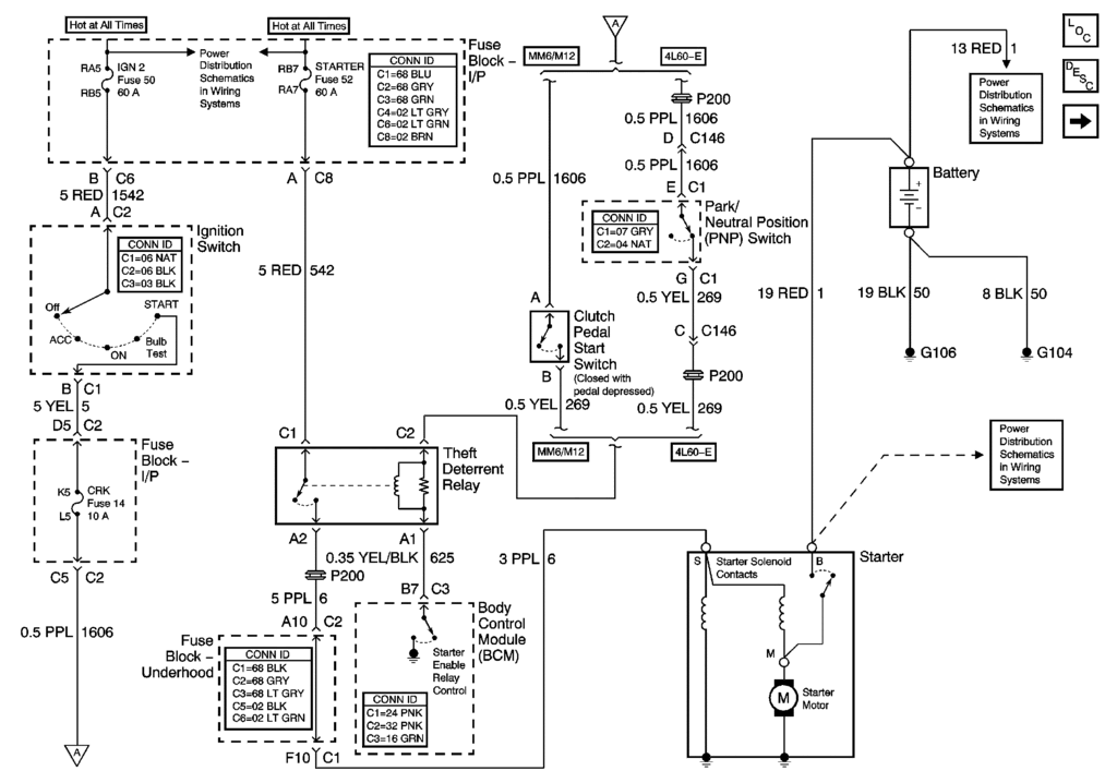
If you have power at the crank fuse power now goes to the TDR relay which is located above the BCM...see if you have system voltage at the yellow wire when you try to start the car...do you know how to read and follow a wiring diagram ??...wiring below. If no power at the TDR we may suspect the park neutral or clutch pedal switch. You can also try jumping the red and purple terminals and see if the car starts…key can be off since fuse 52 is hot at all times…make sure car in neutral or park and E brake set…don’t know if we checked fuse 52 (starter) in IP fusebox.


Last edited by C5 Diag; Feb 22, 2022 at 05:48 PM.
Reply
Old Feb 22, 2022 | 06:01 PM
  #59  
TRPLBLKC5's Avatar
TRPLBLKC5
Thread Starter
Advanced
Liked
Loved
 
Joined: Feb 2022
Posts: 52
Likes: 3
From: Colorado
Default

Yes, I can some what.
Car is an automatic.
There is 12 volts at fuse 52
I don't know how to find where the yellow wire is.
Or red and purple.
Reply
Old Feb 22, 2022 | 06:08 PM
  #60  
C5 Diag's Avatar
C5 Diag
Moderator, Tech Contributor
Supporting Lifetime Gold
10 Year Member
Veteran: Air Force
Liked
Community Favorite
 
Joined: Sep 2013
Posts: 15,320
Likes: 3,927
From: Cape Coral, Florida
Default

Originally Posted by TRPLBLKC5
Yes, I can some what.
Car is an automatic.
There is 12 volts at fuse 52
I don't know how to find where the yellow wire is.
Or red and purple.
Then like I had said see if there is voltage at the yellow wire of the TDR relay (C2) in start position.
Reply



All times are GMT -4. The time now is 03:38 PM.

story-0
5 Reasons to Upgrade to an LS6-Powered Corvette; 5 Reasons to Stay LT2

Slideshow: Should you buy a 2020-2026 Corvette or wait for 2027?

By Michael S. Palmer | 2026-04-22 10:08:58


VIEW MORE
story-1
2027 Corvette vs The World: Every Model vs Closest Competitor

Slideshow: 2027 Corvette lineup vs the world.

By Joe Kucinski | 2026-04-20 17:58:41


VIEW MORE
story-2
10 Most Common Corvette Problems of the Last 20 Years!

Slideshow: 10 major Corvette problems from the last 20 years.

By Joe Kucinski | 2026-04-14 16:37:05


VIEW MORE
story-3
5 MOST and 5 LEAST Popular Corvette Model Years in History!

Slideshow: 5 most and least popular Corvette model years.

By Joe Kucinski | 2026-04-08 13:25:01


VIEW MORE
story-4
2027 Corvette Buyer's Guide: Everything You Need to Know!

Slideshow: 2027 Corvette buyer's guide

By Joe Kucinski | 2026-04-17 16:41:08


VIEW MORE
story-5
10 Things C8 Corvette Owners Hate (But Won't Tell You)

Slideshow: 10 things C8 Corvette owners hate, but won't tell you.

By Joe Kucinski | 2026-04-01 18:36:07


VIEW MORE
story-6
10 Best Corvettes Coming to Barrett-Jackson Palm Beach 2026!

Slideshow: Should you add one of these incredible Corvettes to your garage?

By Brett Foote | 2026-04-01 18:14:05


VIEW MORE
story-7
Every Corvette Grand Sport Explained! (C2, C4, C6, C7, & C8)

Slideshow: Every Corvette Grand Sport explained

By Joe Kucinski | 2026-03-26 07:13:44


VIEW MORE
story-8
Grand Sport & Grand Sport X Launch Alongside All-New 535hp LS6 V8!

Slideshow: Breaking down the 2027 Grand Sport, Grand Sport X, Stingray, and LS6 V8.

By Michael S. Palmer | 2026-03-26 13:48:45


VIEW MORE
story-9
5 Reasons Bad Drivers Crash & 5 Ways to Avoid a Costly Mistake!

Slideshow: 5 reasons bad drivers crash sports cars & 5 ways to avoid a costly shame!

By Joe Kucinski | 2026-03-25 16:32:55


VIEW MORE