C5 Tech Corvette Tech/Performance: LS1 Corvette Technical Info, Internal Engine, External Engine, Tech Topics, Basic Tech, Maintenance, How to Remove & Replace
Sponsored by:
Sponsored by:

Reverse lights not working

Thread Tools
 
Search this Thread
 
Old Dec 15, 2023 | 07:44 PM
  #1  
NarcoticCow's Avatar
NarcoticCow
Thread Starter
Advanced
 
Joined: Mar 2023
Posts: 73
Likes: 13
From: Houston, TX
Default Reverse lights not working

Hey y'all

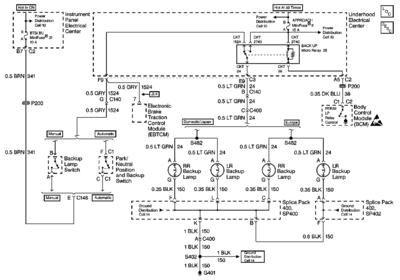
Since I bought the car last December my reverse lights have not been working. About a year ago I remember checking the related fuse or relay (I forgot which one it was, this was 10-11 months ago) and I recall them being fine. Then I replaced the bulbs and that didn't work either. Today I got to replacing the reverse light sensor (I have a 6mt), and this hasn't fixed the problem either. Is there anything else in the reverse light system that could go bad or should I just admit defeat.

Also, if the mods are watching, sorry for making 3 new threads in an hour. I had a bit too much caffeine and am getting through a lot of the small tasks I've saved up this past month.
Reply
Old Dec 16, 2023 | 10:49 AM
  #2  
i_york's Avatar
i_york
Burning Brakes
20 Year Member
 
Joined: Mar 2003
Posts: 915
Likes: 1
From: UK
Default

There are 2 fuses: 1 in the fuse box in the engine bay (fuse #2, 15A, IIRC) and another in the passenger footwell. The relay is also under the hood (5-pin micro-relay, #38).
Reply
Old Dec 16, 2023 | 11:34 PM
  #3  
Bill Curlee's Avatar
Bill Curlee
Tech Contributor
Supporting Lifetime Gold
Veteran: Navy
25 Year Member
Liked
Community Favorite
 
Joined: Dec 1999
Posts: 32,910
Likes: 2,402
From: Anthony TX
CI 6,7,8,9,11 Vet
St. Jude Donor '08
Default


Reply
Old Dec 16, 2023 | 11:40 PM
  #4  
Bill Curlee's Avatar
Bill Curlee
Tech Contributor
Supporting Lifetime Gold
Veteran: Navy
25 Year Member
Liked
Community Favorite
 
Joined: Dec 1999
Posts: 32,910
Likes: 2,402
From: Anthony TX
CI 6,7,8,9,11 Vet
St. Jude Donor '08
Default

Can you get them to light when you use the FOB to unlock the car? Make sure that you have the settings set for approach light set to on in the settings/options. The BCM uses the other contacts in the relay to turn on the lights.

On top of each fuse, there are two test points. Test both test points to chassis ground and check for full battery voltage. on each test point.
Reply

Get notified of new replies

To Reverse lights not working





All times are GMT -4. The time now is 12:11 PM.

story-0
150 hp to 1,250 hp: Every Corvette Generation Compared by the Specs That Matter

Slideshow: From C1 to C8 we compare every Corvette generation by the numbers.

By Joe Kucinski | 2026-05-12 16:54:12


VIEW MORE
story-1
8 Coolest Corvette Pace Cars (and Replicas) of All Time

Slideshow: Some Corvette pace cars became collectible legends, while others perfectly captured the look and attitude of their era.

By Verdad Gallardo | 2026-05-11 09:50:51


VIEW MORE
story-2
Top 10 Corvette Engines RANKED by Peak Torque (70+ Years of Muscle!)

Slideshow: Ranking the top 10 Corvette engines by torque output.

By Joe Kucinski | 2026-05-05 11:58:09


VIEW MORE
story-3
Corvette ZR1X Will Be Pacing the Indy 500, And Could Probably Race, Too!

Slideshow: A Corvette pace car nearly matching IndyCar speeds sounds exaggerated, until you look at the numbers.

By Verdad Gallardo | 2026-05-04 20:03:36


VIEW MORE
story-4
Top 10 Corvettes Coming to Mecum Indy 2026!

Among a rather large group of them.

By Brett Foote | 2026-05-04 13:56:44


VIEW MORE
story-5
Top 10 C9 Corvette MUST-HAVES to Fix These C8 Generation Flaws!

Slideshow: the top 10 things Corvette owners want in the C9 Corvette

By Michael S. Palmer | 2026-04-30 12:41:15


VIEW MORE
story-6
10 Revolutionary 'Corvette Firsts' Most People Don't Know

Slideshow: 10 Important Corvette 'firsts' that every fan should know.

By Joe Kucinski | 2026-04-29 17:02:16


VIEW MORE
story-7
5 Reasons to Upgrade to an LS6-Powered Corvette; 5 Reasons to Stay LT2

Slideshow: Should you buy a 2020-2026 Corvette or wait for 2027?

By Michael S. Palmer | 2026-04-22 10:08:58


VIEW MORE
story-8
2027 Corvette vs The World: Every C8 vs Its Closest Competitor

Slideshow: 2027 Corvette lineup vs the world.

By Joe Kucinski | 2026-04-24 16:12:42


VIEW MORE
story-9
10 Most Common Corvette Problems of the Last 20 Years!

Slideshow: 10 major Corvette problems from the last 20 years.

By Joe Kucinski | 2026-04-14 16:37:05


VIEW MORE